電錶是日常使用的計量電器,是繳納電費的重要憑證,在家用當中常用單相電錶,在工業中常用三相電錶。
單相電錶
單相電錶常用額定電流有10、20、40、60、80、100A,根據需要選擇相應的額定電流。
單相電錶接線是我們常說的1、3進,2、4出。1、3介面接輸入電源,2、4介面接輸出電源。
當負載用電量大,透過導線的額定電流超過電錶的額定電流時,1.可以更換成額定電流更大的電錶。2.可以在電錶上加裝電流互感器。單相電錶加裝電流互感器,電流互感器有電流變比,倍率有75/5A、100/5A。
使用75/5的電流互感器,線路電流不得超過75A,使用100/5A的電流互感器,線路電流不得超過100A。
接線時火線直接穿過電流互感器的中心接入到家中總開關的上端,通常火線由P1端進,P2端出,不需要經過電錶。電流互感器S1、S2端子接入電錶的1、2接線端子。零線3進4出。
接電流互感器的實際度數=電錶度數×互感器電流比。75/5的倍率為15,100/5的倍率為20。
當使用電流互感器的電錶,電流互感器倍率很高,而實際的線路電流很低時,火線可以穿過電流互感器中心位置時可以多纏繞幾圈,當纏繞三圈時,電流互感器檢測電流為實際電流的三倍,使電錶計量度數更加準確,其他接線不變。
實際度數=電錶度數×電流互感器電流比÷纏繞圈數
電流互感器不容許出現斷路,電流互感器工作狀態為短路狀態,當電流互感器出現斷路現象時會產生高壓發生危害,所以電流互感器的一端必須接地,通常S2端子接地。
使用單相電壓電流超過100A以上,基本上都要改改成三相電壓用電。單相電錶在日常使用中很少採用電流互感器,電流互感器通常使用在三相電錶中。
三相電錶
三相電錶分為直通式與外接電流互感器式。
直通式三相電錶
直通式電錶上3×220/380表示三相四線相電壓220,線電壓380V。
3X30(100)A是1倍的電錶,3表示三相電壓,30表示穩定工作電流,100表示最大工作電流。
電錶的下方為直通式電錶的接線圖。
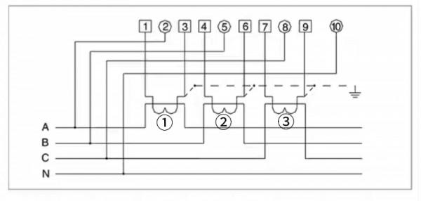
直通式電錶上一共有7個接線端子,1接A相火線進,3為A相火線出。4接B相火線進,6接B相火線出。7接C相火線進,9接C相火線出。在零線引出一根電線接入10端子,或者零線的進出都接入10號端子。
三相電壓線路電流低於100A才能使用直通式三相電錶,高於100A以上需要使用可以外接電流互感器三相電錶,直通式三相電錶不可以外接電流互感器。
接互感器式三相電錶
直通式電錶上3×220/380表示三相四線相電壓220,線電壓380V。
3×1.5(6)A,3為三相電壓,1.5為穩定工作電流,6為最大工作電流,直接透過的電流比較小,必須外接電流互感器才能使用。
電流互感器
電流互感器有P1、P2正反面,S1、S2為輸出電流接線端子。電流互感器有電流比,常用的有100/5、200/5、300/5、400/5、600/5、800/5。
使用200/5A的電流互感器,線路最大電流不得超過200A,使用600/5A的的電流互感器線路最大電流不得超過600A。選擇電流互感器變比應根據實際線路電流。
三相電錶外接三個電流互感器,火線從P1穿進P2出,三個電流互感器必須統一朝向,否則電錶不準或者反轉。火線穿過電流互感器為1匝,不得纏繞。
A相火線穿過①電流互感器,電流互感器S1接電錶1號端子,電流互感器S2接電錶3號端子,2號端子接入A相火線電壓。
B相火線穿過②電流互感器,電流互感器S1接電錶4號端子,電流互感器S2接電錶6號端子,電錶5號端子接入B相火線電壓。
C相火線穿過③電流互感器,電流互感器S1接電錶7號端子,電流互感器S2接電錶9號端子,電錶8號端子接入C相火線電壓。
在電源零線上引出一根線接入電錶10號端子
接電流互感器的電錶,實際度數=電錶度數×電流互感器電流比。
電流互感器工作在短路狀態,電流互感器不容許斷路,三個電流互感器S2端都必須接地。當知道電流互感器S2端接地,並不會影響電錶度數時,接線時三個電流互感器S2端可以不接入電錶,3個S2端子連線在一起接地,同樣電錶的3、6、9接線端子可以連線在一起接地,這種方式也是可行的。
