加群請私信:“加群”
機電人脈編輯,分享供學習,如有侵權,請聯絡刪除,轉載請註明出處
#1線管敷設
明配的電氣導管應符合下列規定:
1.導管應排列整齊、固定點間距均勻、安裝牢固;
2.在距終端、彎頭中點或櫃、臺、箱、盤等邊緣150mm~500mm範圍內應設有固定管卡,中間直線段固定管卡間的最大距離應符合下表的規定;
3.明配管採用的接線或過渡盒(箱)應選用明裝盒(箱)。
可彎曲金屬導管及柔性導管敷設應符合下列規定:
1.剛性導管經柔性導管與電氣裝置、器具連線時,柔性導管的長度在動力工程中不宜大於0.5m ,在照明工程中不宜大於1.2m 。
2.可彎曲金屬導管或柔性導管與剛性導管或電氣裝置、器具間的連線應採用專用接頭;防液型可彎曲金屬導管或柔性導管的連線處應密封良好,防液覆蓋層應完整無損。
3.當可彎曲金屬導管有可能受重物壓力或明顯機械撞擊時,應採取保護措施。
4.明配的金屬、非金屬柔性導管固定點間距應均勻,不應大於1m,管卡與裝置、器具、彎頭中點、管端等邊緣的距離應小於0.3m 。
塑膠導管敷設應符合下列規定:
1.管口應平整光滑,管與管、管與盒(箱)等器件採用插入法連線時,連線處結合面應塗專用 膠合劑,介面應牢固密封;
2.直埋於地下或樓板內的剛性塑膠導管,在穿出地面或樓板易受機械損傷的一段應採取保 護措施;
3.當設計無要求時,埋設在牆內或混凝土內的塑膠導管應採用中型及以上的導管;
4.沿建築物、構築物表面和在支架上敷設的剛性塑膠導管,應按設計要求裝設溫度補償裝置。
室外導管敷設應符合下列規定:
1.對於埋地敷設的鋼導管,埋設深度應符合設計要求,鋼導管的壁厚應大於2mm;
2.導管的管口不應敞口垂直向上,導管管口應在盒、箱內或導管端部設定防水彎;
3.由箱式變電所或落地式配電箱引向建築物的導管,建築物一側的導管管口應設在建築物內;
4.導管的管口在穿入絕緣導線、電纜後應做密封處理。
導管敷設應符合下列規定:
1.導管穿越外牆時應設定防水套管,且應做好防水處理;
2.鋼導管或剛性塑膠導管跨越建築物變形縫處應設定補償裝置;
3.除埋設於混凝土內的鋼導管內壁應防腐處理,外壁可不防腐處理外,其餘場所敷設的鋼導管內、外壁均應做防腐處理;
4.導管與熱水管、蒸氣管平行敷設時,應敷設在熱水管、蒸氣管的下面。
進入配電(控制)櫃、臺、箱內的導管管口,當箱底無封板時,管口應高出櫃、臺、箱、盤的 基礎面 50mm~ 80mm。
當導管採用金屬吊架固定時,圓鋼直徑不得小於 8mm ,並應設定防晃支架,在距離盒(箱)、 分支處或端部 0. 3m~ 0. 5m 處應設定固定支架;金屬支架應進行防腐。
除設計要求外,對於暗配的導管,導管表面埋設深度與建築物、構築物表面的距離不應小於 15mm 。
導管穿越密閉或防護密閉隔牆時,應設定預埋套管,預埋套管的製作和安裝應符合設計要求, 套管兩端伸出牆面的長度宜為 30mm~ 50mm ,導管穿越密閉穿牆套管的兩側應設定過線 盒,並應做好封堵。
鋼導管不得采用對口熔焊連線;鍍鋅鋼導管或壁厚小於或等於 2mm 的鋼導管,不得采用套管 熔焊連線。
電氣導管敷設示意圖
支架安裝示意圖
#2線、纜敷設電纜敷設應符合下列規定:
1.電纜的敷設排列應順直、整齊,並宜少交叉;
2.電纜轉彎處的最小彎曲半徑應符合下表的規定;
3.在電纜溝或電氣豎井內垂直敷設或大於45度傾斜敷設的電纜應在每個支架上固定;
4.在梯架、托盤或槽盒內大於45度傾斜敷設的電纜應每隔2m固定,水平敷設的電纜,首尾兩端、轉彎兩側及每隔5m~10m處應設固定點;
5.當設計無要求時,電纜支援點間距不應大於下表的規定;
6.當設計無要求時,電纜與管道的最小淨距應符合下表的規定;
7.無擠塑外護層電纜金屬護套與金屬支(吊)架直接接觸的部位應採取防電化腐蝕的措施;
8.電纜出入電纜溝,電氣豎井,建築物,配電(控制)櫃、臺、箱處以及管子管口處等部位應採取防火或密封措施;
9.電纜出入電纜梯架、托盤、槽盒及配電(控制)櫃、臺、箱、盤處應做固定;
10.當電纜透過牆、樓板或室外敷設穿導管保護時,導管的內徑不應小於電纜外徑的1.5倍。
電纜支架安裝應符合下列規定:
1.除設計要求外,承力建築鋼結構構件上不得熔焊支架,且不得熱加工開孔。
2.當設計無要求時,電纜支架層間最小距離不應小於下表的規定,層間淨距不應小於2倍電纜外徑加10mm,35kV電纜不應小於2倍電纜外徑加50mm 。
3.最上層電纜支架距構築物頂板或梁底的最小淨距應滿足電纜引接至上方配電櫃、臺、箱、盤時電纜彎曲半徑的要求,且不宜小於上表所列數再加80mm~ 150mm;距其他裝置的最小淨距不應小於300mm,當無法滿足要求時應設定防護板。
4.當設計無要求時,最下層電纜支架距溝底、地面的最小距離不應小於下表的規定。
5.金屬支架應進行防腐,位於室外及潮溼場所的應按設計要求做處理。
直埋電纜的上、下應有細沙或軟土,回填土應無石塊、磚頭等尖銳硬物。
金屬電纜支架必須與保護導體可靠連線。
電纜敷設不得存在絞擰、鎧裝壓扁、護層斷裂和表面嚴重劃傷等缺陷。
除設計要求外,並聯使用的電力電纜的型號、規格、長度應相同。
交流單芯電纜或分相後的每相電纜不得單根獨穿於鋼導管內,固定用的夾具和支架不應形成閉 合磁路。
當電纜穿過零序電流互感器時,電纜金屬護層和接地線應對地絕緣。對穿過零序電流互感器後 製作的電纜頭,其電纜接地線應回穿互感器後接地;對尚未穿過零序電流互感器的電纜接地線 應在零序電流互感器前直接接地。
電纜的敷設和排列布置應符合設計要求,礦物絕緣電纜敷設在溫度變化大的場所、振動場所或 穿越建築物變形縫時應採取“S”或“Ω”彎。
槽盒內敷線應符合下列規定:
1.同一槽盒內不宜同時敷設絕緣導線和電纜。
2.同一路徑元防干擾要求的線路,可敷設於同一槽盒內;槽盒內的絕緣導線總截面積(包括外護套)不應超過槽盒內截面積的40%,且載流導體不宜超過30 根。
3.當控制和訊號等非電力線路敷設於同一槽盒內時,絕緣導線的總截面積不應超過槽盒內截面積的50% 。
4.分支接頭處絕緣導線的總截面面積(包括外護層)不應大於該點盒(箱)內截面面積的75% 。
5.絕緣導線在槽盒內應留有一定餘量,並應按回路分段綁紮,綁紮點間距不應大於1.5m ;當垂直或大於45度傾斜敷設時,應將絕緣導線分段固定在槽盒內的專用部件上,每段至少應有一個固定點;當直線段長度大於3.2m時,其固定點間距不應大於1.6m;槽盒內導線排列應整齊、有序。
6.敷線完成後,槽盒蓋板應復位,蓋板應齊全、平整、牢固。
同一交流回路的絕緣導錢不應敷設於不同的金屬槽盒內或穿於不同金屬導管內。
除設計要求以外,不同迴路、不同電壓等級和交流與直流線路的絕緣導線不應穿於同一導管內。
絕緣導線接頭應設定在專用接線盒(箱)或器具內,不得設定在導管和槽盒內,盒(箱)的設 置位置應便於檢修。
除塑膠護套線外,絕緣導線應採取導管或槽盒保護,不可外露明敷。
絕緣導線穿管前,應清除管內雜物和積水,絕緣導線穿入導管的管口在穿線前應裝設護線口。
與槽盒連線的接線盒(箱)應選用明裝盒(箱);配線工程完成後,盒(箱)蓋板應齊全、完 好。
當採用多相供電時,同一建(構)築物的絕緣導線絕緣層顏色應一致。
電氣軟管連線示意圖
線管過變形縫示意圖
#3線纜與裝置連線
當母線與母線、母線與電器或裝置接線端子採用螺栓搭接連線時,應符合下列規定:
1.母線的各類搭接連線的鑽孔直徑和搭接長度及連線螺栓的力矩應符合規範的規定;當一個連線處需要多個螺栓連線時,每個螺栓的擰緊力矩值應一致。
2.母線接觸面應保持清潔,宜塗抗氧化劑,螺栓孔周邊應無毛刺。
3.連線螺栓兩側應有平墊圈,相鄰墊圈間應有大於3mm的間隙,螺母側應裝有彈簧墊圈或鎖緊螺母。
4.螺栓受力應均勻,不應使電器或裝置的接線端子受額外應力。
母線與母線、母線與電器或裝置接線端子搭接,搭接面的處理應符合下列規定:
1.銅與銅:當處於室外、高溫且潮溼的室內時,搭接面應搪錫或鍍銀;乾燥的室內,可不搪錫、不鍍銀。
2.鋁與鋁:可直接搭接。
3.鋼與鋼:搭接面應搪錫或鍍銀。
4.銅與鋁:在乾燥的室內,銅導體搭接面應搪錫;在潮溼場所,銅導體搭接面應搪錫或鍍 銀,且應採用銅鋁過渡連線。
5.鋼與銅或鋁與鋼搭接面應鍍銀或搪錫。
導線與裝置或器具的連線應符合下列規定:
1.截面積在10 mm2及以下的單股銅芯線和單股鋁/鋁合金芯線可直接與裝置或器具的端子連線。
2.截面積在2.5 mm2及以下的多芯銅芯線應接續端子或擰緊搪錫後再與裝置或器具的端子連線。
3.截面積大於2.5 mm2的多芯銅芯線,除裝置自帶插接式端子外,應接續端子後與裝置或器具的端子連線;多芯銅芯線與插接式端子連線前,端部應擰緊搪錫。
4.多芯鋁芯線應接續端子後與裝置、器具的端子連線,多芯鋁芯線接續端子前應去除氧化層並塗抗氧化劑,連線完成後應清潔乾淨。
5.每個裝置或器具的端子接線不多於2根導線或2個導線端子
電纜與電機接線連線示意圖
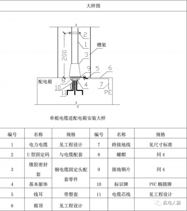
槽架、線管接駁配電箱/櫃示意圖
配電箱進出線示意圖
