自動駕駛車輛的未來是建立在若干重要感測技術進步的基礎上的,這些技術將實現高安全率和精確定位能力。例如:LIDAR用於建立周圍環境的精確3D影象;雷達透過電磁波不同波段測量車輛到目標的距離;攝像頭用於識別路標和檢測顏色;高解析度地圖用於定位等等。但是,不同於IMU,上述每種技術都需要獲取外部環境資料,並將資料提供給軟體用於進行定位、識別和控制。這意味著它們可能受外部環境的影響而出現效能下降,因此,IMU的“獨立性”使其成為安全駕駛和感測器融合的核心技術。慣性測量單元(IMU)技術的進步可以提高自動駕駛車輛定位精度和操作安全。
自動駕駛汽車的成功所需最重要的進步是在任何環境變化期間,車輛的實時、持續和準確的位置與運動。所有型別的自動駕駛車輛如汽車、卡車、公共汽車、無人機、機器人系統等均必須能在所有天氣、溫度和場景環境中,以及在無GNSS訊號或訊號衰減情況下,確定車輛位置和方向。
慣性測量單元(IMU)是所有定位系統中最關鍵的感測器之一,它測量運動、加速度和旋轉速度的基本物理量。對車輛在時空中運動方式的基本瞭解對於自動駕駛應用至關重要,IMU是最可靠的感測器,因為不受干擾/迷惑,且不受天氣和其他環境條件的影響。
在城市峽谷或森林道路中,IMU不會受到多路徑效應或訊號衰減的影響。
在自動駕駛系統中,IMU資料與GNSS、視覺和其他探測和測距系統融合,以填補GNSS更新之間的空隙,並在GNSS和/或其他感測器受到影響時安全進行短時導航。IMU資料始終可用,是任何自主車輛系統的一個組成部分,並可用於在具挑戰性的環境中維持車輛安全執行。
高效能慣性測量單元(IMU)能夠長時間精確地推算航位,應用包括導彈、戰鬥機、直升機、航天器和衛星以及大型商用飛機的軍事系統等等。這些高效能的IMU採用了環形鐳射陀螺儀(RLG)或光纖陀螺儀(FOG)等技術。這項技術已被證明是可靠的,但對於更大批次的商用而言,成本過高。
目前MEMS陀螺儀設計人員正在研究兩個關鍵引數:角度隨機遊走(ARW)和零偏不穩定性(BI)。這些引數為自主系統設計人員提供了一個共同的基準,用於比較陀螺儀的相對效能和確定安全執行的時間段。
角度隨機遊走是速率感測器中短時噪聲的一種測量方法。它通常以每小時度數表示,從陀螺儀輸出的艾倫偏差圖上的第二個點開始計算。這一點很重要,因為綜合速率訊號來確定車輛的姿態(側傾、俯仰、偏航),而融合噪聲會導致隨機誤差。
一個常見且常用的思維實驗來說明這種隨機誤差效應,就是想象自己站在足球場的中心,手裡拿著一枚硬幣。你擲硬幣100次,對於每一個"正面",你向左走1米,對於每一個"反面",你向右走1米。最有可能的情況是,你會接近你的出發點,但是如果你重複這1000次,你會發現自己在不同的距離,從中心點,偶爾在球場的兩端。如果你看實驗結果的統計資料,你會看到高斯機率分佈,平均值位於球場的中心。步長決定了分佈的標準差。步長越小,理論上你離球場中心的距離就越小。1釐米的步長比1米的步長分佈更緊密。陀螺儀的角隨機遊走(ARW)規範類似於上述思維實驗中的步長,越小越好。
零偏不穩定性(BI)也是從陀螺儀輸出的艾倫偏差圖推匯出來的。通常以每小時度數表示,它是從斜率從負變為正的點開始計算的,表示陀螺偏置的長時漂移。偏置漂移可以看作是施加在陀螺儀輸出端的直流偏置的變化。在速率訊號的綜合過程中,偏置中的任何誤差都會迅速累積為角度誤差。另一個思維實驗可用來說明它的影響。
想象一輛車正穿過一條筆直的隧道。假設車輛從一端到另一端以每小時20公里的速度行駛,需要半個小時。如果用於導航和保持車輛在航向上的偏航陀螺儀的偏差不穩定度為每小時3度,則在隧道結束時,車輛航向將大於1.5度偏離航線。以20公里/小時的速度行駛時,車輛將每秒向左或向右行駛15釐米,很可能導致車輛在到達隧道末端之前撞到另一輛車或牆壁。
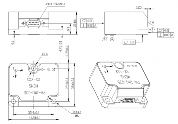
PA-IMU-03D 是西安精準測控有限責任公司研製開發的一款完全國產化、高效能、小體積、耐高過載的慣性測量裝置,可用於武器的精確導航、控制和動態測量。此係列產品採用完全國產化的MEMS慣性器件,具有高可靠性和高堅固性,在惡劣環境下仍能精密的測量運動 載體的角速度和加速度資訊,並能提供可靠的姿態資訊。具有寬的工作溫度範圍、寬的頻寬、小體積、快速啟動、精度 高等特點。它可廣泛用於武器精確制導與控制、工程裝備控制、平臺穩定、管道機器人、水下航行器,無人駕駛汽車等系統。
精度:零偏不穩定性0.5°/h,角度隨機遊走(ARW) 0.15°/√h 。
