一輛行駛里程約3.3萬km、搭載G4FJ型1.6T-GDI汽油發動機和D7UF1型7速乾式雙離合變速器的2017年北京現代新名圖。車主反映:最近一段時間,在行駛的過程中,該車出現偶發性儀表多個故障燈點亮,同時MDPS(電動轉向)轉向力變重、室外溫度不顯示、發動機轉速錶歸零、擋位也不顯示等(圖1)。
故障診斷:車輛進店時未出現故障現象,透過與車主溝通了解到,故障多出現在路況較差的地方。車輛經過反覆顛簸後,儀表臺上的多個故障燈可能會亮燈,有時候剎車也會點亮儀表臺上的多個故障燈。
使用北京現代專用診斷儀(GDS Mobile)對全車系統進行掃描,發現多個系統都記錄有故障碼(圖2)。由於是偶發故障,檢測儀檢測當前車輛各系統良好,但系統會記錄之前故障觸發時的故障碼。
由於車主描述在路況差的時候出現故障的頻率較高,徵求車主同意後一起路試。在經過一段顛簸路況後,故障現象出現。此時,用GDS讀取故障碼,結果所有系統都無法通訊(圖3),由於檢測儀是透過C-CAN網路與車輛控制模組進行通訊診斷,初步判斷故障車的C-CAN網路癱瘓。
導致C-CAN網路癱瘓的可能原因主要有:CAN-H和CAN-L之間互短;CAN-H對電源或者搭鐵短路;CAN-L對電源短路(故障車型CAN-L對搭鐵短路不會導致CAN網路癱瘓)、模組故障(包含終端電阻)。
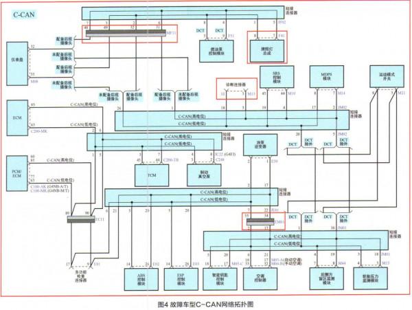
查閱故障車型C-CAN網路連線拓撲圖(圖4)。
根據故障車型C-CAN網路拓撲圖的電路結構進行分析、檢測和診斷:
1、點火開關處於ON位時,用萬用表DC-20V檔分別測量M13診斷口3號端子((CAN-H)和11號端子(CAN-L)的對地電壓,測得CAN-H的電壓為0、CAN-L的電壓為0.1v,資料異常。正常的CAN-H電壓約為2.7V、CAN-L電壓約為2.3V。
2點火開關處於OFF時,拆卸蓄電池負極,用萬用表電阻檔測量CAN-H和CAN-L之間的終端電阻,為60Ω,測量CAN-H和搭鐵之間的電阻,為0(資料異常),說明CAN-H對地短路。
3.採用分段式檢查方法檢查CAN網路線路,斷開EM61插頭,測量診斷口CAN-H對地的電阻為0,說明短路點位於前部分(儀表盤端)。繼續斷開MF11插頭,再測量診斷口CAN-H對地的電阻,為無窮大,說明故障位置處於MF11插頭後部(後視攝像頭端)的線束或者模組。 4.從C-CAN網路圖可以看出,MF11後部只有燃油泵控制模組和牌照燈總成(帶後視攝像頭)。依次斷開這兩個模組,用萬用表電阻檔測量MF11插頭31號端子(CAN-H)對地電阻。當斷開牌照燈總成上的F41插頭時,電阻為無窮大,判斷故障為後視攝像頭或者攝像頭線束故障,部件位置如圖5所示。
5.拆卸牌照燈總成,發現左側牌照燈螺絲已經刺穿線束。該車加裝了行車記錄儀,在左側牌照燈位置加裝了一個停車監控的攝像頭,並更換了一個長的尖頭金屬自攻螺絲。剝開線束的防護層,發現螺絲從CAN-H線和牌照燈的搭鐵線中間穿過,線束和螺絲接觸的地方絕緣層有破損,CAN-H線在車輛顛簸的時候偶爾與搭鐵線短路導致該車故障。相關部件和故障點位置如圖6所示。
對線束破損處進行絕緣處理後,重新安裝復位(圖7),用萬用表電阻檔測量M13診斷口CAN-H和搭鐵之間的電阻,為無窮大,C-CAN網路線路狀態恢復正常。恢復車輛所有部件,開啟車輛電源至IG ON位置,用診斷儀讀取並刪除歷史故障碼,多次試車未再出現故障,確定該車故障已被徹底排除。
維修小結:
本案例中,導致故障的根源在於:加裝行車記錄儀時,施工人員對名圖車牌照燈和原車後視攝像頭線束的走向佈置不清楚,再加上安裝的螺絲長度過長,直接從線束中間穿過,車輛經過一段時間的行駛後,線束和螺絲之間干涉導致線束絕緣層的破損,進而導致短路。
對於偶發故障,與車主進行詳細溝通是很有必要的。對於類似該車CAN網路的維修,採用分段法斷開聯結器和模組的方式,能快速的縮小故障範圍。該車C-CAN網路癱瘓會導致儀表除燃油表以外其它的顯示都出現異常,同時MDPS(電動轉向)工作時需要透過CAN通訊網路獲取車速資料,通訊故障時進入失效保護模式,以80km/h的固定車速控制邏輯執行轉向力控制,所以轉向力變重。
