線型及其含義:
比例:
水、汽管道代號:
工藝管道施工圖常用圖例:
水、汽管道閥門和附件圖例:
給排水、採暖常用圖例:
通風空調工程常用圖例:
風道代號:
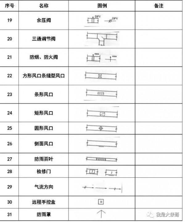
風道、閥門及附件圖例:
風口和附件代號:
暖通空調裝置圖例:
調控裝置及儀表圖例:
各種執行機構可與風閥、水閥組合 表示相應功能的控制閥門。
消防工程基本圖形符號:
消防工程輔助符號:
消防管路及配件符號:
消防工程固定滅火器系統符號:
消防工程滅火裝置安裝處符號:
消防設施:
管道圖例:
管道附件:
管道連線:
管件:
常見閥門:
給水配件:
小型給水排水構築物:
給水排水裝置:
儀表:
管道和裝置佈置平面圖、剖面圖示例:
管道和裝置佈置平面圖應按假象除去上層板後俯視規則繪製,其相應的垂直剖面圖應在平面圖中表明剖切符號。
標準層平面圖
平、剖面示例
平面圖、剖面圖索引符號的畫法:
平面圖、剖面圖中的區域性需另繪詳圖時,應在平、剖面圖上標註索引符號。索引符號的畫法見下圖。
索引符號的畫法
內視符號畫法:
當表示區域性位置的相互關係,在平面圖上應標註內視符號。
內視符號畫法
系統編號:
1、一個工程設計中同時有供暖、通風、空調等兩個及以上的不同系統時,應進行系統編號。
2、暖通空調系統編號、入口編號,應由系統代號和順序號組成。
3、系統代號用大寫拉丁字母表示,順序號用阿拉伯數字表示。當一個系統出現分支時,可採用下圖的畫法。
系統代號
立管號的畫法
豎向佈置的垂直管道系統,應標註立管號,在不一致引起誤解時,可只標註序號,但應與建築軸線編號有明顯區別。
立管號的畫法
管道相對標高的畫法:
1、在無法標註垂直尺寸的圖樣中,應標註標高。標高應以m為單位,並應精確到cm或mm。
2、標高符號應以直角等腰三角形表示。當面標準層較多時,可只標註與本層樓(地)板面的相對標高。
3、水、汽管道所標高未予說明時,應表示為管中心標高。
4、水、汽管道標註管道外底或頂標高時,應在數字前加“底”或“頂”字樣。
5、矩形風管所註標高應表示管底標高;圓形風管所註標高應表示管中心標高。當不採用此方法標註時,應進行說明。
6、平面圖中無坡度要求的管道標高可標註在管道截面尺寸後的括號內。必要時,應在標高數字前加“底”或“頂”的字樣。
相對標高的畫法
管道截面尺寸的標註符號及畫法:
1、低壓流體輸送用焊接管道規格應標註公稱通徑或壓力。公稱通徑的標記應由字母“DN”後跟一個以亳米表示的數值組成;公稱壓力的代號應為“PN”。
2、輸送流體用無縫鋼管、螺旋縫或直縫焊接鋼管、銅管、不鏽鋼管,當需要註明外徑和壁厚時,應用“D(或Φ)外徑×壁厚”表示。在不致引起誤解時,也可採用公稱通徑表示。
3、塑膠管外徑應用“de”表示。
4、圓形風管的截面定型尺寸應以直徑“Φ”表示,單位應為mm.
5、矩形風管(風道)的截面定型尺寸應以“A×B”表示。“A”應為該檢視投影面的邊長尺寸,“B”應為另一邊尺雨。A、B單位均應為mm。
6、水平管道的規格宜標註在管道的上方;豎向管道的規格宜標註在管道的左側。雙線表示的管道,其規格可標註在管道輪廓線內。
管道截面尺寸的畫法
多條管線的規格標註方法:
多條管線規格的畫法
風口、散流器表示方法:
風口、散流器的表示方法
定位尺寸的表示方法:
定位尺寸的表示方式
單線管道轉向的畫法:
單線管道轉向的畫法
雙線管道轉向的畫法:
雙線管道轉向的畫法
單線管道分支的畫法:
單線管道分支的畫法
雙線管道分支的畫法:
雙線管道分支的畫法
送風管轉向的畫法:
送風管轉向的畫法
迴風管轉向的畫法:
管道斷開的畫法
平面圖、剖檢視中管道因重疊、密集需斷開時,應採用斷開畫法。
管道斷開的畫法
管道在本圖中斷的畫法:
管道在本圖中斷,轉至其他圖面表示(或由其他圖面引來)時,應註明轉至(或來自的)的圖紙編號。
管道在本圖中斷的畫法
管道交叉的畫法:
管道交叉的畫法
管道跨越的畫法:
來源:機電天下微信公眾號(id:mepbbs)整理,版權歸原作者所有,僅供交流學習,如有侵權請聯絡作者刪除!
