按鈕啟動器:啟動器內部無保護裝置,只有接通和斷開的功能。塑膠防護或金屬防護外殼,室內防護等級達IP40,適用於0.97kW 以下容量、非重要負荷、不頻繁啟動的場所。
手動啟動器:塑膠防護或金屬防護外殼,室內防護等級達IP40 適用於S3kW 以下容量、非重要負荷、不頻繁啟動的場所。
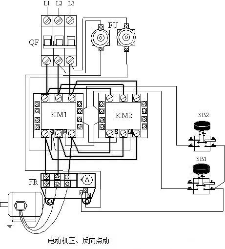
磁力啟動器:啟動器由熔斷器、交流接觸器熱維電器、 啟動和停止按鈕、轉換開關、指示燈、塑膠防護或金屬防護外殼,室內防護等級達IP40,室外防護等級達IP65。適用於交流50Hz或60Hz、 額定電壓660V及以下、額定工作電流150A及以下交流電動機直接啟動、停止與正反向運轉的控制。電動機有短路 、過負載、 斷相和失壓保護功能,手動控制、自動控制等功能。
電動機保護開關:操動機構、脫扣器、觸頭及滅弧系統、絕緣基座、外殼等構成。脫扣器:熱脫扣器、分勵脫扣器、欠壓脫扣器 。脫扣器額定電流為定值或在規定的範圍內可調。防護外殼塑膠或金屬,室內防護等級達 IP40,室外防護等級達IP55適用於交流50Hz 或60Hz額定電壓6及以下、額定工作電流16A及以下交流電動機直接啟動和停止。用於有振動、衝擊的場所。
軟啟動器:訊號取樣、比較器、光電耦合器、積分器、脈衝發生器、鍋齒波發生器、 觸發脈衝輸出電路、開關電路、保護電路以及感測器.大功率閘流體等電氣元器件構成,有手、自動轉換、手動啟停、 遠端啟停功能,以及電動機狀態訊號、故障狀態訊號、手自動狀態訊號輸出;自動控制啟停訊號、消防報警停機訊號輸入等功能。
根據電機拖動系統執行工況,啟動裝置內建的各種負載啟動程式,保證電動機成功、平穩啟動,啟動電流為電機額定電流的2~2.5倍。透過啟動器自帶操作鍵盤或外接操作,實現各種引數設定和必要的程式設計。電動機啟動完成後,電動機一次迴路切到旁路輸出。外殼根據控制電動機容量採用塑膠或金屬,結構為掛牆或落地櫃式,室內防護等級達到IP40,室外防護等級達到IP65。
電動機保護要求:電動機保護由其供電的配電裝置或啟動器實現,具有過負載、短路、欠壓、斷相保護功能。
安裝:
裝置安裝的條件:屋頂、樓板施工完畢,不得滲漏。電器安裝有妨礙的模板、腳手架等拆除,場地清掃乾淨。室內地面基層施工完畢, 並在牆上標出抹面標高。環境溼度達標。裝置基礎和構架達到允許裝置安裝的強度;焊接構件的質量符合要求,基礎槽鋼固定可靠。預埋件及預留孔的位置和尺寸,符合要求,預埋件牢固。
裝置的安裝高度,符合規定;
無規定應符合下列要求:落地安裝的裝置,底部高出地面100mm。操作手柄轉軸中心與地面的距離為1200~1500mm;側面操作的手柄與建築物或裝置的距離不小於200mm。
裝置安裝檢查:裝置外殼檢查:配線正確、銜鐵表面無鏽斑、油垢;接觸面平整、清潔。可動部分靈活無卡阻;滅弧罩之間有間隙;滅弧線圈繞向正確。觸頭接觸緊密,固定主觸頭的觸頭杆固定可靠。帶有常閉觸頭的接觸器與磁力起動器閉合時,先斷開常閉觸頭,後接通主觸頭;斷開時先斷開主觸頭,後接通常閉觸頭,三相主觸頭的動作一致,誤差在範圍內。
啟動器熱元件的規格與電動機的保護特性相匹配;熱繼電器的電流調節指示位置調整在電動機的額定電流值上,並進行定值校驗。裝置固定符合下列要求:按照說明書規定的安裝方式安裝,安裝面垂直於水平面,傾斜度不大於5,裝置固定採用支架、金屬板、絕緣板固定在牆、柱或其它建築構件上。金屬板、絕緣板平整; 卡軌支撐安裝時,卡軌與裝置匹配,並用固定夾或固定螺栓與壁板緊密固定,嚴禁使用變形或不合格的卡軌。膨脹螺栓固定,選擇標準螺栓。鑽孔直徑和埋設深度與螺栓匹配。緊韌體為鍍鋅製品,螺栓規格選配適當,裝置的固定牢固、平穩。固定裝置,不得使裝置內部受額外應力。裝置的外部接線要求:接線按接線端頭標誌進行,排列整齊、清晰、美觀,導線絕緣良好、無損傷。可動觸頭接線端。接線採用銅質或有電鍍金屬防鏽層的螺栓和螺釘,連線時擰緊,有防松裝置。外部接線不得使電器內部受到額外應力。成排或集中安裝的裝置排列整齊,具有一定距離,便於操作及維護。
按電動機的額定電流調整熱繼電器的動作電流值,並進行動作試驗。使電動機既能正常啟動,又能最大限度地利用電動機的過載能力,能防止電動機由於超過極限容許過載能力而燒壞。啟動時間調節時間繼電器的動作時間,保證電動機啟動完畢後,及時換接線路。
星一三角啟動器:熔斷器、交流接觸器、熱繼電器、輔助觸頭組 、時間繼電器、啟動和停止按鈕、轉換開關、指示燈等元件組成。具有防護性塑膠或金屬外殼,能作為元件安裝在控制櫃或配電櫃中。能用於正常執行時繞組為三角形接線,有六個出線端子的交流50Hz 或60Hz,額定電壓660V 及以下低壓籠型電動機,電動機適於在輕載下啟動,額定功率直控制在45kw以下。對於電動機具有過負載、失壓、斷相保護功能和手、自動啟停功能。
星一三角起動器的接線正確,電動機定子繞組正常工作為三角形接線;手動操作,在電動機轉速接近執行轉速時進行切換;自動轉換,按電動機負荷要求正確調節延時裝置。
手動操作的起動器,觸頭壓力符合要求,操作靈活。裝置的金屬外殼、框架的接零或接地,絕緣電阻測量兆歐表的電壓等級及所測量的絕緣電阻值,裝置試驗達標。
測試及啟動:測量低壓電器及所連線電線以及二次迴路的絕緣電阻不小於1MΩ。潮溼的地方不小於0. 5MΩ。線圈的吸合電壓不大於額定電壓的85%,釋放電壓不小幹領定電壓的5%;短時工作的合閘線圈在額定電壓的85%~110%範圍內,分勵線圈在額定電壓的75%~ 110%的範圍內均能可靠工作。各類過電流脫扣器、失壓和分勵脫扣器、延時裝置等,按要求進行整定,整定值誤差在範圍內。
低壓電器連同所連線電纜及二次迴路的交流耐壓試驗:試驗電壓1000V。 迴路的絕緣電阻值在10MΩ以上時,用2500V 兆歐表,試驗持續時間為1min. 48V及以下回路可不作交流耐壓試驗;迴路中有電子元器件裝置的,試驗時將外掛拔出或將其兩端短接。
啟動前檢查:電器的型號、規格匹配。外觀檢查完好,絕緣器件無裂紋,安裝牢固、平正,符合要求。接零、接地可靠。連線線排列整齊、美觀。絕緣電阻值達標。活動部件動作靈活、可靠,聯鎖傳動裝置動作正確。標誌齊全完好、字跡清晰。
啟動要求:操作時動作靈活、可靠。電磁器件無異常響聲。線圈及接線端子的溫度,觸頭壓力、接觸電阻符合要求。
