接觸器是一種小電流控制大電流的電器,接觸器線圈兩端加上電壓,電流流過線圈產生磁場,觸點閉合來控制負載。
接觸器選擇先確認線圈電壓型號,線圈控制電壓常用的有交流380v、220v、110v、36V、24V。直流12v、24v、36v、48v、110v、220v。
線圈電壓常用符號J、B、C、F、M、Q表示,J表示12V,B表示24V,C表示36V,F表示110V,M表示220V,Q表示380V。
頻率用數字5、6。表示交流電頻率為50HZ、60HZ,直流用D表示。
常用的線圈標識M5表示的為交流220V、50HZ。
線圈標識BD表示為直流24V,JD表示為直流12V。
確認接觸器線圈電壓後再確認接觸器型號,以CJX2-6511接觸器為例。
CJX2表示為小型交流接觸器,65表示接觸器額定電流為65A,11左邊的1表示一副常開輔助觸點,右邊的的1表示一副常閉輔助觸點,輔助觸點可透過的額定電流為5A。
CJX2系列的主觸點額定電流有09、12、18、25、32、40、50、65、80、95A。
功率為4KW的電機,啟、停控制,圖紙如下,該如何選擇接觸器。
KM表示為接觸器,首先確認控制電路電壓為交流380V、50HZ,接觸器線圈電壓可選為Q5。
4KW的電機額定電流約為8A,接觸的額定電流應大於負載電流的1.2-1.5倍。電機啟、停電路只需要接觸器的常開輔助觸點。
4KW電機啟、停可選擇接觸器線圈電壓為Q5 CJX2-1210接觸器。
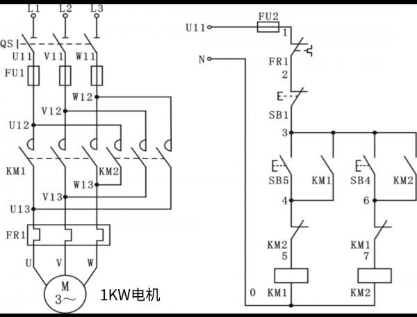
功率為1KW的電機,正、反轉電路,圖紙如下,該如何選取接觸器。
確認控制電路電壓為交流220V、50HZ,接觸器線圈電壓可選擇為M5。
1千瓦的電機電流約為2A,正、反轉電路需要接觸器的常開觸點作為自鎖,常閉觸點作為聯鎖。CJX2系列接觸器最小額定電流為9A。
1KW的電機正反電路可選擇接觸器線圈電壓為M5 CJX2-0911接觸器。
PLC控制1KW的電機的正、反轉,該如何選取接觸器。
PLC內部程式已經有自鎖功能,接觸器不在需要接自鎖。雖然內部程式有聯鎖功能,考慮接觸器會有損壞、黏住不斷開的可能性,容易發生短路,外部接觸器也必須接聯鎖。還需要用到接觸器的常閉觸點。
由圖上可以看出控制電路電壓為交流220V、50HZ,接觸器線圈電壓可選擇為M5。
1KW的電機PLC控制正反電路可選擇接觸器線圈電壓為M5 CJX2-0901接觸器。
CJX2系列為小型交流接觸器,最大主觸點的額定電流為95A。額定電流超過95A可以選擇CJ20系列接觸器,CJ20系列接觸器最大額定電流可以達到630A
CJX2系列的接觸器一般只有一組輔助常開觸點和一組輔助常閉觸點。當輔助觸點在電路中不夠使用時,可以在接觸器上外加輔助觸點使用。或者採用中間繼電器線圈與接觸器線圈並聯,來增加輔助觸點進行傳遞訊號。
