印度本土消費數碼品牌boAt新推出了一款boAt Airdopes 131真無線藍芽耳機,這是一款非常有競爭力的耳機產品,採用13mm動圈單元,內建藍芽5.0音訊晶片,支援語音助手喚醒等功能。具有良好的使用者體驗和優越的價效比。
我愛音訊網拿到了boAt Airdopes 131並對其進行了拆解。拆解中發現充電盒內部使用了一顆高效能單晶片充電盒解決方案,將傳統TWS耳機充電盒中多顆晶片的複雜解決方案彙總成單顆晶片,同時還支援無線充電。大大簡化了充電盒電路,有效降低產品成本。
boAt耳機充電盒採用立式設計,外殼表面光滑圓潤。正面開蓋處有凹槽方便開啟,依次是三顆LED電量指示燈和boAt的品牌logo。充電盒採用Type-C介面,能夠很好的通用手機充電器,方便使用者使用。
耳機充電盒主機板採用Type-C介面充電,主機板為單面元件,背面只有充電頂針。充電盒主機板有一顆一體化鋰電池保護晶片和一顆英集芯IP6816充電盒一體化電源管理晶片。
英集芯IP6816電源管理SOC特寫,晶片採用4*4mm QFN16封裝。單顆晶片完成電池充放電管理,電池電量顯示,輸出負載控制等功能,輸入支援15V耐壓,實際使用無需外接輸入保護晶片。
英集芯IP6816是一顆內建同步整流升壓和線性充電的電池管理晶片,內建路徑管理,支援邊充邊放,優先輸出放電。內建輸出能力300mA的同步升壓,用於為耳機充電。內建線性鋰電池充電,充電電流可調,支援最大500mA,並可根據介面卡輸出能力和無線充電狀態自動調節充電電流。支援1/2/3/4顆LED燈電量顯示,支援4.2/4.3/4.35/4.4V電池。
IP6816內部集成了兩路獨立的耳機檢測電路,用於耳機充電控制。當耳機充滿後會自動進入休眠狀態節能。晶片支援NTC電池溫度檢測,確保安全充電。IP6816採用1.5MHz開關頻率,可以降低電感和電容成本。同時還支援無線充電接收功能,晶片內建無線充接收調製。
據我愛音訊網拆解了解到,目前已有漫步者、諾基亞、聯想、AUKEY、公牛、JLab、海貝、倍思、網易雲音樂、Pioneer先鋒、PIHEN品恆等品牌的TWS耳機充電盒大量採用英集芯的電源管理方案。
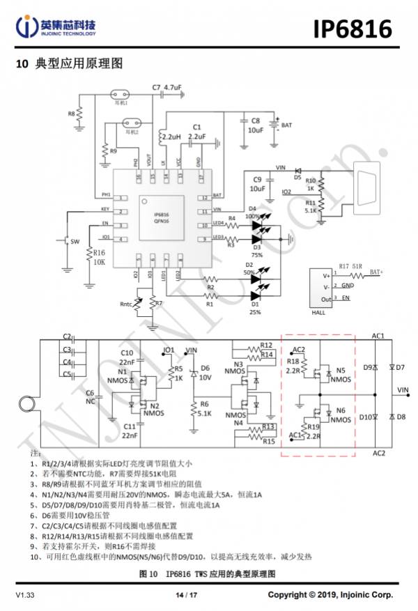
英集芯IP6816應用原理圖,有線充電電路十分精簡,無線充電接收功能需要增加相應的調製電路和接收電路。
英集芯IP6816在高整合TWS充放電SOC的基礎上,增添了無線充電接收功能。簡化了傳統方案需要獨立接收晶片的要求,實現了更高的整合度和更多功能,最佳化TWS耳機充電盒價效比。
