很多車主車輛出現故障後,修車無從下手,更換配件也不知道價格高低,今天我們就來了解一下別克GL8這款車更換配件的價格彙總。
1,更換前擋風玻璃多少錢(材料+工時費)?
以2021款 別克GL8 ES陸尊 653T 舒適型為例,更換前擋玻璃所需費用(以北京地區的原廠配件流通價格為例,因地區差異此價格僅供參考)
原廠配件建議零售價:2080元
預計工時費用:450元
配件示意圖如下:
2,更換左右後視鏡總成多少錢(材料+工時費)?
以2021款 別克GL8 ES陸尊 653T 舒適型為例,更換左右後視鏡總成所需費用(以北京地區的原廠配件流通價格為例,因地區差異此價格僅供參考)
原廠配件建議零售價:1690元/個
預計工時費用:360元
配件示意圖如下:
3,更換前後雨刮臂多少錢(材料+工時費)?
以2021款 別克GL8 ES陸尊 653T 舒適型為例,更換前後雨刮臂所需費用(以北京地區的原廠配件流通價格為例,因地區差異此價格僅供參考)
原廠配件建議零售價:左233元,右231元,後197元
預計工時費用:140元
配件示意圖如下:
4,更換前門外拉手多少錢(材料+工時費)?
以2021款 別克GL8 ES陸尊 653T 舒適型為例,更換前門外拉手所需費用(以北京地區的原廠配件流通價格為例,因地區差異此價格僅供參考)
原廠配件建議零售價:570元
預計工時費用:240元
配件示意圖如下:
5,更換後門外拉手多少錢(材料+工時費)?
以2021款 別克GL8 ES陸尊 653T 舒適型為例,更換後門外拉手所需費用(以北京地區的原廠配件流通價格為例,因地區差異此價格僅供參考)
原廠配件建議零售價:356元
預計工時費用:240元
配件示意圖如下:
6,該車更換後風擋玻璃多少錢(材料+工時費)?
以2021款 別克GL8 ES陸尊 653T 舒適型為例,更換後風擋玻璃所需費用(以北京地區的原廠配件流通價格為例,因地區差異此價格僅供參考)
原廠配件建議零售價:1280元
預計工時費用:230元
配件示意圖如下:
7,該車更換中控臺多少錢(材料+工時費)?
以2021款 別克GL8 ES陸尊 653T 舒適型為例,更換中控臺所需費用(以北京地區的原廠配件流通價格為例,因地區差異此價格僅供參考)
原廠配件建議零售價:6700元
預計工時費用:1800元
配件示意圖如下:
8,該車更換車門內拉手多少錢(材料+工時費)?
以2021款 別克GL8 ES陸尊 653T 舒適型為例,更換車門內拉手所需費用(以北京地區的原廠配件流通價格為例,因地區差異此價格僅供參考)
原廠配件建議零售價:197元
預計工時費用:120元
配件示意圖如下:
9,更換後霧燈多少錢(材料+工時費)?
以2021款 別克GL8 ES陸尊 653T 舒適型為例,更換後霧燈需要更換尾燈總成,更換尾燈所需費用(以北京地區的原廠配件流通價格為例,因地區差異此價格僅供參考)
原廠配件建議零售價:2420元
預計工時費用:400元
配件示意圖如下:
10,該車更換高位剎車燈多少錢(材料+工時費)?
以2021款 別克GL8 ES陸尊 653T 舒適型為例,更換高位剎車燈所需費用(以北京地區的原廠配件流通價格為例,因地區差異此價格僅供參考)
原廠配件建議零售價:351元
預計工時費用:130元
配件示意圖如下:
11,更換儀表臺空調出風口多少錢(材料+工時費)?
以2021款 別克GL8 ES陸尊 653T 舒適型為例,更換儀表臺空調出風口所需費用(以北京地區的原廠配件流通價格為例,因地區差異此價格僅供參考)
原廠配件建議零售價:458元/個
預計工時費用:200元/個
配件示意圖如下:
12,該車更換儀表盤多少錢(材料+工時費)?
以2021款 別克GL8 ES陸尊 653T 舒適型為例,更換儀表所需費用(以北京地區的原廠配件流通價格為例,因地區差異此價格僅供參考)
原廠配件建議零售價:3999元
預計工時費用:800元
配件示意圖如下:
13,該車更換音響系統多少錢(材料+工時費)?
以2021款 別克GL8 ES陸尊 653T 舒適型為例,更換音響系統所需費用(以北京地區的原廠配件流通價格為例,因地區差異此價格僅供參考)
原廠配件建議零售價:6730元
預計工時費用:2000元
配件示意圖如下:
14,該車更換天窗多少錢(材料+工時費)?
以2021款 別克GL8 ES陸尊 653T 舒適型為例,更換天窗所需費用(以北京地區的原廠配件流通價格為例,因地區差異此價格僅供參考)
原廠配件建議零售價:前2365元,後1866元
預計工時費用:900元
配件示意圖如下:
15,更換前門玻璃多少錢(材料+工時費)?
以2021款 別克GL8 ES陸尊 653T 舒適型為例,更換前門玻璃所需費用(以北京地區的原廠配件流通價格為例,因地區差異此價格僅供參考)
原廠配件建議零售價:512元
預計工時費用:120元
配件示意圖如下:
16,更換後門玻璃多少錢(材料+工時費)?
以2021款 別克GL8 ES陸尊 653T 舒適型為例,更換後門玻璃所需費用(以北京地區的原廠配件流通價格為例,因地區差異此價格僅供參考)
原廠配件建議零售價:490元
預計工時費用:120元
配件示意圖如下:
17,更換前門升降器多少錢(材料+工時費)?
以2021款 別克GL8 ES陸尊 653T 舒適型為例,更換前門升降器所需費用(以北京地區的原廠配件流通價格為例,因地區差異此價格僅供參考)
原廠配件建議零售價:520元
預計工時費用:230元
配件示意圖如下:
18,更換後門升降器多少錢(材料+工時費)?
以2021款 別克GL8 ES陸尊 653T 舒適型為例,更換後門升降器所需費用(以北京地區的原廠配件流通價格為例,因地區差異此價格僅供參考)
原廠配件建議零售價:624元
預計工時費用:260元
配件示意圖如下:
19,該車更換輪胎多少錢(材料+工時費)?
以2021款 別克GL8 ES陸尊 653T 舒適型為例,更換輪胎所需費用(以北京地區的原廠配件流通價格為例,因地區差異此價格僅供參考)
原廠配件建議零售價:890元/個
預計工時費用:100元/個
配件示意圖如下:
20,該車更換輪轂多少錢(材料+工時費)?
以2021款 別克GL8 ES陸尊 653T 舒適型為例,更換輪轂所需費用(以北京地區的原廠配件流通價格為例,因地區差異此價格僅供參考)
原廠配件建議零售價:2300元/個
預計工時費用:260元/個
配件示意圖如下:
21,更換ABS控制泵多少錢(材料+工時費)?
以2021款 別克GL8 ES陸尊 653T 舒適型為例,更換ABS控制泵所需費用(以北京地區的原廠配件流通價格為例,因地區差異此價格僅供參考)
原廠配件建議零售價:3478元
預計工時費用:650元
配件示意圖如下:
22,該車更換前防撞梁多少錢(材料+工時費)?
以2021款 別克GL8 ES陸尊 653T 舒適型為例,更換前防撞鋼樑所需費用(以北京地區的原廠配件流通價格為例,因地區差異此價格僅供參考)
原廠配件建議零售價:806元
預計工時費用:370元
配件示意圖如下:
23,該車更換後防撞梁多少錢(材料+工時費)?
以2021款 別克GL8 ES陸尊 653T 舒適型為例,更換後防撞鋼樑所需費用(以北京地區的原廠配件流通價格為例,因地區差異此價格僅供參考)
原廠配件建議零售價:585元
預計工時費用:280元
配件示意圖如下:
24,該車更換髮動機蓋多少錢(材料+工時費)?
以2021款 別克GL8 ES陸尊 653T 舒適型為例,更換髮動機蓋所需費用(以北京地區的原廠配件流通價格為例,因地區差異此價格僅供參考)
原廠配件建議零售價:4200元
預計工時費用:780元
配件示意圖如下:
25,該車更換前翼子板多少錢(材料+工時費)?
以2021款 別克GL8 ES陸尊 653T 舒適型為例,更換前翼子板所需費用(以北京地區的原廠配件流通價格為例,因地區差異此價格僅供參考)
原廠配件建議零售價:1680元+噴漆1200元
預計工時費用:700元
配件示意圖如下:
26,該車更換後翼子板多少錢(材料+工時費)?
以2021款 別克GL8 ES陸尊 653T 舒適型為例,更換後翼子板所需費用(以北京地區的原廠配件流通價格為例,因地區差異此價格僅供參考)
原廠配件建議零售價:5040元+噴漆2400元
預計工時費用:3700元
配件示意圖如下:
27,該車更換主駕安全氣囊多少錢(材料+工時費)?
以2021款 別克GL8 ES陸尊 653T 舒適型為例,更換主駕駛安全氣囊所需費用(以北京地區的原廠配件流通價格為例,因地區差異此價格僅供參考)
原廠配件建議零售價:5720元
預計工時費用:600元
配件示意圖如下:
28,該車更換副駕安全氣囊多少錢(材料+工時費)?
以2021款 別克GL8 ES陸尊 653T 舒適型為例,更換副駕駛安全氣囊所需費用(以北京地區的原廠配件流通價格為例,因地區差異此價格僅供參考)
原廠配件建議零售價:5720元
預計工時費用:600元
配件示意圖如下:
29,該車更換前排側氣囊多少錢(材料+工時費)?
以2021款 別克GL8 ES陸尊 653T 舒適型為例,更換前排側氣囊所需費用(以北京地區的原廠配件流通價格為例,因地區差異此價格僅供參考)
原廠配件建議零售價:2670元
預計工時費用:450元
配件示意圖如下:
30,該車更換方向機總成多少錢(材料+工時費)?
以2021款 別克GL8 ES陸尊 653T 舒適型為例,更換方向機所需費用(以北京地區的原廠配件流通價格為例,因地區差異此價格僅供參考)
原廠配件建議零售價:7800元
預計工時費用:1800元
配件示意圖如下:
31,該車更換髮動機多少錢(材料+工時費)?
以2021款 別克GL8 ES陸尊 653T 舒適型為例,更換髮動機所需費用(以北京地區的原廠配件流通價格為例,因地區差異此價格僅供參考)
原廠配件建議零售價:55900元
預計工時費用:9800元
配件示意圖如下:
32,該車更換汽缸墊多少錢(材料+工時費)?
以2021款 別克GL8 ES陸尊 653T 舒適型為例,更換汽缸墊所需費用(以北京地區的原廠配件流通價格為例,因地區差異此價格僅供參考)
原廠配件建議零售價:280元
預計工時費用:2700元
配件示意圖如下:
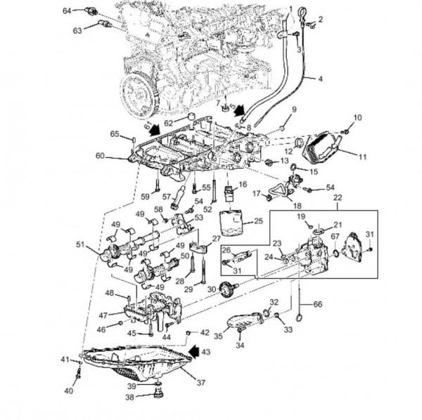
33,該車更換髮動機油底殼多少錢(材料+工時費)?
以2021款 別克GL8 ES陸尊 653T 舒適型為例,更換髮動機油底殼所需費用(以北京地區的原廠配件流通價格為例,因地區差異此價格僅供參考)
原廠配件建議零售價:716元
預計工時費用:480元
配件示意圖如下:
34,該車更換髮動機機腳膠多少錢(材料+工時費)?
以為例,更換髮動機機腳所需費用(以北京地區的原廠配件流通價格為例,因地區差異此價格僅供參考)
原廠配件建議零售價:509元/個
預計工時費用:260元/個
配件示意圖如下:
35,該車更換散熱水箱多少錢(材料+工時費)?
以2021款 別克GL8 ES陸尊 653T 舒適型為例,更換散熱水箱所需費用(以北京地區的原廠配件流通價格為例,因地區差異此價格僅供參考)
原廠配件建議零售價:1950元
預計工時費用:580元
配件示意圖如下:
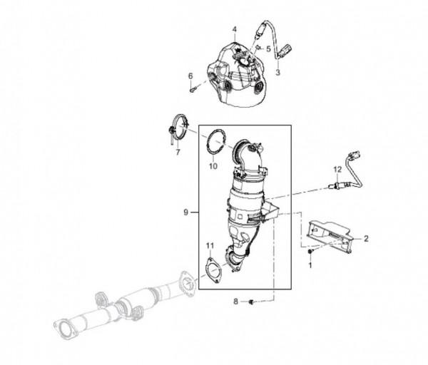
36,該車更換髮動機氧感測器多少錢(材料+工時費)?
以2021款 別克GL8 ES陸尊 653T 舒適型為例,更換髮動機氧感測器所需費用(以北京地區的原廠配件流通價格為例,因地區差異此價格僅供參考)
原廠配件建議零售價:前795元,後782元
預計工時費用:430元
配件示意圖如下:
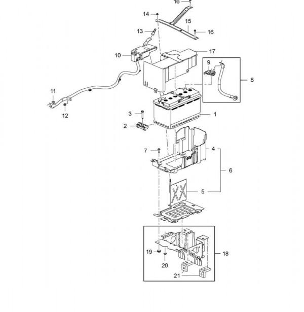
37,該車更換蓄電池多少錢(材料+工時費)?
以2021款 別克GL8 ES陸尊 653T 舒適型為例,更換蓄電池所需費用(以北京地區的原廠配件流通價格為例,因地區差異此價格僅供參考)
原廠配件建議零售價:875元
預計工時費用:70元
配件示意圖如下:
38,該車更換電機多少錢(材料+工時費)?
以2021款 別克GL8 ES陸尊 653T 舒適型為例,更換電機所需費用(以北京地區的原廠配件流通價格為例,因地區差異此價格僅供參考)
原廠配件建議零售價:2080元
預計工時費用:700元
配件示意圖如下:
39,該車更換行車電腦多少錢(材料+工時費)?
以2021款 別克GL8 ES陸尊 653T 舒適型為例,更換行車電腦所需費用(以北京地區的原廠配件流通價格為例,因地區差異此價格僅供參考)
原廠配件建議零售價:2496元
預計工時費用:600元
配件示意圖如下:
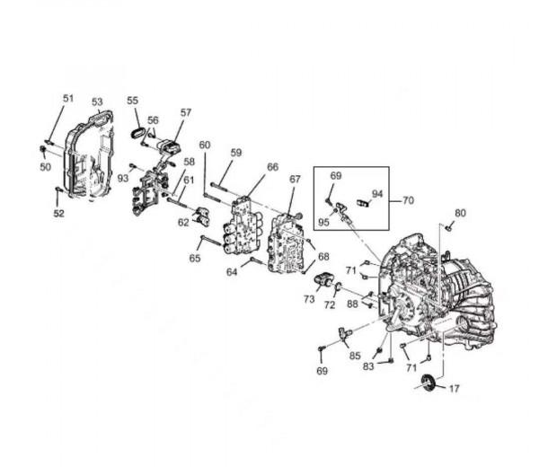
40,該車更換變速箱多少錢(材料+工時費)?
以2021款 別克GL8 ES陸尊 653T 舒適型為例,更換變速箱所需費用(以北京地區的原廠配件流通價格為例,因地區差異此價格僅供參考)
原廠配件建議零售價:46400元
預計工時費用:8000元
配件示意圖如下:
41,該車更換變速箱油底殼多少錢(材料+工時費)?
以2021款 別克GL8 ES陸尊 653T 舒適型為例,更換變速箱油底殼所需費用(以北京地區的原廠配件流通價格為例,因地區差異此價格僅供參考)
原廠配件建議零售價:671元
預計工時費用:530元
配件示意圖如下:
42,該車更換離合器片多少錢(材料+工時費)?
以2021款 別克GL8 ES陸尊 653T 舒適型為例,更換離合器片所需費用(以北京地區的原廠配件流通價格為例,因地區差異此價格僅供參考)
原廠配件建議零售價:7600元
預計工時費用:6000元
配件示意圖如下:
以上是別克GL8部分更換配件價格總結,廣大車友可以進行參考,做到心中有數,避免被坑,省心省力的維護好自己的愛車。










































 
			 
			 
			 
			 
			 
			 
			 
			 
			 
			 
			 
			 
			 
			 
			 
			 
			 
			