很多車主車輛出現故障後,修車無從下手,更換配件也不知道價格高低,今天我們就來了解一下唐DM這款車更換配件的價格彙總。
1,更換前擋風玻璃多少錢(材料+工時費)?
以2021款 唐DM 2.0T 四驅高效能版創世旗艦型為例,更換前擋玻璃所需費用(以北京地區的原廠配件流通價格為例,因地區差異此價格僅供參考)
原廠配件建議零售價:1875元
預計工時費用:400元
配件示意圖如下:
2,更換左右後視鏡總成多少錢(材料+工時費)?
以2021款 唐DM 2.0T 四驅高效能版創世旗艦型為例,更換左右後視鏡總成所需費用(以北京地區的原廠配件流通價格為例,因地區差異此價格僅供參考)
原廠配件建議零售價:769元/個
預計工時費用:350元
配件示意圖如下:
3,更換左右雨刮臂多少錢(材料+工時費)?
以2021款 唐DM 2.0T 四驅高效能版創世旗艦型為例,更換左右雨刮臂所需費用(以北京地區的原廠配件流通價格為例,因地區差異此價格僅供參考)
原廠配件建議零售價:左279元,右263元
預計工時費用:120元
配件示意圖如下:
4,更換前門外拉手多少錢(材料+工時費)?
以2021款 唐DM 2.0T 四驅高效能版創世旗艦型為例,更換前門外拉手所需費用(以北京地區的原廠配件流通價格為例,因地區差異此價格僅供參考)
原廠配件建議零售價:232元
預計工時費用:110元
配件示意圖如下:
5,更換後門外拉手多少錢(材料+工時費)?
以2021款 唐DM 2.0T 四驅高效能版創世旗艦型為例,更換後門外拉手所需費用(以北京地區的原廠配件流通價格為例,因地區差異此價格僅供參考)
原廠配件建議零售價:232元
預計工時費用:110元
配件示意圖如下:
6,該車更換後風擋玻璃多少錢(材料+工時費)?
以2021款 唐DM 2.0T 四驅高效能版創世旗艦型為例,更換後風擋玻璃所需費用(以北京地區的原廠配件流通價格為例,因地區差異此價格僅供參考)
原廠配件建議零售價:1533元
預計工時費用:400元
配件示意圖如下:
7,該車更換中控臺多少錢(材料+工時費)?
以2021款 唐DM 2.0T 四驅高效能版創世旗艦型為例,更換中控臺所需費用(以北京地區的原廠配件流通價格為例,因地區差異此價格僅供參考)
原廠配件建議零售價:6980元
預計工時費用:1600元
配件示意圖如下:
8,該車更換車門內拉手多少錢(材料+工時費)?
以2021款 唐DM 2.0T 四驅高效能版創世旗艦型為例,更換車門內拉手所需費用(以北京地區的原廠配件流通價格為例,因地區差異此價格僅供參考)
原廠配件建議零售價:179元
預計工時費用:90元
配件示意圖如下:
9,更換後霧燈多少錢(材料+工時費)?
以2021款 唐DM 2.0T 四驅高效能版創世旗艦型為例,更換後霧燈所需要更換尾燈總成,更換尾燈需費用(以北京地區的原廠配件流通價格為例,因地區差異此價格僅供參考)
原廠配件建議零售價:2271元
預計工時費用:400元
配件示意圖如下:
10,該車更換高位剎車燈多少錢(材料+工時費)?
以2021款 唐DM 2.0T 四驅高效能版創世旗艦型為例,更換高位剎車燈所需費用(以北京地區的原廠配件流通價格為例,因地區差異此價格僅供參考)
原廠配件建議零售價:779元
預計工時費用:230元
配件示意圖如下:
11,更換儀表臺空調出風口多少錢(材料+工時費)?
以2021款 唐DM 2.0T 四驅高效能版創世旗艦型為例,更換儀表臺空調出風口所需費用(以北京地區的原廠配件流通價格為例,因地區差異此價格僅供參考)
原廠配件建議零售價:563元/個
預計工時費用:240元/個
配件示意圖如下:
12,該車更換儀表盤多少錢(材料+工時費)?
以2021款 唐DM 2.0T 四驅高效能版創世旗艦型為例,更換儀表所需費用(以北京地區的原廠配件流通價格為例,因地區差異此價格僅供參考)
原廠配件建議零售價:3250元
預計工時費用:900元
配件示意圖如下:
13,該車更換音響系統多少錢(材料+工時費)?
以2021款 唐DM 2.0T 四驅高效能版創世旗艦型為例,更換音響系統所需費用(以北京地區的原廠配件流通價格為例,因地區差異此價格僅供參考)
原廠配件建議零售價:4269元
預計工時費用:1300元
配件示意圖如下:
14,該車更換天窗多少錢(材料+工時費)?
以2021款 唐DM 2.0T 四驅高效能版創世旗艦型為例,更換天窗所需費用(以北京地區的原廠配件流通價格為例,因地區差異此價格僅供參考)
原廠配件建議零售價:前3255元,後2876元
預計工時費用:860元
配件示意圖如下:
15,更換前門玻璃多少錢(材料+工時費)?
以2021款 唐DM 2.0T 四驅高效能版創世旗艦型為例,更換前門玻璃所需費用(以北京地區的原廠配件流通價格為例,因地區差異此價格僅供參考)
原廠配件建議零售價:437元
預計工時費用:130元
配件示意圖如下:
16,更換後門玻璃多少錢(材料+工時費)?
以2021款 唐DM 2.0T 四驅高效能版創世旗艦型為例,更換後門玻璃所需費用(以北京地區的原廠配件流通價格為例,因地區差異此價格僅供參考)
原廠配件建議零售價:437元
預計工時費用:130元
配件示意圖如下:
17,更換前門升降器多少錢(材料+工時費)?
以2021款 唐DM 2.0T 四驅高效能版創世旗艦型為例,更換前門升降器所需費用(以北京地區的原廠配件流通價格為例,因地區差異此價格僅供參考)
原廠配件建議零售價:579元
預計工時費用:350元
配件示意圖如下:
18,更換後門升降器多少錢(材料+工時費)?
以2021款 唐DM 2.0T 四驅高效能版創世旗艦型為例,更換後門升降器所需費用(以北京地區的原廠配件流通價格為例,因地區差異此價格僅供參考)
原廠配件建議零售價:579元
預計工時費用:350元
配件示意圖如下:
19,該車更換輪胎多少錢(材料+工時費)?
以2021款 唐DM 2.0T 四驅高效能版創世旗艦型為例,更換輪胎所需費用(以北京地區的原廠配件流通價格為例,因地區差異此價格僅供參考)
原廠配件建議零售價:2399元/個
預計工時費用:100元/個
配件示意圖如下:
20,該車更換輪轂多少錢(材料+工時費)?
以2021款 唐DM 2.0T 四驅高效能版創世旗艦型為例,更換輪轂所需費用(以北京地區的原廠配件流通價格為例,因地區差異此價格僅供參考)
原廠配件建議零售價:2875元/個
預計工時費用:200元/個
配件示意圖如下:
21,更換ABS控制泵多少錢(材料+工時費)?
以2021款 唐DM 2.0T 四驅高效能版創世旗艦型為例,更換ABS控制泵所需費用(以北京地區的原廠配件流通價格為例,因地區差異此價格僅供參考)
原廠配件建議零售價:4227元
預計工時費用:960元
配件示意圖如下:
22,該車更換前防撞梁多少錢(材料+工時費)?
以2021款 唐DM 2.0T 四驅高效能版創世旗艦型為例,更換前防撞鋼樑所需費用(以北京地區的原廠配件流通價格為例,因地區差異此價格僅供參考)
原廠配件建議零售價:786元
預計工時費用:450元
配件示意圖如下:
23,該車更換後防撞梁多少錢(材料+工時費)?
以2021款 唐DM 2.0T 四驅高效能版創世旗艦型為例,更換後防撞鋼樑所需費用(以北京地區的原廠配件流通價格為例,因地區差異此價格僅供參考)
原廠配件建議零售價:793元
預計工時費用:450元
配件示意圖如下:
24,該車更換髮動機蓋多少錢(材料+工時費)?
以2021款 唐DM 2.0T 四驅高效能版創世旗艦型為例,更換髮動機蓋所需費用(以北京地區的原廠配件流通價格為例,因地區差異此價格僅供參考)
原廠配件建議零售價:3270元
預計工時費用:900元
配件示意圖如下:
25,該車更換前翼子板多少錢(材料+工時費)?
以2021款 唐DM 2.0T 四驅高效能版創世旗艦型為例,更換前翼子板所需費用(以北京地區的原廠配件流通價格為例,因地區差異此價格僅供參考)
原廠配件建議零售價:1769元+噴漆500元
預計工時費用:800元
配件示意圖如下:
26,該車更換後翼子板多少錢(材料+工時費)?
以2021款 唐DM 2.0T 四驅高效能版創世旗艦型為例,更換後翼子板所需費用(以北京地區的原廠配件流通價格為例,因地區差異此價格僅供參考)
原廠配件建議零售價:3177元+噴漆1000元
預計工時費用:2800元
配件示意圖如下:
27,該車更換主駕安全氣囊多少錢(材料+工時費)?
以2021款 唐DM 2.0T 四驅高效能版創世旗艦型為例,更換主駕駛安全氣囊所需費用(以北京地區的原廠配件流通價格為例,因地區差異此價格僅供參考)
原廠配件建議零售價:3257元
預計工時費用:800元
配件示意圖如下:
28,該車更換副駕安全氣囊多少錢(材料+工時費)?
以2021款 唐DM 2.0T 四驅高效能版創世旗艦型為例,更換副駕駛安全氣囊所需費用(以北京地區的原廠配件流通價格為例,因地區差異此價格僅供參考)
原廠配件建議零售價:3169元
預計工時費用:800元
配件示意圖如下:
29,該車更換前排側氣囊多少錢(材料+工時費)?
以2021款 唐DM 2.0T 四驅高效能版創世旗艦型為例,更換前排側氣囊所需費用(以北京地區的原廠配件流通價格為例,因地區差異此價格僅供參考)
原廠配件建議零售價:1864元
預計工時費用:600元
配件示意圖如下:
30,該車更換方向機總成多少錢(材料+工時費)?
以2021款 唐DM 2.0T 四驅高效能版創世旗艦型為例,更換方向機所需費用(以北京地區的原廠配件流通價格為例,因地區差異此價格僅供參考)
原廠配件建議零售價:4792元
預計工時費用:1200元
配件示意圖如下:
31,該車更換髮動機多少錢(材料+工時費)?
以2021款 唐DM 2.0T 四驅高效能版創世旗艦型為例,更換髮動機所需費用(以北京地區的原廠配件流通價格為例,因地區差異此價格僅供參考)
原廠配件建議零售價:44369元
預計工時費用:8000元
配件示意圖如下:
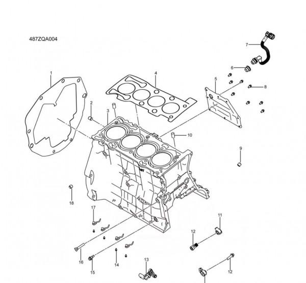
32,該車更換汽缸墊多少錢(材料+工時費)?
以2021款 唐DM 2.0T 四驅高效能版創世旗艦型為例,更換汽缸墊所需費用(以北京地區的原廠配件流通價格為例,因地區差異此價格僅供參考)
原廠配件建議零售價:347元
預計工時費用:2500元
配件示意圖如下:
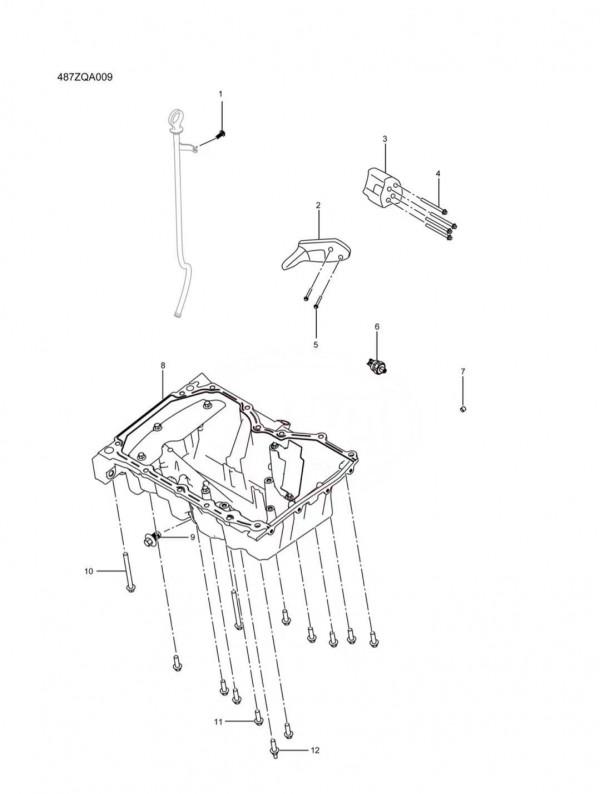
33,該車更換髮動機油底殼多少錢(材料+工時費)?
以2021款 唐DM 2.0T 四驅高效能版創世旗艦型為例,更換髮動機油底殼所需費用(以北京地區的原廠配件流通價格為例,因地區差異此價格僅供參考)
原廠配件建議零售價:673元
預計工時費用:450元
配件示意圖如下:
34,該車更換髮動機機腳膠多少錢(材料+工時費)?
以2021款 唐DM 2.0T 四驅高效能版創世旗艦型為例,更換髮動機機腳所需費用(以北京地區的原廠配件流通價格為例,因地區差異此價格僅供參考)
原廠配件建議零售價:436元/個
預計工時費用:257元/個
配件示意圖如下:
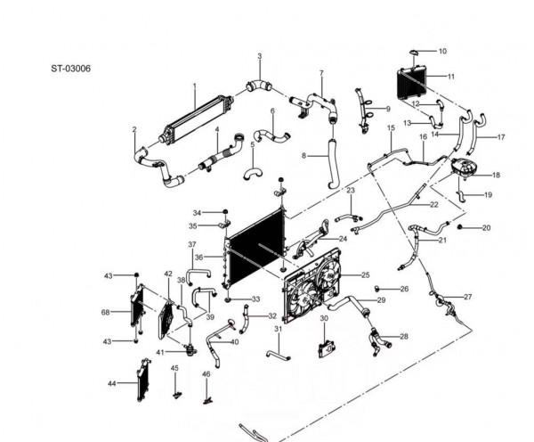
35,該車更換散熱水箱多少錢(材料+工時費)?
以2021款 唐DM 2.0T 四驅高效能版創世旗艦型為例,更換散熱水箱所需費用(以北京地區的原廠配件流通價格為例,因地區差異此價格僅供參考)
原廠配件建議零售價:1657元
預計工時費用:700元
配件示意圖如下:
36,該車更換髮動機氧感測器多少錢(材料+工時費)?
以2021款 唐DM 2.0T 四驅高效能版創世旗艦型為例,更換髮動機氧感測器所需費用(以北京地區的原廠配件流通價格為例,因地區差異此價格僅供參考)
原廠配件建議零售價:前897元,後834元
預計工時費用:500元
配件示意圖如下:
37,該車更換蓄電池多少錢(材料+工時費)?
以2021款 唐DM 2.0T 四驅高效能版創世旗艦型為例,更換蓄電池所需費用(以北京地區的原廠配件流通價格為例,因地區差異此價格僅供參考)
原廠配件建議零售價:895元
預計工時費用:80元
配件示意圖如下:
38,該車更換電機多少錢(材料+工時費)?
以2021款 唐DM 2.0T 四驅高效能版創世旗艦型為例,更換電機所需費用(以北京地區的原廠配件流通價格為例,因地區差異此價格僅供參考)
原廠配件建議零售價:2875元
預計工時費用:900元
配件示意圖如下:
39,該車更換行車電腦多少錢(材料+工時費)?
以為例,更換行車電腦所需費用(以北京地區的原廠配件流通價格為例,因地區差異此價格僅供參考)
原廠配件建議零售價:4662元
預計工時費用:800元
配件示意圖如下:
40,該車更換變速箱多少錢(材料+工時費)?
以2021款 唐DM 2.0T 四驅高效能版創世旗艦型為例,更換變速箱所需費用(以北京地區的原廠配件流通價格為例,因地區差異此價格僅供參考)
原廠配件建議零售價:36557元
預計工時費用:8000元
配件示意圖如下:
41,該車更換變速箱油底殼多少錢(材料+工時費)?
以2021款 唐DM 2.0T 四驅高效能版創世旗艦型為例,更換變速箱油底殼所需費用(以北京地區的原廠配件流通價格為例,因地區差異此價格僅供參考)
原廠配件建議零售價:659元
預計工時費用:430元
配件示意圖如下:
42,該車更換離合器片多少錢(材料+工時費)?
以2021款 唐DM 2.0T 四驅高效能版創世旗艦型為例,更換離合器片所需費用(以北京地區的原廠配件流通價格為例,因地區差異此價格僅供參考)
原廠配件建議零售價:6743元
預計工時費用:6000元
配件示意圖如下:
以上是唐DM部分更換配件價格總結,廣大車友可以進行參考,做到心中有數,避免被坑,省心省力的維護好自己的愛車。










































 
			 
			 
			 
			 
			 
			 
			 
			 
			 
			 
			 
			 
			 
			 
			 
			 
			 
			