摘要:J519車身電器控制單元故障。
故障現象: 根據使用者描述車輛空調系統完全不製冷
故障診斷過程:
1、 首先用 VAS5052A 進行檢測, 發動機控制單元有 1 個故障程式碼: 。
16891—怠速控制轉速超出規定值 偶發;
2、 檢查 09-車身電器控制單元 J519,有 1 個故障程式碼:
01117—發電機端子的負載訊號 DF 不可信訊號 偶發;
3、 讀取 J519 資料流第 2 組,如下圖所示:
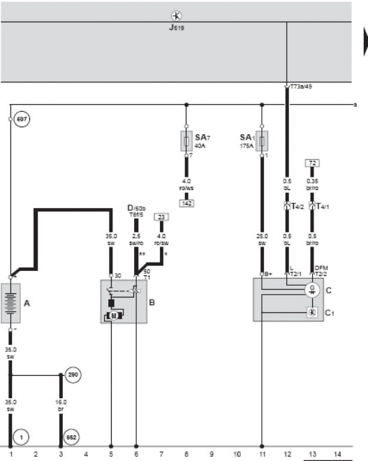
4、結合電路圖檢查:測量發電機連線到 J519 控制單元的導線未發現斷路現象,測量電壓為 13.8V,判斷故障為 J519 控制單元損壞。
5、 更換新的 J519 控制單元以後,重新讀取資料流如下:
故障原因分析: J519 車身電器控制單元損壞,識別發電機的電壓訊號為 11.8V,並進入能源管理模式,造成空調斷電無法工作。
故障處理方法:更換J519。
案例點評及建議:新寶來 J519 識別到發電機電壓過低訊號時, 進入能源管理模式,並非立即關閉空調系統。
