一輛2018年法拉利488GTB,客戶反映:該車鎖車後高位制動燈仍然會有微微亮起,在地下車庫尤為明顯,是否存在漏電。故障現象如圖1所示。
故陳診斷:首先確認車輛在鎖車狀態下,在相對昏暗的環境中可以明顯看到高位制動燈的微亮狀態。進店後用專用檢測儀DEIS檢測車輛,讀取制動控制系統和車身控制系統等無故障記錄。車輛制動燈控制正常,檢測漏電電流在正常範圍之內(10-20mA)。
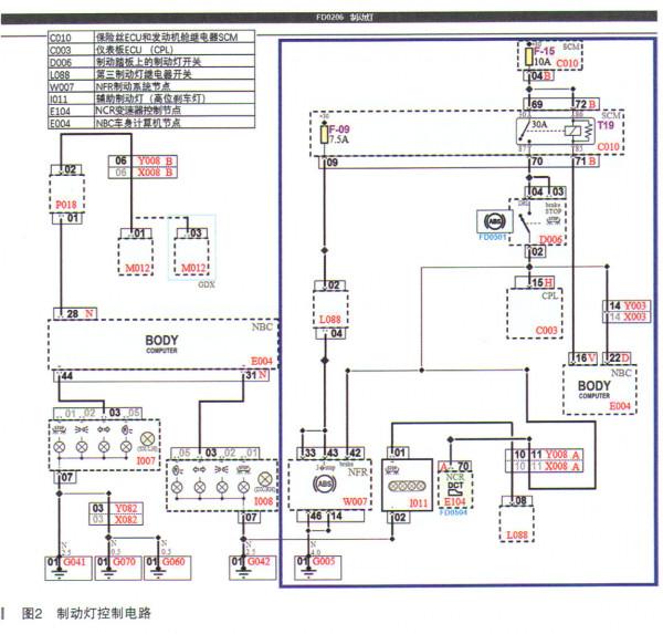
1.電路圖及功能原理
燈光的控制原理往往比較簡單容易理解,制動燈由制動燈開關控制。查詢該車制動燈控制電路(如圖2所示)可知,該車高位制動燈由獨立的電路支路控制,它由制動燈開關D006傳送訊號到W007 NFR制動控制模組和NBC車身控制模組,NFR再發送控制訊號給L088第三制動燈繼電器開關,控制繼電器L088的8針腳輸出控制電壓點亮I011高位制動燈。
在這個電路圖中,分析最有可能的原因有兩個:一是電路中存在串線漏電導致電路相通,高位制動燈的供電線路對正極短路接觸不良;二是L088第三制動燈繼電器控制電路存在故障。L088位於手套箱右內側,如圖3所示。在移除L088後,原來微亮的高位制動燈熄滅。
檢查發現此繼電器不同於我們常見的繼電器,該繼電器同樣有4個針腳,但標號不同,沒有線圈且只有散熱片。後經查詢,該繼電器為固態繼電器,如圖4所示。
至此似乎可以判斷為L088高位制動燈繼電器開關控制電路存在故障或者其本身存在故障,於是對其控制電路進行測量,發現繼電器2號針腳和4號針腳存在一個微弱的電壓0.62V。在短接2號和8號針腳時第三制動燈點亮。測量繼電器阻值,只有2號針腳和4號針腳存在約為1.1kΩ的阻值,其他針腳之間阻值無窮大。由此可以確定2號和4號針腳為固態繼電器控制端(如圖5所示)。
根據電路圖檢查發現繼電器4號針腳來自NFR制動控制節點,於是我們進行拆檢制動控制節點NFRONFR位於行李箱右側,需拆行李箱右側外部飾板(如圖6所示),檢查NFR線束針腳並無異常。 當踩下制動燈開關時,繼電器2號針腳和4號針腳之間的電壓為電源電壓12V。這裡我們也是走了一個彎路,總是懷疑是不是模組有問題,不踩下制動也有一個0.62V的輸出控制。直到後來移除NFR插頭之後,高位制動燈依然微微亮起,故障現象依舊。而4號針腳是控制訊號,測量把4號針腳移除前後的輸出針腳8的對地電壓分別為4.73V和4.74V(如圖7所示)。看起來區別不大。而在此同時觀察原先的故障現象沒有任何變化,一直存在。說明此故障跟輸入訊號沒有任何關聯。
經諮詢工廠技術人員,說明此現象為正常,是由於固態繼電器引起的。也對比了其他同款車型,發現此現象同樣存在。最終我們也做了個實驗,證實此現象是由於固態繼電器的輸出特性以及二極體的點亮特性造成的。固態繼電器在低阻的發光二極體串聯下與電源構成迴路而產生一個0.62V的壓差,反過來發光二極體的點亮條件是最少0.5V。此時已經滿足點亮條件,所以它會微微亮起。正常白天的環境很難看出,但在昏暗的地下室尤為明顯,如圖8所示。
查詢固態繼電器的工作原理如下:
固態繼電器是用半導體器件代替傳統電接點作為切換裝置的具有繼電器特性的無觸點開關器件,單相SSR為四端有源器件,其中兩個輸入控制端,兩個輸出端,輸入輸出間為光隔離,輸入端加上直流或脈衝訊號到一定電流值後,輸出端就能從斷態轉變成通態。
固態繼電器(Solid State Rela,縮寫SSR)是由微電子電路、分立電子器件、電力電子功率器件組成的無觸點開關;是一種兩個接線端為輸入端,另兩個接線端為輸出端的四端器件,中間採用隔離器件實現輸入輸出的電隔離。固態繼電器的輸入端用微小的控制訊號,達到直接驅動大電流負載。在本文中,固態繼電器控制端為3號針腳(如圖9所示),也就是從NFR過來的接地控制訊號,針腳2位輸出至高位制動燈,針腳1和5內部透過相關電路相通。所以當低阻值的二極體連線在輸出電路迴路中,透過二極體(高位制動燈)的電流與接地構成迴路造成二極體微微亮起。
故障總結:很簡單的功能問題,也是最常見的燈光問題,一個簡單的迴路構成卻繞了挺大一個圈。還是對於此類電子控制的不熟悉,基礎理論不紮實。從一開始以為漏電到懷疑控制模組有問題,到最終結論是此現象正常,真的讓人啼笑皆非。未來車輛電子裝配會越來越多,對一線工作人員的綜合診斷能力要求也是越來越局。
由於個人經驗不足,本文難免有疏漏之處,請廣大同行及老師指正。也希望能給各位一線的師傅帶來啟發和幫助!
