一輛行駛里程約1.5萬km、配置前後雙電機、四輪驅動系統的2019年賓士EQC400。客戶反映:該車行駛中儀表突然報警,並且前部有嗡嗡異響,啟動無異常。
故障診斷:接車後,驗證故障現象,啟動車輛,儀表有高壓蓄電池報警,如圖1所示。
連線診斷儀對電控系統進行快速測試,有相關故障碼如圖2所示。
分析故障碼有很明顯的指向,說明車輛的絕緣系統出現了問題。這是一個常見的純電動車經常出現的問題,檢查實際值也發現了問題,其實際值如圖3所示。
由於是新車型我們還是一起來學習一下賓士純電EQC車型的一些功能原理,這樣我們才能很好地診斷故障。
賓士EQC是賓士最新一代純電動車型,配置的是前後非同步電機、四輪驅動系統,配置80kWh的銼離子電池,可以交直流充電,交流充電最大可達7.4kW,直流充電最大可達110kW。賓士EQC的高壓部件圖的分佈,如圖4所示。
圖中的N83/11是交流充電控制單元,N116/5是直流充電控制單元,N129/1是後部驅動電機,N129/2是前部驅動電機,N33/4、N33/5分別是車內加熱器和高壓蓄電池的加熱器,N83/1是直流/直流轉換器(把高壓電轉換為低壓電)。
賓士EQC純電動車型的絕緣電阻監測都是圍繞著高壓部件進行的,高壓部件包括高壓控制單元、高壓線路。絕緣電阻由高壓蓄電池的管理控制單元進行監控,當電阻值100~500Ω/V時發出黃色資訊以作警告,當電阻值小於100Ω/V時車輛發出紅色警告,關閉點火開關後,車輛無法啟動,黃色的警告燈可以啟動車輛,以上數字是經過換算過來的,與車輛的最高電壓有關。
大致瞭解了EQC的高壓系統結構,接下來開始診斷,這個故障是一個單一故障,可以按照故障碼一步步地進行,故障碼導向如圖5所示。
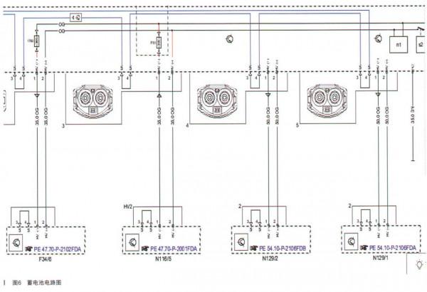
導向的意思是分別檢查高壓部件的絕緣電阻,從導向測試可以看出部件幾乎就是EQC的高壓部件,絕緣電阻的測量是有一定的固定方法的,那就是分割排除法,具體到這款車就是以蓄電池控制單元為中心測量法。為什麼以蓄電池為中心呢?因為蓄電池連線了各種高壓部件,好分割。蓄電池的電路圖如圖6所示。
圖中的F34/6就是前部的高壓電保險絲分配盒,裡面連線了空調壓縮機、前部的兩個加熱器、直流/直流轉換器,其電路圖如圖7所示。
所以只需要在高壓蓄電池插頭處測量F34/6的絕緣電阻就可以了。測量絕緣電阻還有專門的工具,那就是絕緣電阻測試表(如圖8所示)。
測量高壓電絕緣電阻的萬用表必須能產生500V的電壓,這樣才能測量其絕緣電阻。並且測量的時候,還有專門的規定,高壓線有兩根,分為正負極,在高壓部件內形成迴路,測量絕緣電阻時,一支表筆連線車身接地,另一隻表筆連線到高壓部件的正極端測量,之後,負極的測量如出一轍。但是不能在高壓部件正負極之間測量絕緣電阻,因為會引起短路,損壞部件。
測量發現前軸電機的絕緣電阻為0.1 MΩ,不正常。一般要大於1MΩ。其餘高壓部件絕緣電阻正常。更換前軸電機,車輛恢復正常。
故陳總結:此案例有兩個收穫,一個是EQC高壓部件的佈置結構形式,第二個是絕緣電阻的測量方法。純電動車型報故障都有一定的規律可行,只要弄懂了診斷故障都比較容易。
