一輛行駛里程約2.5萬km、搭載M256.930型發動機的2020年梅賽德斯賓士S350。車主反映:該車開啟空調時無法調節空氣分配,空調風一直吹向擋風玻璃。
故障診斷:維修技師接車後,使用Xentry進行快速測試,發現空調控制模組中存有大量與風門促動電機和LIN匯流排1相關的故障碼(圖1),一部分為當前故障,一部分為已儲存的故障。執行故障碼刪除後再次進行快速測試,與風門促動電機相關的故障碼均為“已儲存”狀態,與LIN匯流排1相關的故障碼均為“當前故障”。根據故障碼的提示資訊,懷疑所報故障的空氣風門促動電機有可能在一條LIN總線上。LIN匯流排出現故障時,相關的風門促動電機無法通訊,所以儲存了資訊缺失的故障碼。
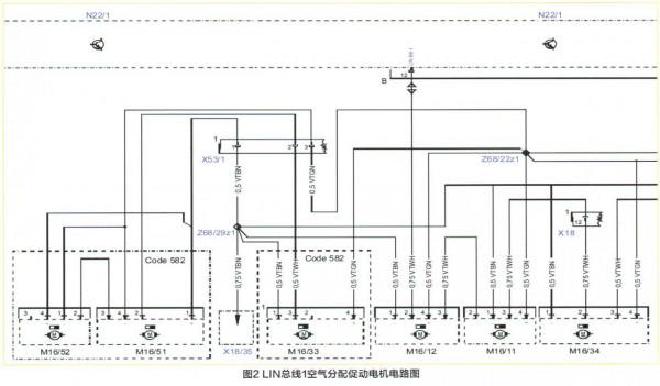
為了驗證上述猜想,筆者查閱了故障車型空調控制模組N22/1的電路圖(圖2),Z68/22z1為電機12V供電節點,Z68/29z11為電機接地節點,測量M16/12的2號腳對地電壓為12AV,正常;端對端電阻為0.1Ω,正常;1號腳對地電阻0.2Ω,正常。透過一個電機的測量可以初步判斷供電搭鐵線路正常,但是不排除節點存在虛接的情況。再來看LIN匯流排1的線路,LINB8-1從N22/1空調模組B插頭的12號針腳出,進入M16/12右側A柱空氣分配伺服電機的2號腳,再從M16/12的3號針腳出,連線至M16/11左側A柱空氣分配促動電機的2號腳,再從3號腳連線至M 16/34右側B柱空氣分配促動電機。以此類推。
根據電路圖上的順序對各個電機進行排序,如圖3所示。從N22/1空調模組LINB8-1起,M16/12右側A柱空氣分配促動電機→M16/11左側A柱空氣分配促動電機→M16/34右側B柱空氣分配促動電機→M 16/33左側B柱空氣分配促動電機→M 16/51左後排中部出風口促動電機→M16/52右後排中部出風口促動電機。排序後只要從主模組這一邊依次拔下電機插頭,拔到哪個電機系統恢復正常即可快速縮小故障範圍。
由於M16/12右側A柱空氣分配促動電機最靠近N22/1空調模組,也相對比較好拆解。拆下手套箱後,我們在N22/1的B插頭12號腳上測量LIN線波形,這樣可以更加直觀地看出系統是否恢復正常。如圖4所示,藍色為所測的故障LIN波形,紅色的為標準波形,無論是電壓拉低的頻率還是幅值都不正常。
斷開M16/11左側A柱空氣分配促動電機插頭後,LIN波形正常,如圖5所示,說明故障在M16/11到M 16/52之間。查閱日柱空氣分配促動電機位置圖(圖6),拆下副駕座椅,斷開M 16/34右側B柱空氣分配促動電機後波形正常,說明故障還在後面,繼續拆下主駕駛室座椅。
拆卸主駕駛室座椅時,發現主駕駛室地毯非常潮溼,取下座椅後發現,整個B柱空氣分配促動電機都浸在水中,且電機插針處有藍色鏽蝕痕跡(圖7)。斷開進水的插頭後,吹乾插頭上的水跡,重新對車輛進行快速測試,空調電腦不再報與LIN匯流排相關的故障碼,只剩下因為斷開插頭產生的中部出風口電機和斷開插頭的B柱空氣分配促動電機失去通訊的故障碼。確認了導致LIN通訊錯誤的故障點後,還要繼續查詢車內進水的原因。
檢查空調冷凝器水管,沒有脫開。詢問車主最近有沒有雨天沒有關窗戶的情況,車主反映有一次大雨天左後窗戶沒關。至此,已搞清車內進水的原因不是車輛漏水等異常情況所致,排除再次進水的隱患。拆卸全車地毯後處理進水線束,並更換空氣分配促動電機後試車,空調出風調節正常;用診斷儀進行快速檢測,全車沒有故障碼,該車故障被徹底排除。
維修小結:
本案例故障比較典型。由於該車的空調空氣分配促動電機從物理形式上來說是串聯的,當我們嘗試斷開中間的一個電機如M 16/34,那麼M16/34之後的電機都不會工作,只要將M 16/34插頭上的LIN線短接(2號與3號),之後的電機均工作正常。這次故障排除就是利用了這個特點。我們已經發現LIN通訊存在故障,但是不能確認故障在這一條線路中哪個點時,可以依次斷插頭,將故障電機從LIN匯流排中剔除出來,從而來縮小範圍。當然,還得藉助診斷儀和示波器來進行輔助分析。
