一輛行駛里程約4.9萬km、配置2.0L LTD發動機的2015年雪佛蘭邁銳寶轎車。客戶反映:該車在正常行駛過程中儀表會出現間歇性水溫表、發動機轉速錶不工作,防滑故障燈點亮和駐車制動故障燈點亮,儀表提示“請維修助力轉向小心駕駛”等情況,如圖1所示。
出現故障時發動機會自動加速和散熱器風扇常轉等現象,但發動機可以正常加速。
故障診斷:詢問客戶故障發生的時間、地點、現象、頻次,客戶反映故障前一天沒有出現任何徵兆,在行駛過程中突然出現的,靠邊停車並重新啟動後又恢復正常,又行駛不到4km時出現相同現象。
車輛拖回來後一開始試車並沒有出現故障,後期試車在不平路面時出現一下後馬上恢復正常了,回站後高頻率地間歇性出現。
查詢車輛維修記錄,表明該車均完成維修,檢查相關線束等未發現異常,也無相關加裝件等。
將診斷儀(GDS)與車輛連線,讀取故障碼時有多個U類故障碼,U0073 CAN匯流排通訊和U0128與駐車制動控制模組失去通訊故障碼一直存在(如圖2所示),並且儀表上駐車制動檢修燈一直點亮。
查閱維修通訊和TAC技術簡報,未發現類似故障的維修資訊和解決方案。
按照維修手冊推薦的診斷流程診斷,斷開蓄電池負極,測量DLC的高速網路通訊線6號端子和14號端子的電阻為60Ω,正常。
利用網路診斷工具對6號、14號端子高速網路監測,結果發現CAN-L訊號電壓會被無故拉高,說明網路通訊中可能存在著被幹擾等故障,如圖3所示。
測量高速網路通訊線未對電源短路,未對地短路,車輛也未有進水的跡象。
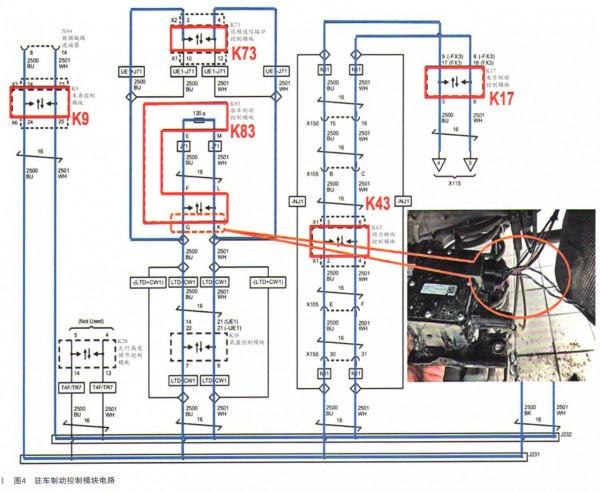
由於一直報與駐車制動控制模組失去通訊故障,故先檢查駐車制動控制模組及線路(如圖4所示)。當斷開駐車制動控制模組時,除了駐車制動控制模組本身無通訊以外,其他模組均正常通訊,並且儀表各指示燈也工作正常了,故障消失,說明故障可能為駐車制動控制模組。
與其他正常車輛互換駐車制動控制模組,試車故障依舊,著車後儀表故障燈報警。 為了排除駐車制動控制模組所控制的用電器或導線問題引起的故障,遂斷開駐車制動控制模組插頭上的其他端子(除了供電和接地、網路線),試車故障依舊。 重新梳理診斷思路,開發新的診斷流程,如圖5所示。
重新梳理高速網路上的模組和線路,逐一將高速網路上的其他模組斷開,從而檢視故障現象。
當檢查安吉星模組時,發現安吉星模組的X2插頭處於鬆動狀態,未完全入位,如圖6所示。
根據上述檢查結果,安吉星模組的X2插頭重新安裝到位後試車故障消失,車輛恢復正常。
故障總結:由於安吉星模組安裝後備箱內上方,可能客戶在後備箱內放物品時無意間與安裝在後備箱的安吉星模組發生干涉,導致安吉星模組X2插頭鬆動,從而出現了高速網路線訊號失真現象。
高速網路通訊CAN-L電壓升高至3.5V左右的“干擾”故障比較少見,對電源、對地一般不會出現該類似的現象電壓。綜上所述,可先檢查網路上的其他模組工作是否正常。
