sponsored links

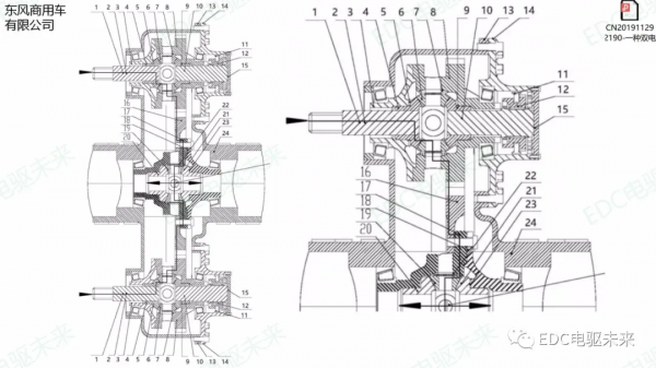
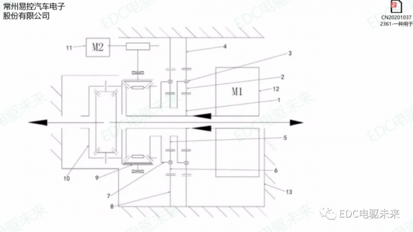
「技研」新能源電驅系統專利剖析

「技研」新能源電驅系統專利剖析

「技研」新能源電驅系統專利剖析

「技研」新能源電驅系統專利剖析

「技研」新能源電驅系統專利剖析

「技研」新能源電驅系統專利剖析

「技研」新能源電驅系統專利剖析

「技研」新能源電驅系統專利剖析

「技研」新能源電驅系統專利剖析

「技研」新能源電驅系統專利剖析

「技研」新能源電驅系統專利剖析

「技研」新能源電驅系統專利剖析

「技研」新能源電驅系統專利剖析

「技研」新能源電驅系統專利剖析

「技研」新能源電驅系統專利剖析

「技研」新能源電驅系統專利剖析

「技研」新能源電驅系統專利剖析

「技研」新能源電驅系統專利剖析

「技研」新能源電驅系統專利剖析

「技研」新能源電驅系統專利剖析

「技研」新能源電驅系統專利剖析

「技研」新能源電驅系統專利剖析

「技研」新能源電驅系統專利剖析

「技研」新能源電驅系統專利剖析

「技研」新能源電驅系統專利剖析

「技研」新能源電驅系統專利剖析

「技研」新能源電驅系統專利剖析

「技研」新能源電驅系統專利剖析

「技研」新能源電驅系統專利剖析

「技研」新能源電驅系統專利剖析

「技研」新能源電驅系統專利剖析

「技研」新能源電驅系統專利剖析

「技研」新能源電驅系統專利剖析

「技研」新能源電驅系統專利剖析

「技研」新能源電驅系統專利剖析

「技研」新能源電驅系統專利剖析

來源:EDC電驅未來

分類: 財經
時間: 2021-11-22

相關文章

每經15點丨國家發展改革委、國家能源局聯合開展能源保供穩價工作督導;有關部門調低旺季電廠存煤標準,用煤高峰期存煤上限不高於12天

每經15點丨國家發展改革委、國家能源局聯合開展能源保供穩價工作督導;有關部門調低旺季電廠存煤標準,用煤高峰期存煤上限不高於12天
每經編輯:胡玲 1丨國家發展改革委.國家能源局聯合開展能源保供穩價工作督導 每經AI快訊,據發改委網站,近期,國家發展改革委.能源局聯合派出督導組,赴相關重點省份和企業.港口開展能源保供穩價工作督導. ...

為吸引外國遊客,泰國推出“沙盒計劃”,能拯救泰國經濟嗎?

為吸引外國遊客,泰國推出“沙盒計劃”,能拯救泰國經濟嗎?
列位歡迎來到照理說事. 新冠疫情已經快兩年時間了,說實話,去年年初的時候真的很少有人能夠想到這場疫情會延續如此長的時間.今天更嚴重的一個問題是沒有人知道他將在什麼時候徹底離我們而去.即便我國控制的如此 ...

《中俄製造》第2季——俄雅羅斯拉夫爾市的中俄大型電源合作專案
來源:人民網-俄羅斯頻道 經濟.政治.安全.醫療.文化--中俄不斷開拓新的合作領域,但重點仍離不開兩國已合作數十年的傳統領域--能源. 四年前就已在俄羅斯雅羅斯拉夫爾市投入運營的華電捷寧斯卡婭熱電有限 ...

李桂雄:泰中兩國的經貿合作迎來新契機

李桂雄:泰中兩國的經貿合作迎來新契機
中新經緯9月21日電 21日,在2021全球華商"雲聚中秋.共話發展"線上聯播活動上,泰國中華總商會副主席暨各行業公會執行主任李桂雄表示,隨著去年RCEP的正式簽署,泰中兩國的經貿 ...

中老緬泰聯合打擊湄公河跨境犯罪

中老緬泰聯合打擊湄公河跨境犯罪
來源:人民日報 為有效打擊湄公河流域內偷渡.毒品和電信網路詐騙等跨境犯罪活動,近日,中老緬泰四國相關執法部門以第108次湄公河聯合巡邏執法行動為起點,正式啟動為期3個月的聯合打擊湄公河跨境犯罪專項行動 ...

豐田計劃在汽車中使用最新的太陽能電池板

豐田計劃在汽車中使用最新的太陽能電池板
據塔斯社10月12日報道,日本豐田汽車公司10月12日釋出訊息稱,該公司打算未來在他們的汽車中使用基於太陽能電池本身系統的高科技太陽能電池板. 圖片來自:baidu.com 據瞭解,豐田公司將與日本國 ...

李幼斌的親姐姐,國家一級演員,為何出道多年卻拒絕與弟弟合作?

李幼斌的親姐姐,國家一級演員,為何出道多年卻拒絕與弟弟合作?
娛樂是個圈,拋開千絲萬縷的資本關係不說.就連閃耀在這個行業的演員們,好多人都存在著親戚關係. 不知道是不是類似於"上陣父子兵"的道理,明星身邊的工作人員也喜歡啟用自己人,彷彿藉著這 ...

唯醫骨科與中國信通院達成合作 共同推動骨科醫療產業智慧化發展
近日,唯醫骨科與中國資訊通訊研究院(以下簡稱"中國信通院")達成戰略合作協議,雙方將在骨科醫療領域展開廣泛合作,聚焦骨科資料平臺建設以及骨科智慧化醫療器械科技創新,共同推動骨科醫療 ...

衡中老教師整理:初中生物會考考點彙總,列印背會,名校隨便上

衡中老教師整理:初中生物會考考點彙總,列印背會,名校隨便上
在初中階段,生物在副科中都不是很受到重視.生物其實是一門貼近生活的一門科目,生物的學習不僅僅對於學習又幫助,對於自然界有明確的認知. 生物是一門非常有趣的科目,首先就是要有興趣去學習.很多同學就是卡在 ...

“我們的教室”——記中三班幼兒合作建構活動

“我們的教室”——記中三班幼兒合作建構活動
升入中班後我們換了新的教室,建構區放在了大廳,空間寬敞了很多,同時也多了比較大的泡沫積木和紙磚.建構活動的活動體驗也有了全新的感受. 一聽老師說要玩區域了,幾個建構區的小朋友,"轟" ...

馬達西奇事件後,烏克蘭與中企達成新合作,烏專家:還是中國靠譜

馬達西奇事件後,烏克蘭與中企達成新合作,烏專家:還是中國靠譜
說起馬達西奇事件,可以說是烏克蘭為了抱上美國這條大腿,選擇採用將馬達西奇這家公司收歸國有的方式,來打壓中國的發展.馬達西奇事件發生以後,中國也第一時間把烏克蘭毀約的事上交到了國際仲裁,烏克蘭也對此付出 ...

中老年後,不想小腦萎縮找上門,要做好這5個預防措施,別忽視

中老年後,不想小腦萎縮找上門,要做好這5個預防措施,別忽視
小腦萎縮是神經內科的常見疾病,好發於中年人,主要誘因是腦部退行性病變,當其發病之後最典型的症狀為頭暈,健忘,反應遲緩和記憶力下降,由此勢必會影響到正常的生活. 正是如此,提醒中年人群,平日裡一定要做好 ...

憐月賞露怯鄉思,色難容易說孝道 | 在經典中老去
壹 可憐九月初三夜,露似珍珠月似弓. 又是一年九月,恰好相逢寒露,不免想到"露從今夜白,月是故鄉明". 對於那些遠離家鄉的遊子旅客來說,遇到這樣一個將要登高的月令,葉落歸根的圖景, ...

衡中老教授分享學習方法
1.語文不要忽略基礎(古詩.文言文詞語,字形字音),日常積累(平時可以摘抄美文美句可以多看名著多留心身邊的點點滴滴,美好就藏思其中),總結覆盤(把平日時做的題目分類總結,研究做題技巧) 2.數學:背牢 ...

寮國中華總商會常務副會長吳興華:做好長期與新冠疫情鬥爭準備

寮國中華總商會常務副會長吳興華:做好長期與新冠疫情鬥爭準備
中新經緯9月21日電 21日,在2021全球華商"雲聚中秋.共話發展"線上聯播活動上,寮國中華總商會常務副會長吳興華表示,要做好長期與新冠疫情鬥爭的準備. 寮國中華總商會常務副會長 ...

寮國為什麼不屬於“漢字文化圈”國家

寮國為什麼不屬於“漢字文化圈”國家
在古代喜馬拉雅山脈把世界分為兩部分:在喜馬拉雅山脈以西的中東.歐洲等地的基督教文明.猶太教文明.伊斯蘭教文明都屬於亞伯拉罕諸教的範疇:在喜馬拉雅山脈以東的東亞和東南亞國家則形成了以中國為核心的一套迥然 ...

一出手就擊中美國六寸,中俄開始去美元化,越來越多國家紛紛效仿

一出手就擊中美國六寸,中俄開始去美元化,越來越多國家紛紛效仿
美國現在的經濟正在處於緊張時刻,而這都是之前美國霸權主義所導致的後果.眾所周知,美國因為對國際石油的把控權,讓美國在國際上保持著主導地位.但是隨著美國越來越多的搞事情,不少國家紛紛對美國表示不滿.其中 ...

中俄合作再次升溫,俄羅斯拒絕歐美國家拉攏,決心和中國站在一起

中俄合作再次升溫,俄羅斯拒絕歐美國家拉攏,決心和中國站在一起
一直以來,美國和俄羅斯的關係就非常的微妙,時常互相威懾,但是又經常進行合作,很顯然,雙方只是在某些看待問題的角度上面有一些摩擦,但是卻並沒有觸及到對方的底線,所以依舊能夠保持表面上的風平浪靜,但是隨著 ...

對越自衛反擊戰中,有哪些國家公開支援中國?

對越自衛反擊戰中,有哪些國家公開支援中國?
十九世紀,英國首相帕麥斯頓曾經說過一句很經典的話:"大英帝國沒有永遠的朋友,只有永遠的利益." 而這句話現在已經成為了國與國之間相處的根本性原則. 自大航海時代開啟,沒有一個國家仍 ...

1959年美國核打擊計劃,870枚核彈覆蓋中國117城,有你家嗎?

1959年美國核打擊計劃,870枚核彈覆蓋中國117城,有你家嗎?
提起原子彈和氫彈它們的爆炸威力有多大? 人們對直觀的瞭解的就是二戰時期美國向日本投放的兩顆原子彈給日本帶來的巨大傷亡. 原子彈小男孩1945年8月6日投放.即使到了76年的今天,對日本造成的核輻射影響 ...