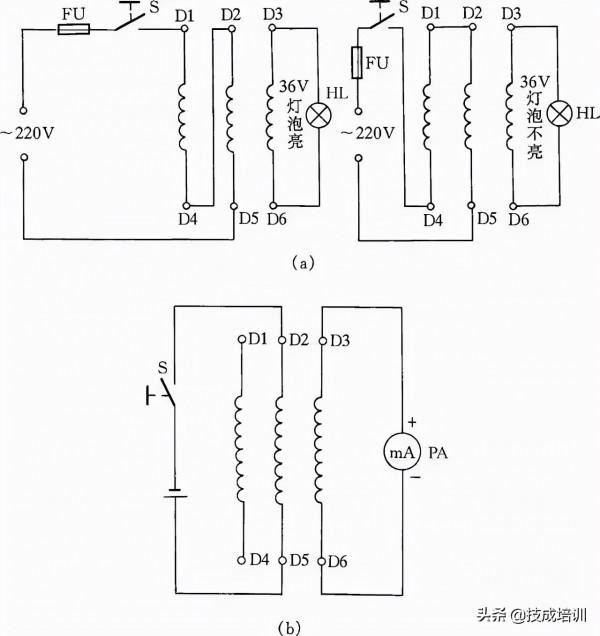
1.電動機接線
一般常用三相交流電動機接線架上都引出6個接線柱,當電動機銘牌上標為Y形接法時,D6、D4、D5相連線,D1~D3接電源;為△形接法時,D6與D1連線,D4與D2連線,D5與D3連線,然後D1~D3接電源。可參見圖1所示連線方法連線。
2.三相吹風機接線
有部分三相吹風機有6個接線端子,接線方法如圖2所示。採用△形接法應接入220V三相交流電源,採用Y形接法應接入380V三相交流電源。一般3英寸、3.5英寸、4英寸、4.5英寸的型號按此法接。其他吹風機應按其銘牌上所標的接法連線。
3.單相電容運轉電動機接線
單相電動機接線方法很多,如果不按要求接線,就會有燒壞電動機的可能。因此在接線時,一定要看清銘牌上註明的接線方法。
圖247為IDD5032型單相電容運轉電動機接線方法。其功率為60W,電容選用耐壓500V、容量為4μF的產品。圖3(a)為正轉接線,圖3(b)為反轉接線。
4.單相電容運轉電動機接線
圖4是JX07A-4型單相電容運轉電動機接線方法。電動機功率為60W,用220V/50Hz交流電源、電流為0.5A。它的轉速為每分鐘1400轉。電容選用耐壓400~500V、容量8μF的產品。圖4(a)為正轉接線,圖4(b)為反轉接線。
5.單相吹風機接線
有的單相吹風機引出4個接線端子,接線方法如圖5所示。採用並聯接法應接入110V交流電源,採用串聯接法應接入220V交流電源。
6.Y100LY系列電動機接線
目前,Y系列電動機被廣泛應用。Y系列電動機具有體積小、外形美觀、節電等優點。它的接線方式有兩種:一種為△形,它的接線端子W2與U1相連,U2與V1相連,V2與W1相連,然後接電源;另一種為Y形,接線端子W2、U2、V2相連線,其餘3個接線端子U1、V1、W1接電源。接線見圖6。
7.低壓變壓器短路保護線路
目前,機床的工作燈、行燈都採用低壓變壓器提供36V安全電壓,由於燈具在使用中經常移動,極易發生短路故障,造成熔斷器熔斷甚至燒壞變壓器。如果使用36V小型中間繼電器或36V交流接觸器做變壓器的通斷開關,可避免燒壞變壓器。線路如圖7所示。
工作原理:閉合S後,按下按鈕SB1,變壓器得電輸出36V低電壓,使得繼電器或交流接觸器KA吸合。放鬆按鈕SB1後,KA自鎖觸點使KA保持吸合,繼續給變壓器接通電源。如果變壓器次級發生短路故障,繼電器線圈電壓為零,此時KA便失電釋放,將變壓器電源斷開,保護變壓器不被破壞。
8.雙速電動機2Y/2Y接線方法
圖8所示是2Y/2Y電動機雙速定子線組的引出線接線方法。
按圖8(a)連線是一種轉速,按圖8(b)連線得到另一種轉速。
9.直流電磁鐵快速退磁線路
直流電磁鐵停電後,因有剩磁存在,有時會造成不良後果。因此,必須設法消除剩磁。圖9中,YA是直流電磁鐵線圈,KM是控制YA啟停的接觸器。KM吸合時,YA通電勵磁;KM復位時,YA斷直流電,並進行快速退磁。
快速退磁的工作原理是:直流電磁鐵斷電後,交流電源透過橋式整流器和YA向電容C充電,隨著電容C兩端電壓的不斷升高,充電電流越來越小,而透過YA的電流又是交變的,從而使電磁鐵快速退磁。電容C的容量要根據電磁鐵的實際情況現場試驗決定。R為放電電阻。
10.防止制動電磁鐵延時釋放線路
採用交流電磁鐵製動的三相非同步電動機有時會因制動電磁鐵延時釋放,造成制動失靈。造成電磁鐵延時釋放的原因是接觸器的主迴路電源雖被切斷,但電動機由於剩磁存在,定子繞組產生感應電動勢加在交流電磁鐵上,使電磁鐵不會立即釋放。解決方法很簡單,只要在交流電磁鐵線圈上串入一個交流接觸器常開觸點,使得斷開電動機電源的同時斷開電磁鐵與電動機繞組線圈,即可使電磁鐵立即釋放。線路參見圖10。
線路中YA為制動電磁鐵,在通電後,制動解除;在斷電後,YA立即制動。
11.他勵直流電動機失磁保護線路
他勵直流電動機勵磁電路如果斷開,會引起電動機超速,產生嚴重不良後果,因此需要進行失磁保護。
在勵磁電路內,串聯一個欠電流繼電器KI,其常開觸點接在控制電路中。當勵磁電流消失或減小到設定值時,KI釋放,KI常開觸點斷開,切斷電動機電樞電源,使電動機停轉,從而避免超速現象發生,見圖11。
12.缺輔助觸點的交流接觸器應急接線
當交流接觸器的輔助觸點損壞無法修復而又急需使用時,採用圖12中所示的接線方法,可滿足應急使用要求。按下SB1,交流接觸器KM吸合。放鬆按鈕SB1後,KM的觸點兼作自鎖觸點,使接觸器自鎖,因此KM仍保持吸合。圖中SB2為停止按鈕,在停止時,按動SB2的時間要長一點。否則,手鬆開按鈕後,接觸器又吸合,使電動機繼續執行。這是因為電源電壓雖被切斷,但由於慣性的作用,電動機轉子仍然轉動,其定子繞組會產生感應電動勢,一旦停止按鈕很快復位,感應電動勢直接加在接觸器線圈上,使其再次吸合,電動機繼續運轉。
接觸器線圈電壓為380V時,可按圖12(a)所示接線;接觸器線圈電壓為220V時,可按圖12(b)接線。圖12(a)的接線還有缺陷,即在電動機停轉時,其引出線及電動機帶電,使維修不大安全。因此,這種線路只能在應急時採用,並在維修電動機時,應斷開控制電動機的總電源開關QS,這一點應特別注意。
13.加密的電動機控制線路
為防止誤操作電氣裝置,並防止非操作人員啟動某些裝置開關按鈕,可採用加密的電動機控制線路,如圖13所示。操作時,首先按下SB1按鈕,確認無誤後,再同時按下加密按鈕SB3,這樣控制迴路才能接通,KM線圈才能吸合,電動機M才能轉動起來。而非操作人員不知其中加密按鈕(加密按鈕裝在隱蔽處),故不能操作此裝置開關。
14.交流接觸器低電壓啟動線路
當供電電壓在交流接觸器吸引線圈額定電壓的85%以下時,啟動接觸器銜鐵將跳動不止,不能可靠吸合,在交流接觸器的控制迴路中串聯一隻整流管,改為直流啟動交流執行,就可以避免上述問題。交流接觸器低電壓啟動線路如圖14所示。按下按鈕SB1,經二極體VD半波整流的直流電壓加在交流接觸器KM線圈上,KM吸合。其輔助觸點將二極體VD短接,交流接觸器投入交流執行。
因為啟動電流較大,所以這種線路只適用於操作不頻繁的場合。線路中,VD應選用耐壓大於700V的二極體,電流要根據交流接觸器線圈電流而定。
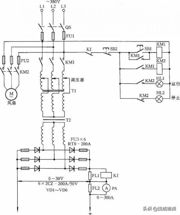
15.HF-4-81系列發電機控制線路
HF-4-81系列發電機控制線路如圖15所示,它與T2XV系列小型三相同步發電機配套。同步發電機的勵磁系統採用電覆合相復勵調壓。發電機端電壓經線性電抗器L移相,然後與發電機負荷電路中的電流互感器5TA~7TA二次電壓合成,經三相橋式整流器整流後,供發電機GS勵磁自動調壓。
16.單相電容電動機線路
單相電容電動機啟動轉矩大,啟動電流小,功率因數高,廣泛應用於家用電器中,如電風扇、洗衣機。為了便於維修安裝,現介紹這種電動機常用的接線方法。
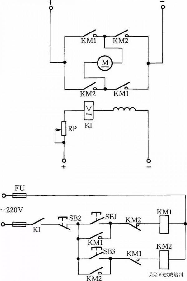
圖16(a)為可逆控制線路,操縱開關S2,可改變電動機的轉向,該線路一般用於家用洗衣機上。
圖16(b)為帶輔助繞組的接線線路,撥動開關S,可改變輔助繞組的抽頭,即改變主繞組的實際承受電壓,從而改變電動機的轉速,此接線方法常用於電風扇上。
圖16(c)為帶電抗器調速的電容電動機接線線路。由於電抗器繞組(其線上路中起到降壓作用)的串入,調節電抗器繞組的串入量,即可改變轉速。這種方法目前廣泛應用在家用電風扇線路中。在啟動電動機時一般先撥到“1”擋上,即為高擋,這時電抗器不接入線路,使電動機在全壓下啟動,然後再撥“2”擋或任何擋來調節電動機轉速。
17.混凝土攪拌機線路
錐型JZ350型攪拌機線路如圖17所示,工作原理是當把水泥、砂子、石子配好料後,操作人員按下按鈕2SBF後,2KMF接觸器線圈得電吸合,使上料捲揚電動機2M正轉,料斗送料起升。
當升到一定高度後,料斗擋鐵碰撞行程開關1SQ和2SQ,使2KMF斷電釋放。這時料斗已升到預定位置,把料自動倒到攪拌機內,並自動停止上升。此時操作人員按下下降按鈕2SBR時,捲揚系統帶動料斗下降,待下降到其料口與地面平齊時,擋鐵碰撞行程開關3SQ,使2KMR接觸器斷電釋放,自動停止下降,為下次上料做好準備,這時攪拌機料已備好,操作人員再按下3SB1,3KM接觸器得電吸合,使供水抽水泵電動機3M運轉,向攪拌機內供水,與此同時,時間繼電器KT得電工作,待供水與原料成比例後(供水時間由KT時間繼電器調整確定,根據原料與水的配比確定),KT動作延時結束,從而使3KM自動釋放,供水停止。加水完畢即可實施攪拌。按下1SBF正轉按鈕,1KMF得電吸合,1M正轉攪拌,攪拌完畢後按下1SB停止按鈕即可停止。出料時,按下1SBR按鈕,1M反轉即可把混凝土泥漿自動攪拌出來。然後按下1SB,接觸器1KMR斷電釋放,1M停轉,出料停止。
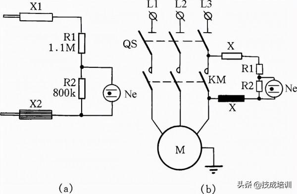
18.自制實用的絕緣檢測器
圖18所示是自制的絕緣檢測器線路,它既可用作線路絕緣監視,又可代替兆歐表檢查電機、測電器的絕緣電阻。當合上隔離開關QS,在相電壓作用下,整個繞組和接地外殼之間的洩漏電流流過絕緣層和電阻R1、R2。如果絕緣電阻合乎標準(即絕緣電阻值大於0.5MΩ),則洩漏電流很小時,在R2上的電壓降小於氖泡的點燃電壓,Ne不亮;當任意兩相或三相同時對機殼的絕緣電阻降低時,洩漏電流大增,使氖泡Ne點燃,從而可判定絕緣不合格。
19.三相非同步電動機改為單相執行線路
如果只有單相電源和三相非同步電動機供使用,可採用並聯電容的方法使三相非同步電動機改為單相執行。
如圖19所示:圖(a)為Y形接法電動機連線方法,圖(b)為△形接法電動機連線方法。為了提高啟動轉矩,將啟動電容CQ在啟動時接入線路中,在啟動完畢後退出。
工作電容CG容量的計算公式:
CG=1950I/Ucosφ(μF)
式中:I為電動機額定電流;U為單相電源電壓;cosφ為電動機的功率因數。當計算出工作電容後,啟動電容選用工作電容的1~4倍。
20.熱繼電器校驗臺
熱繼電器在長期通電過程中易出現熱老化現象,使其動作特性改變。要保持特性的一致性和穩定性,一個最重要的措施就是對熱繼電器進行定期校驗。
熱繼電器校驗臺如圖20所示,它主要由調壓器TV、降壓變壓器T、電位器RP、410型毫秒錶等元件組成。
三相雙金屬片(熱繼電器FR)應串聯起來,接入試驗迴路。校驗前,先檢查熱繼電器的刻度電流與電動機的額定電流是否相符。然後給熱繼電器通以1.05IN(額定電流,透過調整RP實現)電流,檢查其同步性,即三相雙金屬片是否同時接觸。如不同步,則用平口鉗鉗住雙金屬片與支架點焊處,來調整同步性。
同步性調好後,首先做啟動試驗,給熱繼電器FR通以6IN的電流,它在5s內不應動作;其次做執行試驗,給FR通以1.05IN電流,使熱繼電器加熱到穩定熱態,過30min後,慢慢地調節RP,使FR動作,再稍往回旋一點,使FR觸點斷開;再將試驗電流提高到1.2IN,此時FR應在20min內動作。這樣,熱繼電器的整定校驗方告結束。
調整校驗時應注意以下兩點:①不允許用鉗子鉗彎雙金屬片,以免影響保護的穩定;②校驗連線導線應有足夠的截面積,以免影響動作時間。
21.絕緣耐壓測試儀線路
這種絕緣耐壓測試儀可測燈具,將待測燈具與A、B兩接線柱接好,按下按鈕SB1,中間繼電器KA1得電並自鎖;然後將調壓器VT(1∶10,輸出0~250V)調至需測的電壓值,如需調到1500V則將VT調到電壓表指示150V(同理,作2000V耐壓時,調到電壓表指示200V),經時間繼電器KT延時後,電源自動切斷,見圖21。
若被測物絕緣擊穿,電流即迅速增加,過電流繼電器KI動作,KA2得電動作並自鎖,KA1失電,KA1的常開觸點切斷主迴路電源,蜂鳴器HA發出聲響,按下SB2後電路全部關斷。應用操作這種儀器時,要特別注意人身安全,工作通電時,高壓測試區禁止人靠近。
22.用一根導線傳遞聯絡訊號線路
在某些生產過程中,需要兩地的生產人員能傳遞簡單的資訊,以協調工作。圖22所示是用一根導線傳遞聯絡訊號線路。兩地中各有一隻雙擲開關控制訊號燈聯絡,訊號燈分別裝在兩地,一地一個。當甲地向乙地發聯絡訊號時,撥動開關S1,乙地的指示燈亮,待乙地完成甲地所指示的任務後,乙地可把開關撥至“聯絡”位置,通知甲地工作已完成。
23.用單線向控制室發訊號線路
圖23所示線路可使甲乙兩地都能向總控制室發聯絡訊號。當甲地向總控制室發訊號時,按下按鈕SB1,控制室的電鈴告警。同理當乙地向總控制室發訊號時按下SB2即可。甲乙兩地訊號可用訊號鈴聲的時間長短或次數區分。
24.利用熱繼電器製作限電器線路
熱繼電器多用於電動機過流保護,但在一些集體用電單位或用電場所也可作為限電器。
具體制作方法如圖24所示。熱繼電器手動復位時,需將熱繼電器復位螺絲旋出。選用熱繼電器的額定電流和使用者總的額定電流一致。
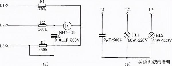
25.兩種自裝交流電源相序指示器
用電阻、電容、氖泡可組成一小型電源相序指示器。當電源按順相序L1、L2、L3接入時,氖燈就亮;按逆相序L2、L1、L3接入時則氖燈不亮。線路如圖25(a)所示。
第二種方法是:用一隻2μF、耐壓為500V的電容和兩隻相同功率(220V/60W)的白熾燈泡,便可做成一個交流電源相序指示器,見圖25(b)。
工作原理:由於電容移相,改變了其中一相的相位差,作用到HL1和HL2上的向量電壓不等,其規律是L2相向量電壓大於L3相向量電壓。故按圖25(b)連線後,電容接電源L1相,那麼可知燈泡光線較強的一端是L2相,光線弱的一端則為L3相。
26.測定電動機三相繞組頭尾的兩種方法
在電動機6根引出線標記無法確認時,我們可利用交流電源和燈泡檢查電動機三相繞組的頭尾端,以免將繞組接錯。
用交流電源和燈泡確定電動機三相繞組的方法是:首先用36V低壓燈做試燈,分出電動機每一相線圈的兩個線端,然後將兩相線圈串接後通入220V電源,剩下的一相線圈兩端接36V的燈泡線路通入電源後,燈泡發亮,說明所串聯的兩相是頭尾相接;燈泡不亮,說明是頭頭相接,如圖26(a)所示。然後將測出的兩相線圈頭尾做一標記,再按此方法將其中一相與原來接燈泡的一相線圈串聯,另一相連線燈泡,再按同樣道理判斷,電動機三相繞組的頭尾就很容易區分出來了。
另一種方法是用萬用表測定電動機三相繞組頭尾,首先用萬用表測量出電動機6個接線端哪兩個線端為同一相,然後將萬用表的直流毫安擋撥到最小一擋,並將表筆接到三相繞組的某一組兩端,而電池正負極接到另一相的兩個線端上。如圖26(b)所示,當開關S閉合瞬間,如錶針擺向大於零,則說明電池負極所接的線端與萬用表正極表筆所接的線端是同極性的(均可認為是頭)。依此類推,便可測出另外兩相的頭和尾。
27.用耳機、燈泡組成簡易測線通斷器
圖27(a)、(b)是最簡便的線路通斷檢測器。當測得導線通路時,燈泡會發光,耳機在通斷瞬時會發響;當線路斷路時,耳機不響,燈泡不亮。這種方法簡單易行,非常適合初學電工製作工具儀表或代替萬用表做測量,其優點是攜帶方便。
28.一種簡易測量導線通斷的接線方法
圖28所示是一感應測電筆線路。它可方便地測出導線的斷芯位置。在用來測導線斷芯位置時,在導線一端接上220V的電源相線,然後用感應測電筆的探頭柵極靠近被測導線,並沿線移動。如果發光二極體在移動中突然熄滅,那麼此處便是導線斷芯位置。
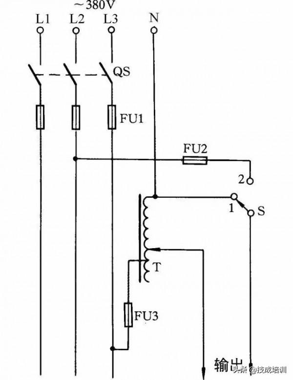
29.用行燈變壓器升壓或降壓一法
在某些地方,因網路電壓長期較低或者是由於夜間用電量減少,網路電壓升高,一些電器不能正常工作或損壞,利用行燈變壓器升壓或降壓可滿足需要,見圖29。
採用此法應注意兩點:一是在接線前必須把行燈變壓器次級一端與殼體的連線線(保護接地線)拆除;二是要注意行燈變壓器的初、次級繞組的電流都不能超過各自的額定電流值。
30.檢查閘流體一簡法
利用圖30所示的簡便方法可檢查閘流體的好壞。當開關S斷開時燈泡不亮,而當開關S閉合後燈泡發亮,說明閘流體能導通工作,否則閘流體就是壞的。此方法對一般閘流體均能測試,燈泡選用1.5V小電珠燈泡。
31.用電焊機乾燥電動機線路
如果電動機受潮,而體積又較大,很不容易拆下放在烘箱內乾燥。可將電焊機低壓電通入電動機三相繞組,用電流升溫乾燥電動機。此方法適用於乾燥20~60kW的電動機,電焊機的容量應根據電動機容量而選用。通入電動機繞組線圈的電流可由電焊機來調節,但在烘乾時應注意通入電動機的電流不能超過電動機本身額定電流太多,並且注意觀察電動機和電焊機溫度都不能升得過高。線路參見圖31。
32.變壓器短路乾燥法
把變壓器的一側繞組短路,另一側用自耦變壓器施加電壓,使變壓器繞組內流過額定電流,依靠繞組銅損(I2R)產生的熱量來加熱變壓器,可達到乾燥變壓器的目的,如圖32所示。本方法簡便實用,乾燥升溫快。但需用自耦變壓器容量也較大,一般比被幹燥變壓器的容量大10%以上。另外此法也容易產生區域性過熱,並且耗電量較大,所以,一般只適用於被幹燥變壓器容量不大的情況下。
為了安全起見,一般都從變壓器低壓側施加電壓,而把高壓側短接。對三繞組變壓器,只能把其中一個繞組接電源,另一個短路接地,而第三個繞組要開路。使用短路乾燥法應注意觀察短路側的電流不能超過該側的額定電流太多。
33.巧用變壓器
有些地區的電壓常低於220V;而有些地區的電壓則高於220V;那麼用現有的雙繞組變壓器接成自耦變壓器來升高或降低電源電壓;即能使額定電壓為220V 的用電器正常工作;如圖33所示。當開關S 打在“升壓”位置時;變壓器相當於一個自耦變壓器;將電源電壓升高6.3V;如將開關S 打在“正常”位置時;負載是直接接到電源上;輸出電壓仍為電源電壓。
圖中的黑圓點表示繞組的同名端。如果將初、次級的連線線改為同名端相連;則輸出電壓將降低6.3V。採用這種接法;負載電流不得大於初、次級的額定電流。網路電壓如經常比220V 低(或高)30 ~40V;可選220V/36V 的變壓器連線。
34.擴大單相自耦調壓器調節電壓範圍線路
一般的單相自耦調壓器調壓範圍是0~250V。但有時需要高於250V的可調電壓,那麼按圖34接線,可以得到0~406V連續可調的輸出電壓。當S打在“1”擋位置時,輸出電壓為0~250V;將S打在“2”擋位置時,輸出電壓為220~406V。
35.單相、三相自耦調壓器的接線
單相自耦調壓器在工廠等應用極為廣泛。其接線線路如圖35(a)所示。
三相自耦調壓器的接線線路如圖35(b)所示,這種接觸式自耦調壓器為可調型,它可作為帶負載無級平滑調節電壓用的用電裝置。三相自耦調壓器是將3個單相自耦調壓器疊裝而成的,電刷同軸轉動,按Y形接法連線。
36.自制一種能消除感應電的驗電筆
在測驗三相交流電時,如果帶電的線路較長,即使三相交流電缺一相電源,用一般的驗電筆測試也很難判斷出是哪根電線缺相(因為線路較長,並行的線與線之間產生的電容容量增大,使不帶電的某一根電線產生感應電)。為了快速、準確地判斷,可在一般的低壓驗電筆的氖泡上並聯一隻1500pF小電容,這樣在測強電時,電筆照常發光。而測得的是感應電時,感應電會透過電容再經過人體被大地吸收掉,所以電筆不發光。在自制這種驗電筆時應把電筆上串聯的保護電阻放在測電筆線路的最前端以保障安全,見圖36。
37.單電源變雙電源線路
在實際工作中,往往用電裝置為雙電源,並且對稱。在手頭只有單電源的情況下,按圖37所示連線,即可使其變為雙對稱電源使用。
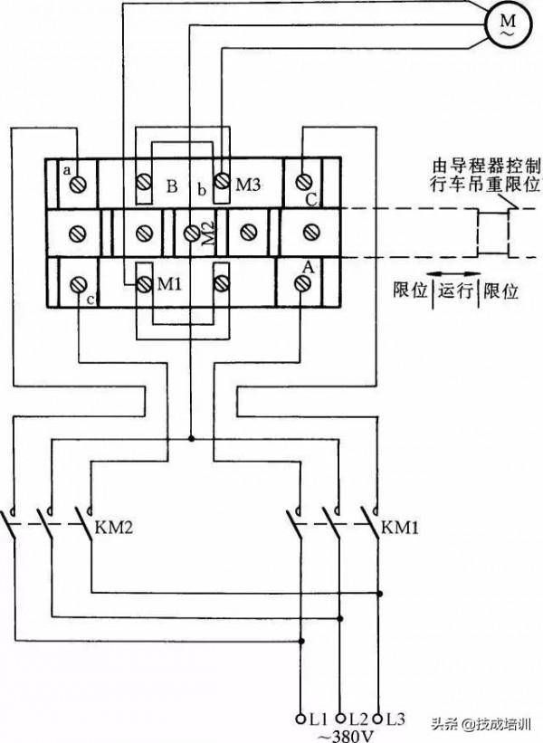
38.一種限位器接線方法
車間安裝的行車、吊葫蘆的起重電動機上,往往需安裝保護限位裝置,在電動機通電後,避免人為操作失誤或接觸器觸點粘連或鐵芯極面髒而不釋放造成超上限或超下限工作。因此,限位器在工廠和企業應用極為廣泛。這裡介紹一種常用限位器接線方法,這種限位器主要用於行車的上下電動機限位。當吊鉤高於限制位置時,它會使電動機自動斷開電源。這種方法一般是斷開主電機電源線,而不是用控制線控制接觸器通斷電動機停止限位,其優點是萬一接觸器觸點熔在一起不能斷開時,限位器同樣能起到保護限位的作用。其接線方法如圖38所示。
39.交流電焊機一般接法
交流電焊機一般接法如圖39所示。當合上刀閘QS時,按下按鈕SB1,接觸器KM得電吸合;鬆開按鈕SB1時,KM自鎖觸點自鎖,電焊機繼續得電工作。當按下SB2時,電焊機停止工作。
40. 自制交直流兩用弧焊機
交流弧焊機加上一套矽整流裝置,就可成為一臺交直流兩用弧焊機,見圖40。
電路中VD1 ~ VD4 為4 只矽整流二極體;R1 ~ R4、C1 ~ C4組成矽整流器件的過壓保護電路;FR 為過流繼電器,保護矽整流器件。當負載電流超過額定值時,電流互感器次級電流相應增加,帶動繼電器FR 動作,FR 常閉觸點開啟,接觸器KM釋放,觸點開啟切斷電焊機電源。矽整流器件用0.25kW 風扇作風冷裝置。圖中,C5 為濾波電容,R5 為洩放電阻。
41. 利用矽整流器件電鍍線路
在電鍍過程中,常常利用矽整流器件的調壓電路進行工作,其工作原理如圖41所示。當需進行工作時,按下按鈕SB1,接觸器KM1 線圈通電,主迴路中觸點閉合,線路輸出直流電壓。與此同時,KM2 也得電動作,接通電扇,對矽整流器件以及調壓器吹冷風降溫。線路中KI 為過流繼電器。
