一、功能及應用 EC1786B跑馬燈晶片
本產品是一款專用拖尾式流星雨IC,設計的專用積體電路,採用最先進的控制技術和寬電壓設計方案,工作電壓可達3.0V-6.8V之高;
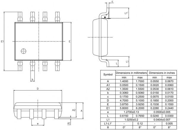
封裝方式:SOP-8。
主要用於LED流星雨燈飾指示燈等;
CMOS設計製造工藝,低功耗,工作電壓寬,抗干擾能力強;6LED拖尾燈串,上電工作,一週期時間為1.6s;OPT不接,預設大驅動;OPT接VDD,驅動減小一半。
二、電氣引數 (VDD=4.5V,GND=0,Ta=25℃)
Characteristies
Sym
Min
Typ
Max
Unit
Remarks
工作電壓Vdd3.04.56.8V
工作電流
Iop500µA
VDD=4.5V,No loa
LED推動電流(OPT不接)
Iol140mA
Vdd=4.5V,Vload=1.8V
工作溫度
Temp
02560℃
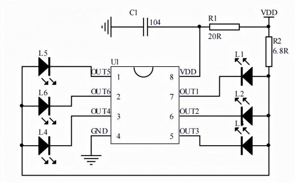
三、封裝腳點陣圖(SOP-8)
管腳號
符號
功能描述
1OUT5LED5輸出,低電平有效
2OUT6LED6輸出,低電平有效
3OUT4LED4輸出,低電平有效
4GND電源負
5OUT3LED3輸出,低電平有效
6OUT2LED2輸出,低電平有效
7OUT1LED1輸出,低電平有效
8VDD電源正
四、參考電路圖
五、SOP-8封裝尺寸圖
