【嘉勤點評】緯湃科技的逆變器專利,透過將多個逆變器單獨的DC連線到DC電能源和DC電能儲存器,能夠有效降低互連拓撲結構的複雜性,同時降低功率電子器件的成本。
集微網訊息,緯湃科技近日宣佈斬獲北美頭部汽車製造商價值超10億歐元的訂單。緯湃科技將提供數百萬個採用碳化矽技術的800伏逆變器,該技術是實現快速充電進而提高電動車效率和續航能力的關鍵因素。
考慮到具有電池和燃料電池的車輛中的元件的數量,降低互連拓撲結構的複雜性有利於最佳化成本,特別是電壓轉換器和逆變器的電子器件的成本。由於大電流和/或電壓需求的原因,一個或多個逆變器的功率開關具體地會增加附加的成本。涉及到的儲電或發電或耗電元件越多,則成本越高。因此希望找到降低功率電子器件的成本的方法,特別是在存在多個儲電、發電和耗電元件的架構中。
為此,緯湃科技於2019年10月8日申請了一項名為“用於車輛中的多源的多相逆變器及相關高壓拓撲結構”的發明專利(申請號: 201980066919.1),申請人為緯湃科技有限責任公司。
圖1 電驅車輛中電池和燃料電池的一種拓撲結構
圖1為本發明中電驅車輛中電池和燃料電池的一種拓撲結構,具體為逆變器INV1a的AC側驅動電動馬達或e機器EM的拓撲結構,馬達驅動車輪。逆變器的DC側從燃料電池系統FC得到功率並且被連線到燃料電池系統FC。在燃料電池和逆變器之間的DC連線也被連線到DCDC轉換器CV1a,其進而被連線到高壓DC電池HV。在這種拓撲結構中,燃料電池和逆變器的DC側在共同的DC電壓下操作,該電壓通常由燃料電池系統的適當操作電壓來確定。
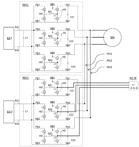
圖2 AC馬達兩個APV逆變器的連線示意圖
圖1為AC馬達兩個APV逆變器的連線示意圖,第一逆變器在DC側上被電連線到DC能量儲存器ES1,第二逆變器被電連線到DC能量源ES2。另一些實施例包括被連線到附加的能量儲存器或者源的附加的逆變器。兩個逆變器在AC側上被電連線到示為EM的電動馬達或電動機器。該連線是經由PH1、PH2、PH3三個AC相來實現的。
INV1和INV2是兩個多相逆變器,AC相聯接到馬達。一個或多個逆變器中單獨的DC連線到DC電能源和DC電能儲存器,以致在其之間不存在DC電連線。至AC充電器的可選連線為逆變器INV2的一部分。這個連線使用逆變器2的H橋HB1、HB2、HB3。充電器ACN也可以被替換成向AC網路供應功率的連線,當系統在車輛中時,ACN將使至固定AC網路的連線,例如在停車庫或者停車場中。
逆變器INV1、INV2優選為APV網路,其跨相應逆變器的電感器L1、L2、L3使用較高頻率來根據需要變換電壓電平。每個逆變器具有3個H橋HB1、HB2、HB3。每個H橋包括4個開關,被標記為HS。功率開關可以是MOSFET的或者IGBT的,或者其它的半導體裝置,或者其它的電開關。
簡而言之,緯湃科技的逆變器專利,透過將多個逆變器單獨的DC連線到DC電能源和DC電能儲存器,能夠有效降低互連拓撲結構的複雜性,同時降低功率電子器件的成本。
緯湃科技是全球領先的開發商和製造商,致力於為可持續出行提供先進的動力總成技術。緯湃科技將基於其創新的電氣化解決方案,助力全球汽車製造商更高效、更經濟地推動電動出行。
關於嘉勤
深圳市嘉勤智慧財產權代理有限公司由曾在華為等世界500強企業工作多年的智慧財產權專家、律師、專利代理人組成,熟悉中歐美智慧財產權法律理論和實務,在全球智慧財產權申請、佈局、訴訟、許可談判、交易、運營、標準專利協同創造、專利池建設、展會智慧財產權、跨境電商智慧財產權、智慧財產權海關保護等方面擁有豐富的經驗。
(校對/holly)
