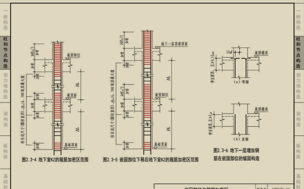
咱做工程的都知道識圖是工程的基礎,但是連基礎都看不懂,真的是說出去丟我們工程的人。
得虧我有16G-18G的圖集,裡面清楚地介紹我們該如何進行檢視學習圖集,內容清晰有條理,完全不用擔心自己看不懂
16G101彩色圖集
16G101CAD版圖集
17G101圖集
18G901圖集
整套16G101-18G901圖集不僅高畫質而且還有3D模型詳解,圖文並茂,還能夠很快的幫助工程小白看懂建築圖紙,再也不用擔心看不懂鋼筋識圖了!
