▷目錄
1.衛生間管道分類
1.衛生間不同管道的坡度規定值
2.衛生間不同區域的管道大小選擇
1.衛生間管道分類
1.1衛生間管道分類
高層住宅衛生間一般有三條管道,作用互不相同,分別是:
1.1.1、排汙管:
衛生間的排汙管道一般用於淋浴間、馬桶區、洗漱區的地漏排汙,與地漏相連的排汙支管,管徑宜為50mm;
1.1.2、排糞管:
衛生間的排糞管連線座廁、蹲廁、小便器的排汙。
1.1.3、排氣管:
衛生間的排氣管與排汙管、糞水管相連,其作用是當汙水往下排水時,把汙水管、糞水管內的壓力往氣管內排出,避免沖水後當管內產生壓強,氣體向底部衝擊造成影響,從使最底層衛生間冒出廢氣。
2. 衛生間不同管道的坡度規定值
根據《建築給水排水及採暖工程施工質量驗收規範》GB 50242-2002的規定,衛生間相應的管徑坡度值應按照下表規定:
衛生間內的管道安裝需要一定的坡度,因為只有適宜的坡度值汙水排洩物才能同步排走;
如管道坡度不足,會出現汙水與排洩物停留漂浮在管內的情況;
如管道坡度較大,會出現汙水跑得快,汙物還滯留在管內的情況。
華建工藝學會團隊建議:設計合適的排水坡度會更好的避免管道堵塞
汙水排走了但汙物還停留在管道內發黑發臭
2.1 管徑為50mm的坡度值:
DN50的坡度標準值為2.5%;
DN50的坡度最小值為1.2%;
    
        △管徑為50mm的1米長度排水坡度規定值
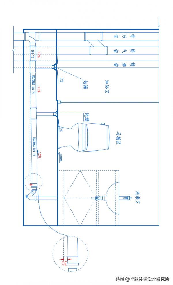
2.2 管徑為75mm的坡度值:
DN75的坡度標準值為1.5%;
DN75的坡度最小值為0.8%;
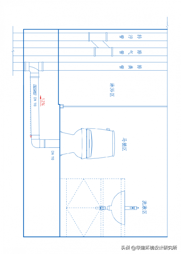
2.3 管徑為100mm的坡度值:
DN100的坡度標準值為1.2%;
DN100的坡度最小值為0.6%;
2.4 管徑為125mm的坡度值:
DN125的坡度標準值為1%;
DN125的坡度最小值為0.5%;
    
        △管徑為125mm的1米長度排水坡度規定值
2.5 管徑為160mm的坡度值:
DN160的坡度標準值為0.7%;
DN160的坡度最小值為0.4%;
2.6 錯誤的管道鋪設方法:
3.衛生間不同區域的管道大小選擇
根據《建築給水排水及採暖工程施工質量驗收規範》GB 50242-2002的規定:
5.2.15 用於室內排水的水平管道與水平管道、水平管道與立管的連線,應採用45°三通和45°四通和90°斜三通或90°斜四通。
立管與排出管端部的連線,應採用兩個45°彎頭或曲率半徑不小於4倍管徑的90°彎頭。
衛生間內需要安裝適宜大小的管道:
1、管道過小、出現汙水與排洩物堵塞管道的情況
2、管道過大,出現汙水不能浮帶汙物向外排,水排走了、洩物還滯留在管道的情況!
華建工藝學會團隊建議:設計符合標準的排水管管徑會更好的達到快速排水的標準,並不是選擇大管徑的排水管就會達到好的排水效果。
汙水排走了但汙物還停留在管道內發黑發臭
3.1 衛生間管道安裝示意圖:
3.2 衛生間排汙管連線示意圖:
3.3 衛生間排水管連線示意圖:
本文編著團隊:
華建環境設計研究所(設計一組)
編輯:廖銘寬、廖銘宇
圖片:蘇韻濤
審校:廖熾偉 、梁薇
由華建環境設計研究所收編整理,
釋出於2021年9月
“衛生間管道安裝坡度設計指引HJSJ-2021”
文案由華建工藝學會的團隊製作釋出
部分圖片來源於網路
不作任何商業用途
更多設計看點→點選關注























 
			 
			 
			 
			 
			 
			 
			 
			 
			 
			 
			 
			 
			 
			 
			 
			 
			 
			