sponsored links

變頻器工頻、變頻切換電路

變頻器工頻、變頻切換電路

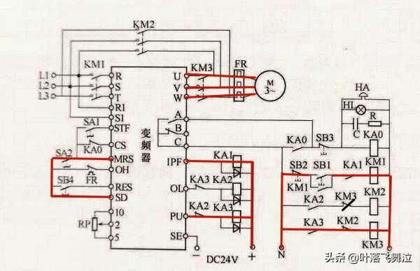
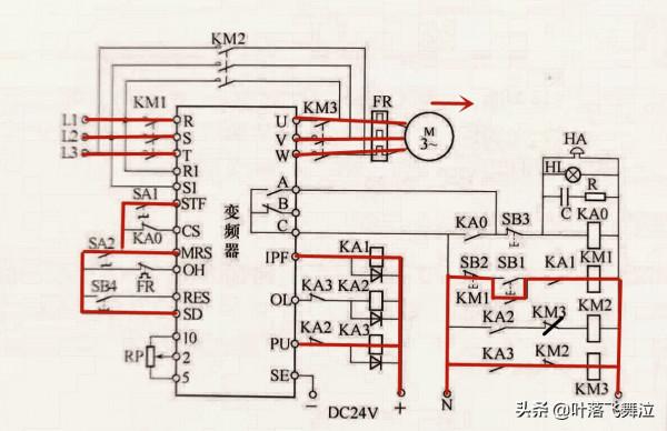
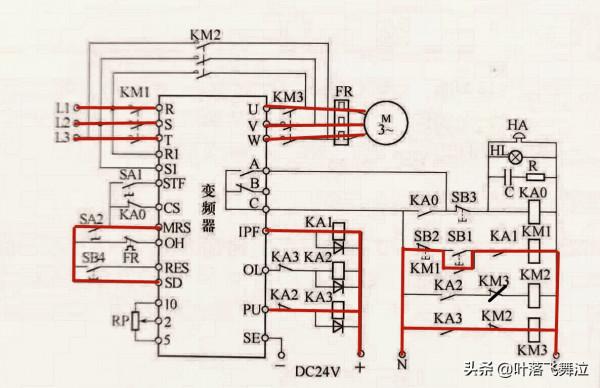
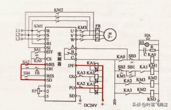
1.變頻器工頻、變頻切換電路

變頻器工頻、變頻切換電路

2.聯通開關SA2

變頻器工頻、變頻切換電路

3.繼電器KA1\KA3吸合

變頻器工頻、變頻切換電路

4.KA3吸合帶動KM3接觸器吸合

變頻器工頻、變頻切換電路

5.按下按鈕SB1,KM1吸合變頻器得電

變頻器工頻、變頻切換電路

6.按動SA1電動機正轉執行

變頻器工頻、變頻切換電路

7.變頻器出現異常AC端子聯通,變頻切換工頻電源,併發出聲光報警

變頻器工頻、變頻切換電路

分類: 健康
時間: 2021-10-17

相關文章

中藥古今研究:側柏葉

中藥古今研究:側柏葉
一.典籍摘要 1.<名醫別錄>:"主吐血.衄血.痢血.崩中赤白.輕身益氣,令人耐寒暑,去溼痺,生肌." 2.<本草備要>:"補陰,涼血.止吐衄崩淋 ...

中藥古今研究:白茅根

中藥古今研究:白茅根
一.典籍摘要 1.<神農本草經>:"主勞傷虛羸,補中益氣,除瘀血.血閉寒熱,利小便." 2.<本草崇原>:"主治勞傷虛羸,補中益氣,除瘀血血閉,寒 ...

中藥古今研究:水蛭

中藥古今研究:水蛭
一.典籍摘要 1.<神農本草經>:"主逐惡血.瘀血.月閉,破血瘕積聚,無子,利水道." 2.<本草拾遺>:"人患赤白遊疹及癰腫毒腫,取十餘枚令啖病 ...

中藥古今研究:凌霄花

中藥古今研究:凌霄花
一.典籍摘要 1.<神農本草經>:"主婦人產乳餘疾,崩中,癥瘕,血閉,寒熱羸瘦,養胎." 2.<本草衍義補遺>:"凌霄花,治血中痛之要藥也,且補陰 ...

中藥古今研究:浮海石(海浮石)

中藥古今研究:浮海石(海浮石)
一.典籍摘要 1.<本草便讀>:"清金利咳,鹹寒潤下.治濁淋積塊,摩翳開光." 2.<本草撮要>:"味鹹寒,入手太陰足厥陰經.功專軟堅潤下,止嗽止 ...

中藥古今研究:葶藶子

中藥古今研究:葶藶子
一.典籍摘要 1.<本草便讀>:"功專苦降,氣屬辛寒.瀉肺氣以行痰,水滿上焦喘可愈,利二腸而治咳,熱從下導脹能消." 2.<本草崇原>:"氣味辛寒 ...

中藥古今研究:白果(銀杏)

中藥古今研究:白果(銀杏)
一.典籍摘要 1.<本草備要>:"澀,斂肺,去痰.甘苦而溫.性澀而收.熟食溫肺益氣,定痰哮,斂喘嗽,縮小便,止帶濁.生食降痰解酒,消毒殺蟲.多食則收澀太過,令人壅氣臚脹,小兒發驚 ...

中藥古今研究:洋金花

中藥古今研究:洋金花
一.典籍摘要 1.<本草綱目>:"諸風及寒溼腳氣,煎湯洗之.又主驚癇及脫肛,併入麻藥." 2.<生草藥性備要>:"少服止痛,通關利竅,去頭風.&q ...

中藥古今研究:雞血藤

中藥古今研究:雞血藤
一.典籍摘要 1.<本草綱目拾遺>:"壯筋骨,已痠痛,和酒服,於老人最宜. 治老人氣血虛弱,手足麻木癱瘓等症. 男子虛損,不能生育,及遺精白濁, 男婦胃寒痛.婦女經血不調,赤白帶 ...

中藥古今研究:龍骨

中藥古今研究:龍骨
一.典籍摘要 1.<神農本草經>:"甘,平.主心腹鬼疰,精物老魅,咳逆,洩痢膿血,女子漏下,癃瘕堅結,小兒熱氣,驚癇." 2.<本草備要>:"澀, ...

中藥古今研究:枇杷葉

中藥古今研究:枇杷葉
#健康明星計劃# 一.典籍摘要 1.<名醫別錄>:"主卒啘不止,下氣." 2.<本草備要>:"瀉肺降火.治熱咳.嘔逆.口渴.治胃病,薑汁炙:治肺病 ...

中藥古今研究:硃砂

中藥古今研究:硃砂
一.典籍摘要 1.<神農本草經>:"養精神,安魂魄,益氣,明目." 2.<名醫別錄>:"通血脈,止煩滿.消渴,益精神,悅澤人面,除中惡腹痛,毒氣疥 ...

中藥古今研究:桑白皮
一.典籍摘要 1.<神農本草經>:"主傷中,五勞六極,羸瘦,崩中,脈絕,補虛益氣." 2.<名醫別錄>:"去肺中水氣,唾血,熱渴,水腫,腹滿,臚脹 ...

中藥古今研究:酸棗仁

中藥古今研究:酸棗仁
一.典籍摘要 1.<神農本草本經>:"味酸,平.主心腹寒熱,邪結氣聚,四肢痠疼,溼痺.久服安五藏." 2.<本草備要>:"甘酸而潤,專補肝膽.炒熟 ...

中藥古今研究:柏子仁

中藥古今研究:柏子仁
一.典籍摘要 1.<神農本草經>:"味甘,平.主驚悸,安五藏,益氣,除溼痺.久服,令人悅澤美色,耳目聰明." 2.<本草備要>:"辛甘而潤.養心氣 ...

中藥古今研究:琥珀

中藥古今研究:琥珀
一.典籍摘要 1.<名醫別錄>:"主安五臟,定魂魄,消瘀血,通五淋." 2.<本草乘雅半偈>"甘平,無毒.主安五臟,定魂魄,殺精魅邪鬼,消瘀血,通 ...

中藥古今研究:灶心土(伏龍肝)

中藥古今研究:灶心土(伏龍肝)
一.典籍摘要 1.<名醫別錄>:"主治婦人漏中,吐下血,止咳逆,止血,消癰腫毒氣." 2.<本草匯言>:"伏龍肝,溫脾滲溼,性燥而平,氣溫而和,味 ...

中藥古今研究:蛤殼

中藥古今研究:蛤殼
一.典籍摘要 1.<本草綱目>:"清熱利溼,化痰飲,消積聚,除血痢,婦人血結胸,傷寒反汗搐搦,中風癱瘓.文蛤能止煩渴,利小便,化痰軟堅,治口鼻中蝕疳." 2.<本 ...

中藥古今研究:艾葉

中藥古今研究:艾葉
#健康一夏# 一.典籍摘要 1. <名醫別錄>:"主灸百病.可作煎,止下痢,吐血,下部匿瘡,婦人漏血.利陰氣,生肌肉,闢風寒,使人有子." 2.<本草備要> ...

中藥古今研究:西瓜

中藥古今研究:西瓜
一.典籍摘要 1.<日用本草>:"消暑熱,解煩渴,寬中下氣,利小水,治血痢." 2.<本草備要>:"解暑除煩,利便醒酒." 3.< ...