1、電冰箱電路系統與管路系統的控制關係
電冰箱的整個製冷過程是透過管路系統和電路系統配合工作的過程。一般來說,電冰箱主要是利用製冷劑的迴圈和狀態變化過程進行能量的轉換,從而達到製冷目的。在此過程中,電路系統主要用來控制壓縮機工作(提供工作電壓和控制訊號),再由壓縮機控制製冷管路工作,使製冷管路中的製冷劑進行轉換和迴圈,從而達到冷藏室和冷凍室低溫的需求目的。
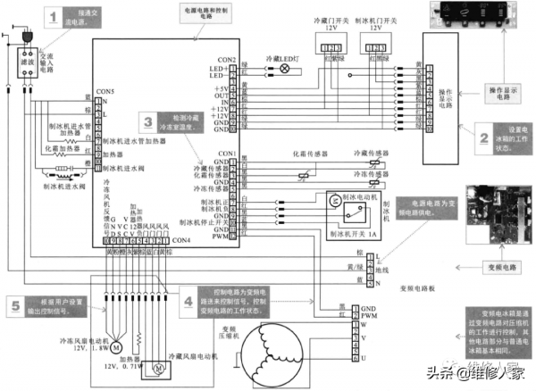
2、電冰箱電路系統的控制過程
電冰箱是透過操作顯示電路、電源電路、控制電路和變頻電路協同工作,同時對主要部件進行控制,來實現對電冰箱管路系統製冷工作的控制。
