一輛行駛里程約7200km的2020年全新英朗轎車。該車偶爾出現右前門玻璃不能升降,主駕駛和副駕駛均不能控制升降。間歇性故障,幾天出現一次,過一會自己就好了。
故障診斷:確認故障描述。客戶反映車輛偶爾出現右前門玻璃不能升降,同時在故障出現時主駕駛側也不能控制右前門玻璃升降。
車輛驗證。透過多次反覆試車,出現右前門玻璃不能升降,證明該故障為間歇性故障。故障出現時發現主駕駛玻璃升降正常;而右前門、右後門、左後門的玻璃都不能升降,主駕駛不能控制這三個門玻璃升降。
初始檢查。檢查玻璃升降開關外觀無異常,保險絲良好,線束聯結器外觀正常,車輛無加裝改裝。
連線GDS讀取全車故障碼,發現沒有故障記憶。查閱維修通訊和TAC技術簡報,未發現類似故障的維修資訊和解決方案。按照SBD診斷裡面的症狀—電動車窗故障檢查。結合故障現象,分析一下電路圖(如圖1所示),根據維修手冊的症狀診斷、電路圖、部件定點陣圖和端檢視,對KR10P乘客側車窗繼電器的針腳進行測量。
分別測量KR 10P的86、30號針腳對搭鐵電壓,數值在12.8V以上均正常,測量85號針腳的對搭鐵電阻為0.5Ω也正常。
在85和86針腳之間串接一個測試燈,開啟或關閉點火開關,同時觀察試燈點亮或熄滅,正常。在87號針腳和搭鐵之間串接一個試燈,試燈不亮,正常。
根據測量得知KR10P前的線路及控制正常,如圖2所示。
根據電路圖整理一下思路。在故障出現的時候測量右前門玻璃升降開關S79P,測量發現S79P插頭處3號針腳沒有電源。
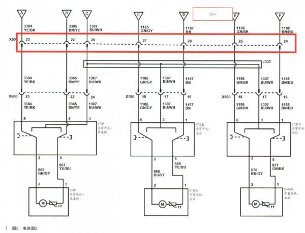
同時分別測量了S79LR/S79RR的3號針腳均沒有電源。再根據電路圖分析(如圖3所示),這三根線的電源都是從X500的26號針腳出來的。
KR10P繼電器前面的線路及控制正常,分別測量故障車門的電源與KR10P的87號針腳之間的線電阻,阻值均為無窮大,分析過程如圖4所示。說明KR10P的87號針腳到故障車門開關插頭3號針腳線路斷路。
讀取電路圖,檢視中間有個X500插頭(左前門線束連線車身線束的插頭)。反覆晃動X500插頭故障消失。拆下X500線束聯結器後發現故障,如圖5所示。
拆檢發現車身線束X500插頭處插針變形,導致線路號為1243的紅線虛接,如圖6和圖7所示。內部的塑膠鎖片已熔化損壞。無法修復,應客戶要求更換線束後故障排除。
故障總結:該案例是由於線束聯結器X500插頭針腳虛接導致故障,引起除主駕駛車門外的三個車門偶爾不能正常升降玻璃。
針對偶發性線路故障,在正常狀態下透過測量部件供電、接地狀況、線路通斷及端子接觸狀態正常,並不能說明車輛故障時電路一定正常。可透過反覆驗證和不斷晃動線束鎖定故障區域。維修手冊診斷步驟指明的維修檢測工具及方法要做到位,沒有故障碼的可以根據症狀來進行檢修。
線路修復要仔細,線束佈置位置要做到與原車一致,避免後期的線路返修。維修完畢要反覆試車,確認故障已排除。
