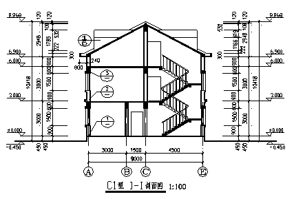
建築剖面圖
1、剖面圖是用一假想剖切平面,平行於房屋的某一牆面,將整個房屋從屋頂到基礎剖切開,把剖切面和剖切面與觀察人之間的部分移開,將剩下部分按垂直於剖切平面的方向投影而畫成的圖樣。
2、剖切面的位置及剖示方向
剖面圖的剖切位置:標註在同一建築物的底層平面圖上。平面圖上剖切符號的剖視方向:宜向左、向前,
![]()
平面圖上剖切符號的剖視方向宜向左、向前, 看剖面圖應與平面相結合並對照看。
剖面圖的內容和作用
建築剖面圖主要用來表達房屋內部垂直方向的結構形式、沿高度方向分層情況、各層構造作法、門窗洞口高、層高及建築總高等。
剖面圖的有關圖示規定
(1)比例:建築剖面圖的比例與平面圖一致,常用1:50、1:100、1:200的比例繪製。
2)圖線:剖面圖的線型按“國標”規定,凡是剖到的牆、板、梁等構件的剖切線用粗實線表示;而沒剖到的其它構件的投影,則常用細實線表示。
(3)圖例 圖例:由於比例較小,剖面圖上的門、窗等構件也用圖例見(構造圖例) 。
(4)尺寸標註
1.剖面圖的尺寸標註在豎直方向上:圖形外部標註三道尺寸及建築物的室內外地坪、各層樓面、門窗的上下口及牆頂等部位的標高。外部的三道尺寸,最外一道為總高尺寸,從室外地平面起標到牆頂止,標註建築物的總高度;中間一道尺寸為層高尺寸,標註各層層高(兩層之間樓地面的垂直距離稱為層高);最裡邊一道尺寸稱為細部尺寸,標註牆段及洞口尺寸。
2.水平方向:常標註剖到的牆、柱及剖面圖兩端的軸線編號及軸線間距,並在圖的下方注寫圖名和比例。
