大家好、今天繼續分享魯班獎細部做法系列二
(十一)電線導管跨接工藝標準
1.適用範圍
絲扣連線及卡壓連線的金屬電線導管。
3.工藝核心要義敘述
使用緊定式快速接頭裝配的金屬導管不需要另外增加接地跨接線。
兩路跨接線使用一隻線耳壓接,保證地線永久連線,而不是串接。
軟管兩端的金屬導管與裝置外殼應跨接地線,地線應使用紮帶固定在軟
管上。
4.注意事項
採購線盒內要求增加跨接端子。
(十二)電氣導管佈置工藝標準
1.適用範圍
適用於室內明裝電氣導管安裝。
2.大樣圖
3.工藝核心要義敘述
線管顏色可按照使用用途來噴塗,建議強電為綠色,弱電為白色。
軟管長度:照明小於等於 1200mm;動力小於等於 800mm。
明配導管在終端、彎頭中點、或櫃、臺、箱、盤等邊緣的 150mm~500mm
範圍內設定固定碼。現場條件允許的情況下,按本工藝標準所設定的距離設
置固定碼。
中間直線段固定碼的距離按規範、設計要求。
並列明配的導管固定碼按“左右左”或“下上下”的品字方式佈置
4.注意事項
線管明配時應採用明裝線盒,線盒外形尺寸為 86*86,深度宜為 40mm,不
用的敲落孔應完整、密封,明裝管固定時一律採用離牆碼。
軟管進出線盒需加鎖母。
5.產品圖片
(十三)電氣導管沿吊架安裝工藝標準
1.適用範圍
適用於明敷線管吊裝。
2.大樣圖
3.工藝核心要義敘述
若有吊頂,採用此做法,若無吊頂且無要求,推薦用上一節的做法。
角鋼吊具或托架底漆紅丹,面漆銀粉漆。
4.注意事項
金屬導管嚴禁對口熔焊連線,鍍鋅和壁厚小於 2mm 的鋼管不得套管熔焊
連線。
金屬導管的內外壁應防腐處理。
(十四)電氣導管過變形縫安裝工藝標準
1.適用範圍
適用於線管過變形縫時的安裝。
2.大樣圖
3.工藝核心要義敘述
管路在經過建築物伸縮縫及沉降縫處,都應有補償裝置。
明配導管過變形縫採用 A 形式安裝方式;暗配導管採用 B 形式安裝方式;
過線盒(2)的選擇:可視區域應採用明裝線盒;不可視區域可採用帶敲
落孔的鍍鋅線盒;金屬軟管從線盒側面出線,以保證有足夠餘量。
接地跨接軟線(4)的兩端應壓接線耳。
(十五)電氣戶外鋼管安裝工藝標準
1.適用範圍
電氣戶外鋼管安裝工藝標準
2.大樣圖
3.工藝核心要義敘述
過線盒應使用防水線盒。當支架寬度 W≤250mm 時,使用 A 形式安裝方式;
當支架寬度 W>250mm 時,使用 B 形式安裝方式。
水泥護墩頂部應為小傾斜錐,便於洩水。
水泥護墩高於完成面 200~250mm 是考慮防止支架爛根並便於土建施工。
(十六)槽架、線管接駁配電箱/櫃安裝工藝標準
1.適用範圍
槽架接駁配電箱/櫃安裝工藝標準
2.大樣圖
3.工藝核心要義敘述
線槽/橋架與配電箱/櫃的進出線口接駁時,中間使用絕緣板(7 或 8)做
絕緣層護套保護。
當配電箱/櫃進出線全部是電線時,絕緣板內孔為方孔,如 7 形式;當進
出線有電線也有電纜時,絕緣板內孔為圓孔和方孔組合形式,如 8 形式,圓
孔為電纜頭安裝孔,方孔為電線穿越孔。當進出線全部是電纜時,無需絕緣
板,直接在箱頂對應每條電纜開相應規格的圓孔,採用專用電纜接頭進箱(詳
見:電纜與配電箱(櫃)接線安裝工藝標準)。
(十七)槽架懸吊式安裝工藝標準
1.適用範圍
適用於槽架懸吊式安裝工藝。
2.大樣圖
3.尺寸標準
1)支吊架間距宜為 1500mm。
2)剛性支架的設定位置:槽架的首/末端、轉角/三通分支處、直線段每
30m 處。
3)支吊架材料選用標準
4.工藝核心要義敘述
A、B、C:不同寬度的槽架選用不同的支吊架形式。
D:剛性支架形式。
走廊、通道等部位在佈置槽架時,應在一側預留大於等於 300mm 的空間
用於檢修。
5.注意事項
金屬線槽不應作為裝置的接地導體,當設計無要求時,金屬線槽全長不
少於 2 處與 PE 或 PEN 線幹線連線。鍍鋅線槽間的連線板的兩端不跨接接地線,
但連線板兩端不少於 2 個防松螺帽或防松墊圈的連線固定螺栓。
(十八)槽架沿牆安裝工藝標準
1.適用範圍
槽架沿牆安裝工藝。
2.大樣圖
3.尺寸標準
1)H=(W+100)×60%
2)支架材料選用標準:
A:沿牆垂直安裝
線槽寬度小於 300 時採用 40×4 扁鋼;大於等於 300 時採用 40×4 角鋼;
B:沿牆水平安裝
4.工藝核心要義敘述
同一垂直通道內槽架安裝形式應一致。
(十九)槽架支架接地工藝標準
1.適用範圍
槽架支架接地工藝標準。
2.大樣圖
3.工藝核心要義敘述
當槽架與支架都是鍍鋅件時,採用 A 形式;當支架或槽架不是鍍鋅件時,
採用 B 形式,B 形式還可滿足明顯可見的要求。
A 形式:每個托架與槽架使用不少於 2 套配防鬆動墊圈的鍍鋅螺栓連線。
B 形式:
(1)支架接地螺栓在支架上鑽孔安裝。
(2)可選用槽架本身自帶或與槽架有可靠連線的螺栓,作為接地螺栓,
或在橋架上鑽孔安裝。
(3)支架與槽架接地跨接採用軟線聯結。
4.注意事項
一般情況下可以將金屬線槽(包括鍍鋅線槽或噴塑線槽)跨接,不必另
外敷設接地幹線;
如地方質檢站有要求,或圖紙有要求,或專案需參加國家級評優,需單
獨敷設鍍鋅扁鐵或圓鋼作為噴塑線槽的接地幹線。
線槽安裝應牢固,無扭曲變形,線槽內的各種連線螺栓,均要由內向外穿,以防止敷線時破壞導線絕緣保護層。
線槽敷設應平直整齊;水平或垂直允許偏差為其長度的 2%,且全長允許
偏差為 20mm;管線密集情況下槽蓋應便於開啟。
(二十)露天槽架入室內安裝工藝標準
1.適用範圍
適用於露天槽架入室內安裝工藝。
2.大樣圖
3.工藝核心要義敘述
Z 形彎處的槽架蓋應連續,伸出彎位或伸入室內應>100mm。
槽架嚴禁在露天區域直接採用垂直下彎進入下層室內;如位置需要,應
在進入處做向外坡度,並設洩水孔,槽架進入屋前按上圖施工。
4.注意事項
線槽安裝應牢固,無扭曲變形,線槽內的各種連線螺栓,均要由內向外穿,應儘量使用螺栓的頭部與線槽內壁齊,以防止敷線時破壞導線絕緣保護
層。
線槽敷設應平直整齊;水平或垂直允許偏差為其長度的 2%,且全場允許
偏差為 20mm;並列安裝時槽蓋應便於開啟。
(二十一)槽架過變形縫處安裝工藝標準
1.適用範圍
槽架過變形縫處安裝工藝標準
2.大樣圖
3.工藝核心要義敘述
槽架在變形縫處斷開。
槽架蓋在變形縫處獨立安裝(長 300mm)。
該方案適用於直線段槽架的伸縮補償。
4.產品圖片
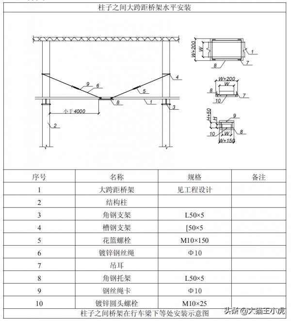
(二十二)大跨距鋼製橋架安裝工藝
1.適用範圍
適用於廠房和跨距較大的場所,在大型工程地下室、裙樓等部位,為提
高工效也可考慮採用。
2.大樣圖
3.工藝核心要義敘述
1)大跨距橋架根據設計或大跨距結構需要,可定製 6-12m 長度的橋架,
側板和底板分別壓筋以提高結構強度。
2)大跨距橋架支架間距可大於 3m,支架間距應參照生產廠家技術引數
確定敷設電纜後的擾度,擾度應滿足設計要求。
3)直線段橋架長度超過 30 米應設伸縮節,橋架跨越建築物變形縫處應
置補償裝置。
4)橋架連線處應緊密、無錯口現象,各連線螺絲應採用鍍鋅螺絲,接地
線採用大於 4mm²銅編織線。
(二十三)槽架配件標準工藝標準
1.適用範圍
適用於槽架配件標準工藝。
2.大樣圖
3.工藝核心要義敘述
應使用成品配件。特別情況下,若現場自制加工,應與供貨商配件尺寸
一致,如供貨商無明確配件尺寸或尺寸資料不足,按此標準規格執行。
自制槽架配件,金屬板間的連線宜採用焊接。
橋架翻彎時,若最大電纜直徑小於 70mm,橋架翻彎角度不大於 30 度,電
纜最大直徑小於等於 50 時,翻彎角度不大於 45 度。
防腐層:槽架接縫內、外側應刷防鏽漆兩遍,面漆(應於槽架顏色基本
一致)一至兩遍,為了保證油漆邊緣平直,可採用分色帶貼在油漆處的兩側,
油漆後再摘除。
為保證大截面電纜在小橋架中敷設時,滿足電纜彎曲半徑要求,L 應滿足
L≥10D-W/2。
(二十四)配電房槽架佈置工藝標準
1.適用範圍
適用於配電房槽架佈置工藝。
2.大樣圖
3.工藝核心要義敘述
該方案適用於採用配電櫃上出(或上進)線形式的低壓配電房內槽架布
置。
配電房內地橋架佈置應整齊美觀,安裝牢固,受力合理,室內電纜敷設
平順,減少交叉彎曲半徑符合規範,電纜固定點設定合理,電纜不對櫃內電
器施加額外應力。整體佈置應便於維護,檢修,同時應預留一定備用空間。
(二十五)槽架穿牆(樓板)工藝標準
1.適用範圍
適用於槽架穿牆(樓板)工藝。
2.大樣圖
3.工藝核心要義敘述
如預留樓板孔尺寸合適時,建議採用 B 形式。如預留樓板孔尺寸偏大時,
建議採用 C 形式。但在同一工程中,應使用同一種形式。
A 形式中:如穿越的牆體為普通隔牆,則堵料使用防火堵料;非可視區域
中不需安裝防火板。套管材料選擇鍍鋅板,套管長度與牆身厚度一致。
B 形式:在樓板孔邊緣設定混凝土(或磚)結構的擋水圈。
C 形式:防火板尺寸應略大於與套管口徑尺寸並固定於牆體;套管材料選
擇鋼板(δ≥2mm)。
穿牆樓板處在橋架內塞滿防火堵料。
《GB50045-95》5.3.3 規定建築高度不超過 100 米的高層建築,其電纜井、
管道井應每隔 2~3層在樓板處用相當於樓板耐火極限的不燃燒體作防火分隔;
建築高度超過 100 米的高層建築,其電纜井、管道井應在每層樓板處用相當
於樓板耐火極限的不燃燒體作防火分隔(此處應採用防火泥或防火包)。
電纜井、管道井與房間、走道等相連通的孔洞,其空隙用應採用不燃燒
體填塞密實(此處應採用岩棉,不宜採用玻璃棉)。
槽架在穿過隔牆(包括防火牆)、樓板時,應採用不燃燒材料將其周圍的
縫隙填塞密實。
