sponsored links

利用指示燈判斷熱繼電器故障的自鎖電路

利用指示燈判斷熱繼電器故障的自鎖電路

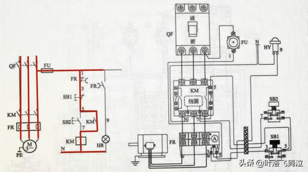
1.利用指示燈判斷熱繼電器故障的自鎖電路

利用指示燈判斷熱繼電器故障的自鎖電路

2.接通電源,啟動電路正常執行

利用指示燈判斷熱繼電器故障的自鎖電路

3.當熱繼電器動作時,其常開觸點斷開切斷接觸器線圈電源使電動機停止執行,常開觸點閉合指示燈HR亮起用以快速判別為電流過大使熱繼電器動作。

利用指示燈判斷熱繼電器故障的自鎖電路

分類: 財經
時間: 2021-10-31

相關文章

國家為什麼要大力發展江蘇淮安?

國家為什麼要大力發展江蘇淮安?
淮安,江蘇地級市. 淮安是蘇北重要中心城市. 淮安這5,6年總體發展是快速的!高鐵通車,還有高鐵在建,相信有了交通的保障,未來十年淮安發展必將更快速發展,那時,一定會增加實體經濟的.淮安的綜合實力越來 ...

國家為什麼要大力發展蘇州?

國家為什麼要大力發展蘇州?
蘇州,長江三角洲重要的中心城市之一. 2020年11月1日零時,蘇州市常住人口為1274.8262萬人.2020年,蘇州市實現地區生產總值20170.45億元. 蘇州能有今天的發展離不開國家政策的支援 ...

國家為什麼要大力發展衡陽?

國家為什麼要大力發展衡陽?
衡陽,湖南省地級市,衡陽地處京廣,湘桂鐵路交叉點上,是湘南副區域中心,衡陽建市時間長,城市規模大,八十年代曾經是湖南第二大城市. 衡陽是我國十大風水寶地城市之一,地理位置優越,衡陽是湖南省以及中南地區 ...

國家為什麼要大力發展江蘇連雲港?

國家為什麼要大力發展江蘇連雲港?
連雲港,江蘇地級市. 中國首批沿海開放城市. 隨著國家東西部大型物基地,中哈物流園的建成,國家七大石化基地的建設,為連雲港的大發展增添後勁. 連雲港能有今天的發展離不開國家政策的支援,那麼國家為什麼要 ...

國家為什麼要大力發展江蘇鹽城?

國家為什麼要大力發展江蘇鹽城?
鹽城,江蘇省地級市. 截至2020年鹽城市常住人口6709629人. 鹽城海陸空交通便捷,基本形成高速公路.鐵路.航空.海運.內河航運五位一體的立體化交通運輸網路. 鹽城能有今天的發展離不開國家政策的 ...

百年來國家教育安全的發展演變與基本特徵

百年來國家教育安全的發展演變與基本特徵
國家教育安全是指"國家內的教育安全",即主權國家的教育主權以及與之相關的教育體系.教育制度.教育傳統.教育資源.教育功能.自身教育發展等要素集合統一以規避來自內部或外部敵對力量的干 ...

國家為什麼要大力發展岳陽?

國家為什麼要大力發展岳陽?
岳陽,湖南省地級市,湖南省區域副中心城市.第二大經濟體. 岳陽區位優勢非常明顯,岳陽位於長江經濟帶與京廣鐵路線經濟帶交匯處,岳陽擁有長江,京廣線兩項,是湖南唯一的港口城市. 岳陽近兩年在國家政策的支援 ...

2021年國家為什麼要大力發展洛陽?

2021年國家為什麼要大力發展洛陽?
洛陽這幾年發展突飛猛進,高架地鐵火力全開,洛陽作為一個地級市,能得到如此的厚愛實屬不易,那麼國家為什麼要大力發展洛陽呢? 洛陽可能在現在這個時代不鹹不淡,可是在以前可是首都.也有可能以後得時代會重回巔 ...

國家為什麼要大力發展安徽滁州?

國家為什麼要大力發展安徽滁州?
滁州市,安徽省轄地級市. 是長江三角洲中心區27城之一. 2020年,滁州市實現地區生產總值3032.1億元,同比增長4.4%. 滁州能有今天的發展離不開國家政策的支援,那麼國家為什麼要大力發展滁州呢 ...

國家為什麼要大力發展江蘇揚州?

國家為什麼要大力發展江蘇揚州?
揚州,江蘇省地級市,長江三角洲中心區27城之一. 揚州是南京都市圈成員城市和長三角城市群城市. 揚州人傑地靈,歷史悠久,文化璀璨,園林是宅,美食之都,人居勝地,大美揚州. 揚州能有今天的發展離不開國家 ...

國家為什麼要大力發展江西新餘?

國家為什麼要大力發展江西新餘?
新餘市,江西省下轄市(地級),長江中游城市群重要成員. 2020年,新餘市實現地區生產總值1001.33億元. 新餘有非常多頭銜:中國新能源科技城.中國最具競爭力100強城市.中國海內外影響力城市等等 ...

國家為什麼要大力發展遼寧省營口市?

國家為什麼要大力發展遼寧省營口市?
營口市,遼寧省地級市. 2020年營口市實現地區生產總值1325.5億元,按可比價格計算,同比增長1.6%. 營口能有今天的發展離不開國家政策的大力支援,那麼國家為什麼要大力發展營口呢? 首先,營口地 ...

國家為什麼要大力發展河北廊坊?

國家為什麼要大力發展河北廊坊?
廊坊市,河北省地級市. 廊坊這些年發展速度之快大家有目共睹,廊坊也稱為河北最有發展潛力的城市之一. 廊坊能有今天的發展離不開國家政策的大力支援,那麼國家為什麼要大力發展河北廊坊呢? 和河北其他地市相比 ...

國家為什麼要大力發展遼寧撫順?

國家為什麼要大力發展遼寧撫順?
撫順市,遼寧省地級市. 遼寧省重要的工業基地,瀋陽經濟區副中心城市.總面積11271.03平方千米,2020年常住人口1731864人. 撫順,好山,好水,好空氣,又有雄厚的工業基礎,城區人口,城市面 ...

國家為什麼要大力發展遼寧省葫蘆島市?

國家為什麼要大力發展遼寧省葫蘆島市?
葫蘆島,遼寧省地級市. 葫蘆島市總面積1.04萬平方千米,轄3區.2縣.1市,總人口275.8萬人. 葫蘆島是中國東北地區進入關內的重要門戶.2020年,葫蘆島市實現地區生產總值770.4億元 葫蘆島 ...

瑞典:一個在發達的路上越走越奇葩的國家

瑞典:一個在發達的路上越走越奇葩的國家
在北歐寒冷的大地上生活著這樣一個國家,它是典型的發達國家,經濟發展好,國民福利好,似乎除了冷這點之外,就是人人嚮往的世外桃源. 但發達國家做久了,就總會發展出來一些讓人理解不了的事,瑞典就是如此. 從 ...

房產價值計算:房產周邊發展增值部分,算一算你的房價(下)

房產價值計算:房產周邊發展增值部分,算一算你的房價(下)
房產周邊發展增值部分 但是,後半部分軟價值的房產周邊發展增值也是價值關鍵.在市場經濟的發展中,房產的價格大部分都超越租金/利率,這是因為房產的價值受到後半部分的房產周邊發展增值影響.當然,房產未來漲幅 ...

教育部肯定!河南“超牛”團隊:院士領銜,斬獲國家科技進步獎!

教育部肯定!河南“超牛”團隊:院士領銜,斬獲國家科技進步獎!
在河南,有這樣一支團隊:它歷史悠久,已有近百年:它出身名門,由傑出的地學家馮景蘭先生創立:它立足實踐,成果頗豐,斬獲國家科技進步獎,在國家發展和河南地方經濟建設中貢獻力量--它就是教育部首批全國高校& ...

選房價還是選實體經濟?國家已經有抉擇,傳達出什麼訊號?

選房價還是選實體經濟?國家已經有抉擇,傳達出什麼訊號?
據多方媒體報道,現階段國家為了保證就業率.穩定經濟增長,在房價與實體經濟之間選擇了保護實體經濟,當前外界紛紛就此話題各抒己見."以公有制為主體.多種所有制經濟共同發展"是我國自始至 ...

科技興則國家興,北斗和載人航天步步留下科技強國的腳印

科技興則國家興,北斗和載人航天步步留下科技強國的腳印
據報道,北京時間2021年9月17日13時34分,神舟十二號載人飛船返回艙在東風著陸場成功著陸,執行飛行任務的航天員聶海勝.劉伯明.湯洪波安全順利出艙,身體狀態良好.我國空間站階段首次載人飛行任務取得 ...