1、低壓電器
是指在交流額定電壓1200V,直流額定電壓1500V及以下的電路中起通斷、保護、控制或調節作用的電器。
2、主令電器
自動控制系統中用於傳送控制指令的電器。
3、熔斷器
是一種簡單的短路或嚴重過載保護電器,其主體是低熔點金屬絲或金屬薄片製成的熔體。
4、時間繼電器
一種觸頭延時接通或斷開的控制電器。
5、電氣原理圖
電氣原理圖是用來表示電路各電氣元器件中導電部件的連線關係和工作原理的電路圖。
6、互鎖
“互鎖”電路實質上是兩個禁止電路的組合。K1動作就禁止了K2的得電,K2動作就禁止了K1的得電。
7、自鎖電路
自鎖電路是利用輸出訊號本身聯鎖來保持輸出的動作。
8、零壓保護
為了防止電網失電後恢復供電時電動機自行起動的保護叫做零壓保護。
9、欠壓保護
在電源電壓降到允許值以下時,為了防止控制電路和電動機工作不正常,需要採取措施切斷電源,這就是欠壓保護。
10、星型接法
三個繞組,每一端接三相電壓的一相,另一端接在一起。
11、三角型接法
三個繞組首尾相連,在三個聯接端分別接三相電壓。
12、減壓起動
在電動機容量較大時,將電源電壓降低接入電動機的定子繞組,起動電動機的方法。
13、主電路
主電路是從電源到電動機或線路末端的電路,是強電流透過的電路。
14、輔助電路
輔助電路是小電流透過電路。
15、速度繼電器
以轉速為輸入量的非電訊號檢測電器,它能在被測轉速升或降至某一預定設定的值時輸出開關訊號。
16、繼電器
繼電器是一種控制元件,利用各種物理量的變化,將電量或非電量訊號轉化為電磁力(有觸頭式)或使輸出狀態發生階躍變化(無觸頭式)。
17、熱繼電器
是利用電流的熱效應原理來工作的保護電器。
18、交流繼電器
吸引線圈電流為交流的繼電器。
19、全壓起動
在電動機容量較小時,將電動機的定子繞組直接接入電源,在額定電壓下起動。
20、電壓
電路兩端的電位差。
21、觸頭
觸頭亦稱觸點,是電磁式電器的執行元件,起接通和分斷電路的作用。
22、電磁結構
電磁機構是電磁式電器的感測元件,它將電磁能轉換為機械能,從而帶動觸頭動作。
23、電弧
電弧實際上是觸頭間氣體在強電場作用下產生的放電現象。
24、接觸器
接觸器是一種適用於在低壓配電系統中遠距離控制、頻繁操作交、直流主電路及大容量控制電路的自動控制開關電器。
25、溫度繼電器
利用過熱元件間接地反映出繞組溫度而動作的保護電器稱為溫度繼電器。
26、點動電路
按下點動按鈕,線圈通電吸合,主觸頭閉合,電動機接人三相交流電源,起動旋轉;鬆開按鈕,線圈斷電釋放,主觸頭斷開,電動機斷電停轉。
27、電氣控制系統
電氣控制系統是由電氣控制元器件按一定要求連線而成。
28、變極調速
非同步電動機調速中,改變定子極對數的調速方法。
29、電器元件位置圖
電器元件佈置圖是用來表明電氣原理中各元器件的實際安裝位置的圖。
30、電器元件接線圖
電氣安裝接線圖是電氣原理圖的具體實現形式,它是用規定的圖形符號按電器元件的實際位置和實際接線來繪製的。
31、變頻調速
非同步電動機調速中,改變電源頻率的調速方法。
32、三相非同步電機能耗制動的原理
能耗制動是在電動機停止切除定子繞組三相電源的同時,定子繞組接通直流電源,產生靜止磁場,利用轉子感應電流與靜止磁場的相互作用,產生一個制動轉矩進行制動。
33、三相非同步電機反接制動的工作原理
反接制動是在電動機停止時,改變定子繞組三相電源的相序,使定子繞組旋轉磁場反向,轉子受到與旋轉方向相反的制動轉矩作用而迅速停車。
34、短路保護和過載保護有什麼區別?
短路時電路會產生很大的短路電流和電動力而使電氣裝置損壞。需要迅速切斷電源。常用的短路保護元件有熔斷器和自動開關。
電機允許短時過載,但長期過載執行會導致其繞組溫升超過允許值,也要斷電保護電機。常用的過載保護元件是熱繼電器。
35、電機起動時電流很大,為什麼熱繼電器不會動作?
由於熱繼電器的熱元件有熱慣性,不會變形很快,電機起動時電流很大,而起動時間很短,大電流還不足以讓熱元件變形引起觸點動作。
36、在什麼條件下可用中間繼電器代替交流接觸器?
觸點數量相同、線圈額定電壓相同、小電流控制時可以替換。
37、常用繼電器按動作原理分那幾種?
電磁式、磁電式、感應式、電動式、光電式、壓電式,時間與溫度(熱)繼電器等。
38、在電動機的主迴路中,既然裝有熔斷器,為什麼還要裝熱繼電器?他們有什麼區別?
熔斷器只能用作短路保護,不能用作過載保護;而熱繼電器只能用作過載保護,不能用作短路保護。所以主迴路中裝設兩者是必需的。
39、熱繼電器的作用
熱繼電器是利用電流的熱效應原理來工作的電器,主要用於電動機的過載保護、斷相保護及其他電氣裝置發熱狀態的控制。
40、額定工作制有那幾種?
額定工作制:8小時工作制、長期工作制、短時工作制、斷續週期工作制。
41、三相交流電動機反接制動和能耗制動分別適用於什麼情況?
反接制動適用於不經常起制動的10KW以下的小容量電動機。能耗制動適用於要求制動平穩、準確和起動頻繁的容量較大的電動機。
42、常用的主令開關有哪些?
控制按鈕、行程開關、接近開關、萬能轉換開關、主令控制器及其他主令電器(如腳踏開關、倒順開關、緊急開關、鈕子開關、指示燈)等。
43、電氣控制分析的依據是什麼?
依據裝置說明書、電氣控制原理圖、電氣裝置的總接線圖、電器元件佈置圖與接線圖。
44、繼電器按輸入訊號的性質和工作原理分別分為哪些種類?
按輸入訊號的性質分:電壓、電流、時間、溫度、速度、壓力等。
按工作原理分:電磁式、感應式、電動式、熱、電子式等。
45、中間繼電器和接觸器有何區別?在什麼條件下可用中間繼電器代替接觸器?
接觸器的主觸點容量大,主要用於主迴路;中間繼電器觸點數量多,主要用於控制迴路。在電路電流較小時(小於5A),可用中間繼電器代替接觸器。
46、繪製電氣原理圖的基本規則有哪些?
(1)電氣原理圖一般分主電路和輔助電路兩部分畫出。
(2)各電器元件應採用國家標準統一的圖形符號和文字元號。
(3)各電器元件的導電部件的位置應根據便於閱讀和分析的原則來安排,同一電器元件的不同部分可以不畫在一起。
(4)所有電器元件的觸點都按沒有通電或沒有外力作用時的開閉狀態畫出。
(5)有直接電連線的交叉導線的連線點要用黑圓點表示。
(6)各電器元件一般應按動作的順序從上到下,從左到右依次排列,可水平或豎直佈置。
47、三相交流電動機反接制動和能耗制動各有何特點?
電源反接制動時,轉子與定子旋轉磁場的相對轉速接近兩倍的電動機同步轉速,所以此時轉子繞組中流過的反接制動電流相當於電動機全壓起動時起動電流的兩倍。因此反接制動轉矩大,制動迅速。
在能耗制動中,按對接入直流電的控制方式不同,有時間原則控制和速度原則控制兩種。兩種方式都需加入直流電源和變壓器,制動緩慢。
48、電動機“正—反—停”控制線路中,複合按鈕已經起到了互鎖作用,為什麼還要用接觸器的常閉觸點進行聯鎖?
因為當接觸器主觸點被強烈的電弧“燒焊”在一起或者接觸器機構失靈使銜鐵卡死在吸合狀態時,如果另一隻接觸器動作,就會造成電源短路。接觸器常閉觸點互相聯鎖時,能夠避免這種情況下短路事故的發生。
49、什麼是自鎖控制?為什麼說接觸器自鎖控制線路具有欠壓和失壓保護?
自鎖電路是利用輸出訊號本身聯鎖來保持輸出的動作。
當電源電壓過低時,接觸器線圈斷電,自鎖觸點返回使線圈迴路斷開,電壓再次升高時,線圈不能通電,即形成了欠壓和失壓保護。
50、電氣原理圖設計方法有哪幾種?簡單的機床控制系統常用哪一種?寫出設計的步驟。
有經驗設計和邏輯設計兩種。常用的是經驗設計。
設計步驟是:主電路→控制電路→輔助電路→聯鎖與保護→總體檢查→反覆修改與完善。
51、速度繼電器的觸頭動作時的速度範圍是多少?
一般速度繼電器觸頭的動作轉速為140r/min左右,觸頭的復位轉速為100r/min。
52、按動作原理時間繼電器分那幾種?
時間繼電器有電磁式、空氣阻尼式、電動機式與電子式等。
53、低壓電器按用途分那幾類?
1)控制電器
2)配電電器
3)執行電器
4)可通訊低壓電器
5)終端電器
54、時間繼電器的選用原則
選用時可從延時長短、延時精度、控制電路電壓等級和電流種類、延時方式和觸頭形式與數量幾方面考慮來選擇。
55、電動機單向反接制動控制線路原理
按下SB2,KM1吸合併自保,電機執行,速度達到140轉/分以上時,KS觸點閉合。按下SB1,KM1斷電,KM2吸合,進行反接制動,速度達到100轉/分以下時,KS觸點斷開,制動結束,電機慢慢停止轉動。
56、點動控制電路的工作原理
按下SB,KM線圈得電,KM觸點閉合,電機轉動;鬆開SB, KM線圈失電,KM觸點斷開,電機停轉。
57、起動、自保控制電路的工作原理
按下SB2,KM1線圈得電,KM吸合,主觸電接通電機電源,電機執行;同時輔助觸點閉合,接通控制迴路,並保持。鬆開SB2,由於輔助觸點已經閉合了控制迴路,靠輔助觸點繼續接通控制迴路,電機繼續執行。按下SB1,KM1斷電,輔助觸點斷開,主觸點斷開電機電源,電機慢慢停止轉動。
58、多點控制電路的工作原理
按下SB2、SB4、SB6中的任何一個按鈕,KM線圈就得電,KM就吸合併自保,電機執行;按下SB1、SB3、SB5中的任何一個按鈕,KM線圈就失電,KM就斷開,電機就慢慢停轉。
59、速度繼電器逆時針工作時觸點動作的工作原理
其轉子的軸與被控電動機的軸相連線,定子空套在轉子外圍。當電動機執行時,速度繼電器的轉子隨電動機軸轉動,永久磁鐵形成旋轉磁場,定子中的籠型導條切割磁場而產生感應電動勢,形成感應電流。
其在磁場作用下產生電磁轉矩,使定子隨轉子旋轉方向轉動,但由於有返回槓桿擋住,故定子只能隨轉子轉動方向轉動一定角度,當定子偏轉到一定角度時,在槓桿7的作用下使常閉觸頭開啟,常開觸頭閉合。
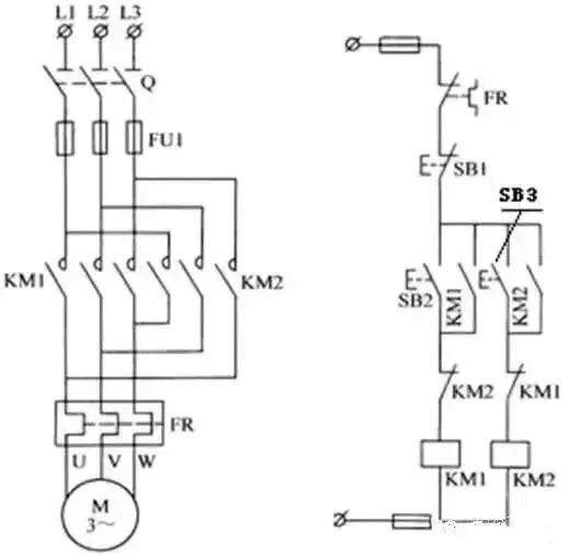
60、正、停、反轉電路的工作原理
當正轉起動時,按下正轉起動按鈕SB2,KM1線圈通電吸合併自鎖,電動機正向起動並旋轉;當反轉起動時,按下反轉起動按鈕SB3,KM2線圈通電吸合併自鎖,電動機便反向起動並旋轉。
在控制電路中將KM1、KM2正反轉接觸器的常閉輔助觸頭串接在對方線圈的電路中,形成相互制約的控制,若在按下正轉起動按鈕SB2,電動機已進入正轉執行後,要使電動機轉向改變,必須先按下停止按鈕SBl,而後再按反向起動按鈕。
