sponsored links

調光開關故障檢修

調光開關故障檢修

調光開關故障檢修

調光燈不亮

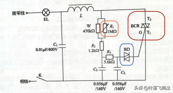
檢查BCR雙向閘流體T1,T2兩端電壓,如果為220V則說明沒導通,需要拆卸進一步檢查。BCR為易損元件。如果無故障檢查電容C2 、C3,電阻等。

調光開關故障檢修

最大亮度不能調光

檢查雙向閘流體是否正常、電位器是否短接、雙向觸發二極體是否擊穿

調光開關故障檢修

分類: 軍事
時間: 2021-11-08

相關文章

英國賊心不死,又搞五國聯防海上軍演,圍堵中國有用嗎?

英國賊心不死,又搞五國聯防海上軍演,圍堵中國有用嗎?
10月8號,英國.澳大利亞.紐西蘭.馬來西亞.新加坡五國聯防協約成員國共同組織了一場大規模軍演,地點靠近馬來西亞的南中國海國際水域,演習部隊主要是由上述五國組成,水面艦艇10艘.潛艇1艘.40多架飛機 ...

烏克蘭與北約高調舉行大規模軍演 俄白聯手應對威脅
據外媒報道,烏克蘭近期與以美國為首的北約高調舉行大規模聯合軍演,對外示強意味濃厚.俄羅斯也針鋒相對採取軍事示強行動,雙方火藥味漸濃的對抗為歐洲安全蒙上陰影. 加強黑海軍事存在 近日,烏克蘭和北約舉行的 ...

日本10萬人軍演啟動,日媒稱瞄準臺海和釣魚島,中國艦隊從旁經過

日本10萬人軍演啟動,日媒稱瞄準臺海和釣魚島,中國艦隊從旁經過
經過長時間的準備之後,日本自衛隊大規模軍演於9月15日正式啟動,一共有10萬自衛隊員參加,這是日本28年來最大規模的軍演.對於日本自衛隊的這次軍演,日本媒體不斷炒作,稱主要是瞄準釣魚島和臺海.不過,就 ...

集結10萬人軍演,日本想打仗?中日若發生戰爭,輸贏不是開盲盒

集結10萬人軍演,日本想打仗?中日若發生戰爭,輸贏不是開盲盒
隨著美國印太戰略推進,日本的戰略地位和作用也日漸突出.美國和日本都希望"東京扮演更重要的角色".而日本強大的現實經濟實力和潛在的軍事大國實力,為其謀求新角色提供了堅實的基礎. 軍事 ...

慫恿日本搞10萬人軍演,協助澳建核潛艇,美要和中國打代理人戰爭

慫恿日本搞10萬人軍演,協助澳建核潛艇,美要和中國打代理人戰爭
自從美軍從阿富汗倉皇撤軍,導致其一眾所謂的盟友們對美國的信心出現動搖,為了重塑盟友們尤其是亞洲幾個所謂盟友對美國的信心,再加上美國急需中國為其濫發的天量美債買單,美國在最近開啟了對中的新一輪打壓. 第 ...

【微遊萬全】第三站:崢嶸歲月—802軍演觀禮臺

【微遊萬全】第三站:崢嶸歲月—802軍演觀禮臺
#2021我為河北文旅代言##2021頭條帶你看河北##河北文旅看圖識景##2021就看國際莊# 醉裡挑燈看劍 夢迴吹角連營 八百里分麾下炙 五十弦翻塞外聲 沙場秋點兵 馬作的盧飛快 弓如霹靂弦驚 了 ...

美日澳印聯合演習,出動航母是要假戲真做?俄軍在日本海同時軍演

美日澳印聯合演習,出動航母是要假戲真做?俄軍在日本海同時軍演
近日,美日印澳四個四方安全對話機制(Quad)成員國,於8月26日到29日四天時間,在菲律賓海舉行四國聯合海上軍演,又於10月12日在孟加拉灣執行第二次海上聯合軍演.而俄羅斯則派遣了兩艘軍艦,前往日本 ...

李光滿:六國三艘航母臺島以東軍演,美核潛艇南海出沒,為哪般?

李光滿:六國三艘航母臺島以東軍演,美核潛艇南海出沒,為哪般?
[編者按]本文又作者李光滿授權轉載自公眾號"李光滿說",歡迎關注.在國內,國慶期間最引人關注的是反映抗美援朝戰爭長津湖戰役的戰爭片<長津湖>上演,目前票房已破40億,另 ...

向中國示威?美日聯合軍演正酣,中國無人機也抵達軍演上空

向中國示威?美日聯合軍演正酣,中國無人機也抵達軍演上空
反航母戰即刻就能打響!中國無人機抵達美日艦隊上空!待命出擊! 從8月份以來,美國與日本.英國等諸多盟友國,在南海海域內頻繁舉行軍事演習,其意圖十分明確,就是想要遏制中國在南海內的主動權.但是在美日聯合 ...

美國將與烏克蘭舉行大規模軍演,還“熱切支援”烏克蘭提升反導能力

美國將與烏克蘭舉行大規模軍演,還“熱切支援”烏克蘭提升反導能力
來源:環球網 [環球網報道 記者 徐璐明]美國媒體稱,美國陸軍將與烏克蘭舉行大型聯合軍演,演習由美烏雙方主導,來自12個美國盟友和夥伴國的大約6000名軍人將參演. 美國"防務新聞" ...

外媒:烏克蘭北約舉行聯合軍演
據路透社烏克蘭亞沃裡夫9月20日報道,烏克蘭20日開始與美國和其他北約國家進行聯合軍事演習.與此同時,其鄰國俄羅斯和白俄羅斯也在進行大規模軍演. 報道稱,烏克蘭長期以來尋求與西方軍隊加強融合,希望有朝 ...

跟美國對抗,中國究竟有沒有核威懾?3大優勢,讓美國不敢放肆

跟美國對抗,中國究竟有沒有核威懾?3大優勢,讓美國不敢放肆
在冷戰最為激烈的年代,中國在短短几年內就成功試爆了原子彈.氫彈,成為了當時實際上最強的"五大核武國家之一"(蘇聯.美國.英國.法國.中國).然而,當時的中國雖然擁有可以形成打擊效果 ...

1951年,彭老總“大鬧軍委會議”,是怎麼回事?

1951年,彭老總“大鬧軍委會議”,是怎麼回事?
在開國十大元帥中,朱老總和彭老總兩位元帥德高望重功勳卓著,猶如"雙子星"一樣,位列元帥排位上半區前兩名,時人常稱之為"朱彭".在抗日戰爭時期.解放戰爭時期,由於 ...

深度解析:中國有什麼底氣敢和美國死拼?2大優勢直戳美國要害

深度解析:中國有什麼底氣敢和美國死拼?2大優勢直戳美國要害
眾所周知,自從新中國成立以來,中國人民解放軍就以"行必果,戰必勝"的優良印象為世界各國所聞名.其中最著名的一次經典案例,就是抗美援朝戰爭,在那次戰爭中,解放軍展現出了"世 ...

曹雲金演出時打過岳雲鵬?大鬧生日宴後,燒餅為何會想跟著離開?

曹雲金演出時打過岳雲鵬?大鬧生日宴後,燒餅為何會想跟著離開?
險些成德雲社"叛徒" 2010年,德雲社曾發生過一件大事,當時正值事業黃金期的曹雲金,突然決定退出德雲社.然而就在他出走之時,燒餅也險些成了德雲社的"叛徒",這 ...

2008年,一代名導謝晉去世,為何死後劉曉慶提現金“大鬧”葬禮?

2008年,一代名導謝晉去世,為何死後劉曉慶提現金“大鬧”葬禮?
他是第三代導演的代表人物,被譽為是當代中國電影導演"第一人": 中國電影發展的百年曆程中, 他執導的電影陪伴了觀眾整整半個世紀,他就是著名導演謝晉. 為何如此一個具有藝術細胞,愛好 ...

2006年關海山去世,曾替吳孟達指點迷津,為何四任老婆大鬧靈堂?

2006年關海山去世,曾替吳孟達指點迷津,為何四任老婆大鬧靈堂?
他是TVB的配角小生,知名演員吳孟達的師父,天王劉德華的貴人, 他被成龍尊稱為"蝦叔": 演藝事業上順風順水的他,在生活中的情史可謂是精彩萬分. 4任老婆更是在他去世後大鬧靈堂! ...

“南開博士被開除”瞬間登上風口浪尖,父母大鬧學校,結局大反轉

“南開博士被開除”瞬間登上風口浪尖,父母大鬧學校,結局大反轉
我國高等教育大致劃分為大學專科.本科以及碩士.博士研究生等四個學歷等級層次,博士研究生作為我國最高學歷往往是"登峰造極"的存在. 我國博士生數量相對於全國大學生而言只是" ...

南大一博士生被學校開除學籍,父母不滿大鬧學校,最終被事實打臉

南大一博士生被學校開除學籍,父母不滿大鬧學校,最終被事實打臉
學生十年寒窗苦讀,其辛苦自然不言而喻. 學習沒有止境,因為學習能給我們帶來的不僅僅是優秀的學歷,還能提高個人的文化水平的文學素養. 在當今這個社會,各行各業都有著非常嚴重的內卷行為,學生的學歷同樣如此 ...

難怪孫悟空要大鬧蟠桃會,你看看七仙女做了啥?

難怪孫悟空要大鬧蟠桃會,你看看七仙女做了啥?
咱們都知道沒被如來按在五行山下的孫悟空是桀驁不馴的,只要覺得自己遭受到不公平待遇,必然奮起力爭,哪怕與人家撕破臉也在所不惜,而一次一次的翻臉,又一次次的得逞,讓他飄了.就比如說孫悟空當上齊天大聖之後, ...