水杯通常會被作為饋贈禮物的佳品。各類材質各有優缺點,但保溫杯始終是人們的最愛。即使品質合格下的保溫杯,在使用時仍然會發生不知道冷熱而燙嘴的尷尬、更有因水太燙而久久降溫的囧境,所以科技的發展進步,讓智慧語音保溫杯了出現了大家對保溫杯的追求不再滿足於長效保溫,一些帶有測溫顯溫、提醒喝水等功能的保溫杯,更能得到青睞。
而智慧語音保溫水杯可以實現飲水語音提醒,水質檢測,水溫顯示等功能,讓人們養成良好的飲水習慣,從而保證人們身心健康。
而智慧水杯實現語音提醒功能的核心就是加入了語音晶片——九芯電子NV040B語音晶片。NV040B語音晶片是一款適合工廠量產型的工業級OTP語音晶片。
它具有成本低,效能穩定,音質高,控制方便,電路簡單等諸多顯著優點,適合低成本快速投產,僅需一天即可出貨。無需任何外圍電路,在極其惡劣的噪聲環境下都可正常工作,它具有寬泛的耐溫和耐壓範圍,正常工作範圍寬達1.6V~4.5V,彌補了目前市面上語音晶片抗干擾能力較差的缺陷。
靈活的多種按鍵操作模式以及電平輸出方式供選擇(邊沿按鍵觸發、電平觸發、隨機按鍵播放、順序按鍵播放);簡單方便的兩線MCU串列埠控制方式,使用者主控MCU可控制任意段語音的觸發播放及停止;
支援4個按鍵觸發;語音時長40秒,可以做40秒以內的小家電語音晶片方案,另外同系列的NV020B、NV068B、NV080B、NV115B語音晶片可做20秒、65秒、80秒、115秒以內的語音方案;
內建一組PWM輸出器可直推0.5W喇叭;靈活的放音操作,透過組合可節省語音空間,單個數據口最多可播放128個語音組合; 音質優美,效能穩定,物美價廉;內建LVR自復位電路,保證晶片正常工作;
DIP8,SOP8以及COB三種封裝可供選擇,使用方便,應用靈活; 外圍電路簡單,僅需一耦合電容;工作電壓範圍:1.6V~4.5V(5V供電的話VDD需串接二極體4148降壓); 靜態電流:2uA;
NV040B語音晶片具有豐富的控制方式。它分為按鍵控制模組和MCU一線串列埠控制模式。其中按鍵控制模組分為ON/OFF控制、脈衝可重複觸發、脈衝不可重複觸發、電平保持觸發、電平非保持觸發、DOWN下一首、隨機段觸發。
當O口被分配為MCU一線觸發時,不能同時作為按鍵來觸發。
NV040B語音晶片觸發時序圖不注意喝水,就會讓自己越來越缺水,讓身體一直處於一個缺水的狀態。智慧水杯增加語音提醒功能,及時提醒你需要喝水了,讓你保持每天喝到足夠的水量。所以在智慧水杯應用了NV040B語音晶片之後,可以語音播放自動提醒消費者喝水,為廣大消費者解決合理飲水問題,呵護健康。如果NV040B語音晶片用於智慧保溫杯裡,還可以語音播放當前的水溫提醒,避免使用者被燙傷!
加入九芯電子NV040B語音晶片的兒童智慧水杯可以實現語音播報提醒功能,而智慧水杯可以為低領兒童,或者盲人提供很大的幫助,因為盲人無法看到物體,更無法看到杯上顯示的溫度,很容易被燙傷,而低齡兒童讀取溫度計或對溫度數字認識不夠,所以智慧水杯/保溫杯加入NV040B語音晶片實現語音提醒播放功能對於低齡兒童或者盲人來說是非常有意義的!
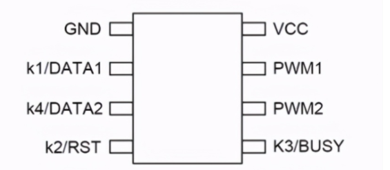
九芯電子NV040B語音晶片在智慧水杯的應用語音方案如下:
隔一個小時之後,沒有喝水,會語音播放:主人該喝水了!
定時提醒喝水:如早上7點:類似鬧鐘提醒主人喝水:主人,該喝水了,空腹喝水可以調節腸胃哦。
晚上睡前喝水:主人,該喝水了,適當的水分可以預防心血管疾病哦。
如果是加入了智慧保溫杯裡,那可以實現語音播報當前水杯的水溫,避免被燙傷!
如:主人該喝水了,當前水溫80%,比較燙哦。





 
			 
			 
			 
			 
			 
			 
			 
			 
			 
			 
			 
			 
			 
			 
			 
			 
			 
			