一輛行駛里程約9.8萬km、配置2.0T發動機的2014年別克君威GS轎車。該車行車過程中偶爾出現加不上油門,儀表提示“請檢修電子穩定性控制”。故障出現後發動機故障燈、側滑燈閃爍並且加不上油門。出現故障後停十幾分鍾,再次啟動車輛自己就好了。
故障診斷:在接到客戶報修後,按照SBD流程進行了如下檢查:
詢問客戶故障發生的時間、地點、現象、頻次:大概一週出現一到兩次,與路況無關。客戶說該車出現這個問題已經三個多月了,在好幾個修理廠維修多次;更換過火花塞、點火線圈、節氣門體、加速踏板、曲軸位置感測器等,均未能解決問題。
經過反覆路試車輛。出現一次加不上油門,發動機故障燈和側滑燈閃的故障現象。驗證客戶描述的問題屬實。
該車是一款2.0T的渦輪增壓發動機。先後檢查蓄電池、車輛線束插頭連線、外觀等情況,檢查是否存在加裝件等,結果末發現異常。
使用GDS 2診斷儀讀取DTC,發現有兩個與發動機控制模組失去通訊的歷史故障碼和三個當前故障碼(DTC),如圖1所示。
三個當前故障碼與該故障沒有關聯,兩個歷史故障碼是關鍵:是什麼原因導致與ECM失去通訊呢?
查閱維修通訊和TAC技術簡報,未發現類似故障的維修資訊和解決方案。
按照維修手冊推薦的診斷流程分析故障碼,決定使故障重現,讀取一下故障時的資料。
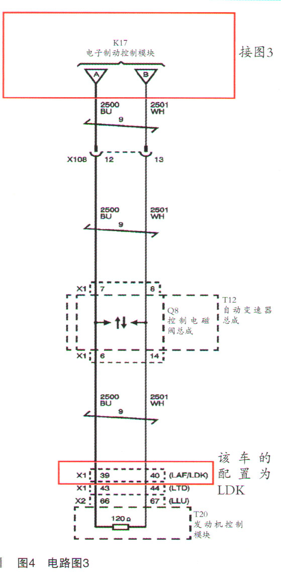
根據維修手冊找到ECM的端子圖,檢查ECM的供電、搭鐵和通訊線均正常。仔細讀取高速網路電氣連線示意圖,測量6腳和14腳之間的電阻是61 Ω(正常)。難道是端子接觸不良導致間歇性的故障?檢查ECM的插頭沒有發現端子孔變人的現象,於是對端子打導電膠。
經過反覆試車,發現在連續行駛40多千米後,故障再現了。因為是U類故障碼,涉及網路通訊故障。根據維修經驗,網路通訊類故障,特別是間歇性的,使用網路診斷工具DataBus檢查比較容易捕捉到故障現象。同時Data Bus還可以捕捉到模組間的通訊情況和電壓資訊等。
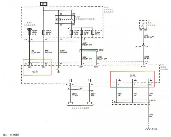
電路圖如圖2~圖4所示。
按照ECM的X1端檢視(如圖5所示)測量供電、接地和通訊線均正常。
連線MDI 2,開啟Data Bus監控高速網路。 針對故障碼U0100,因是間歇性故障,檢查6腳和14腳高速網路,檢測到有不正常的接地,觸發診斷報警,如圖6所示。
讀取6腳和14腳高速網路的波形,發現電壓不對,頻率也有異常變化,如圖7所示。
針對故障碼U0100,根據維修手冊的指導,結合當前的故障現象(高速網路電壓和波形不正常)及SBD診斷流程,逐項按照邏輯排查。
第一步,檢查是否有加裝改裝,沒有發現異常。
第二步,處理ECM供電、搭鐵,反覆試車無效。
第三步,ECM端子處塗抹導電膠,反覆試車無效。
第四步,重新程式設計ECM,反覆試車無效。
第五步,ECM損壞(需要進一步檢查驗證)。
根據故障發生的條件(連續行車後出現,熄火後過一會自己就好了),懷疑是ECM內部在溫度上來後工作不良。
用熱風槍加熱ECM右上角,如圖8所示位置約2min,故障重現,嚴重時ECM失去通訊。此時出現的問題跟故障現象完全吻合。反覆模擬幾次,確認是ECM損壞。
更換ECM並程式設計,按照故障發生的條件反覆試車,連續行駛80km,故障沒有出現。 嘗試用熱風槍加熱ECM的右上角,故障沒有重現,車輛恢復正常。經過上述檢查和驗證,可以得出結論。 故障點:發動機ECM內部有時搭鐵。這是因為隨著車輛的持續行駛,ECM內部的三極體、電阻、電容、控制單元等電子元件溫度不斷上升,導致工作不良,有時搭鐵。溫度降低後又恢復正常。這就是故障出現後,車輛熄火等一會再次啟動自己就好了的原因。 故障排除方法:更換ECM。 故障總結:該案例由於ECM在溫度上升後內部搭鐵,進而導致加不上油門,發動機模組失去通訊,報故障碼U0100。 對於老舊車輛,由於其電氣線路故障機率相對較大,應優先檢查聯結器端子、搭鐵狀況。 根據網路通訊的故障碼,應用先進的診斷維修工具(Data Bus)快速準確地鎖定間歇險通訊故障(GDS 2診斷類似故障碼就沒有這麼靈敏和直觀)。 對於間歇性故障,要儘可能多試車,找出故障出現的規律,抓住故障產生的共性,儘可能模擬故障發生的條件,發現問題的根源,進而提高一次修復率。
